GM Service Manual Online
For 1990-2009 cars only
Makes
🢒
Chevrolet
🢒
1999
🢒
Prizm
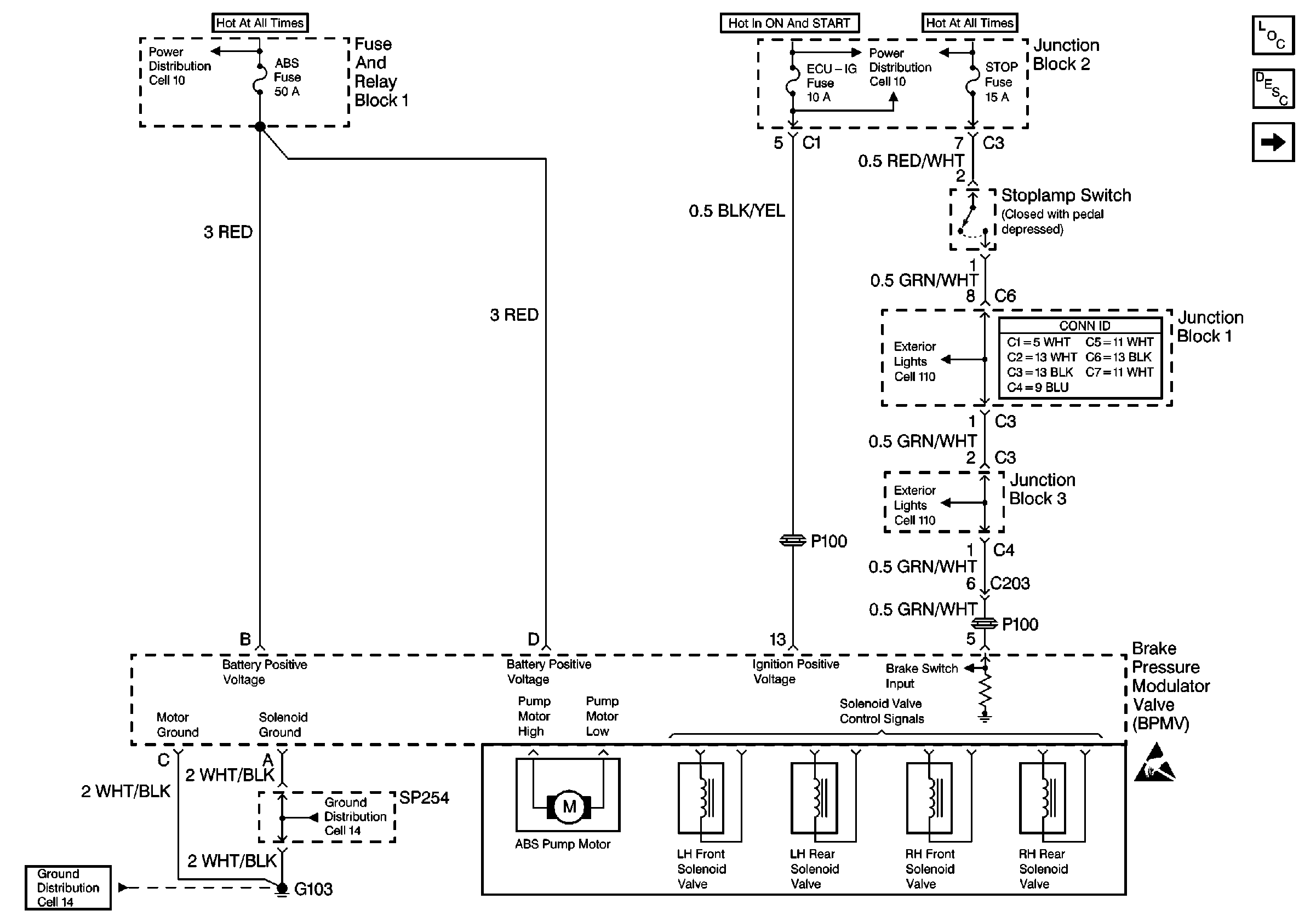
🢒 Cell 44: ABS Pump Motor, BPMV, Solenoid Valves, and Stoplamp Switch
Cell 44: ABS Pump Motor, BPMV, Solenoid Valves, and Stoplamp Switch
Cell 44: ABS Pump Motor, BPMV, Solenoid Valves, and Stoplamp Switch
ABS Components
Cell 44: ABS Indicator Control, ABS Lamp Driver Relay, ABS Warning Indicator, and BPMV
Handling ESD Sensitive Parts Notice
Cell 10: ABS, Alt, AMI, Def, D/L, ECU-B, HTR, ODB, Power, and Stop Fuses
Cell 10: ABS, Alt, AMI, Def, D/L, ECU-B, HTR, ODB, Power, and Stop Fuses
Cell 110: Cruise Control Module and Stoplamp Switch
Cell 110: Cruise Control Module and Stoplamp Switch
Cell 14: SP254 and SP261
Cell 14: Battery, G100, G101, G102, G103, and G104