GM Service Manual Online
For 1990-2009 cars only
Makes
🢒
Chevrolet
🢒
2000
🢒
Prizm
🢒
Engine
🢒
Engine Electrical
🢒 Starting and Charging Schematics
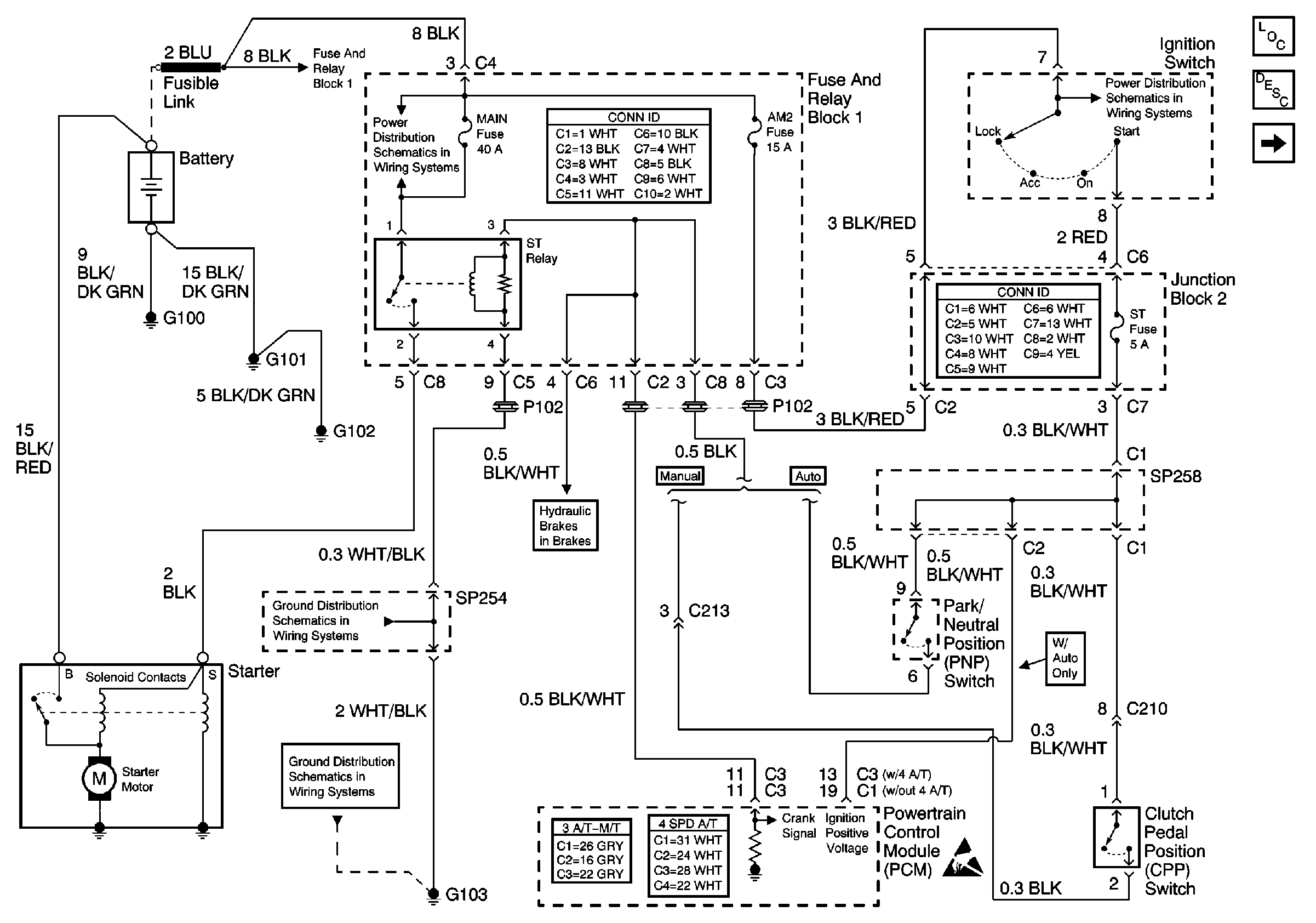
Figure
1:
Battery, CPP Switch, Fusible Link, Ignition Switch, ST Relay, and Starter
Engine Electrical Components
Starting System Description
Battery, Fusible Link, and Generator
Alt-S, AM2, Dome, EFI, Hazard, Horn, and Main Fuses
Cell 14: Battery, G100, G101, G102, G103, and G104
SP254 and SP261
Ignition Switch, IGN Fuse, and ST Fuse
Cell 41
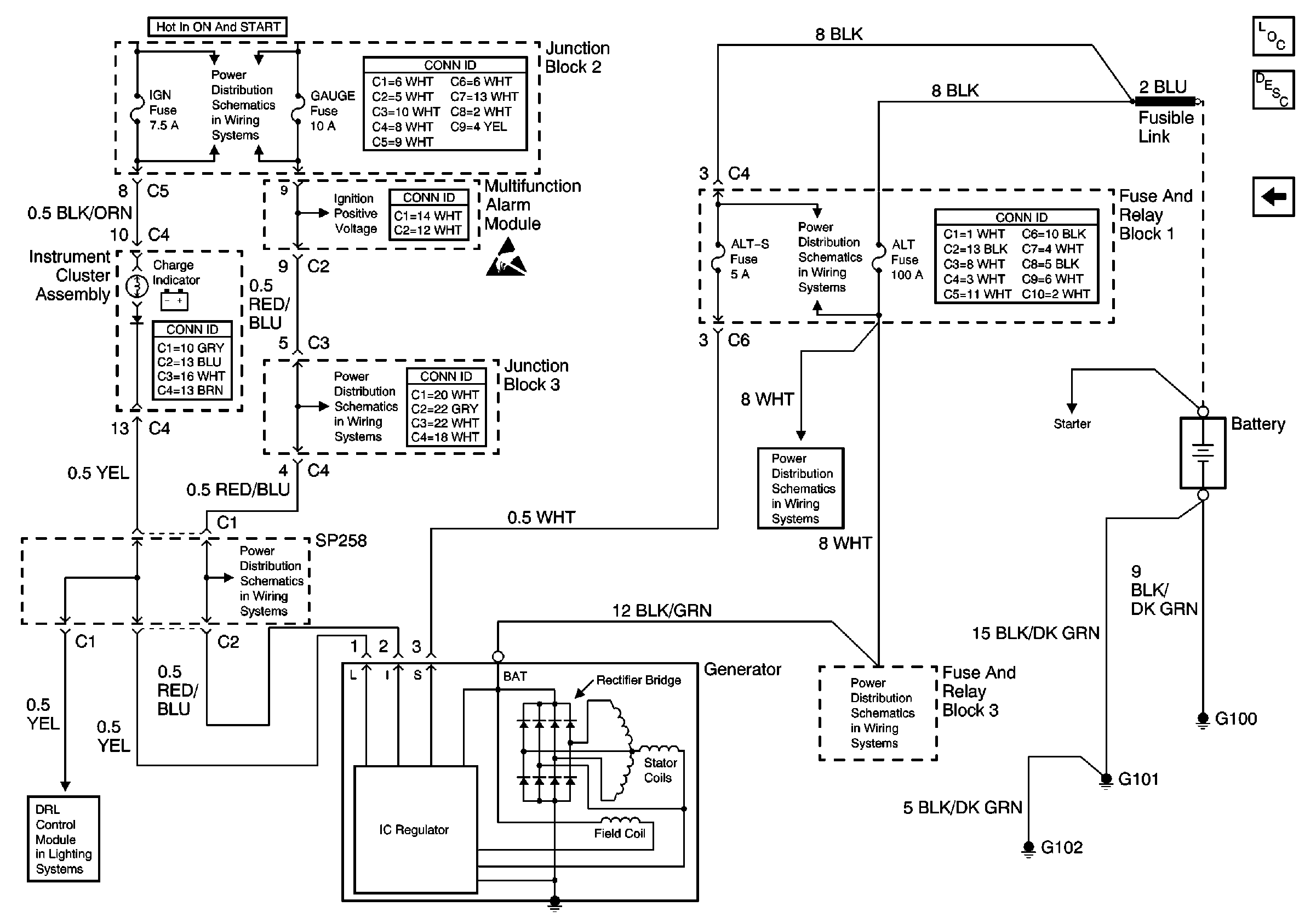
Figure
2:
Battery, Fusible Link, and Generator
Engine Electrical Components
Starting System Description
Battery, CPP Switch, Fusible Link, Ignition Switch, ST Relay, and Starter
Handling ESD Sensitive Parts Notice
Gauge Fuse
Gauge Fuse
Alt-S, AM2, Dome, EFI, Hazard, Horn, and Main Fuses
Alt-S, AM2, Dome, EFI, Hazard, Horn, and Main Fuses
Gauge Fuse
Alt-S, AM2, Dome, EFI, Hazard, Horn, and Main Fuses
Ambient Light Sensor and DRL Control Module