GM Service Manual Online
For 1990-2009 cars only
Figure 1:

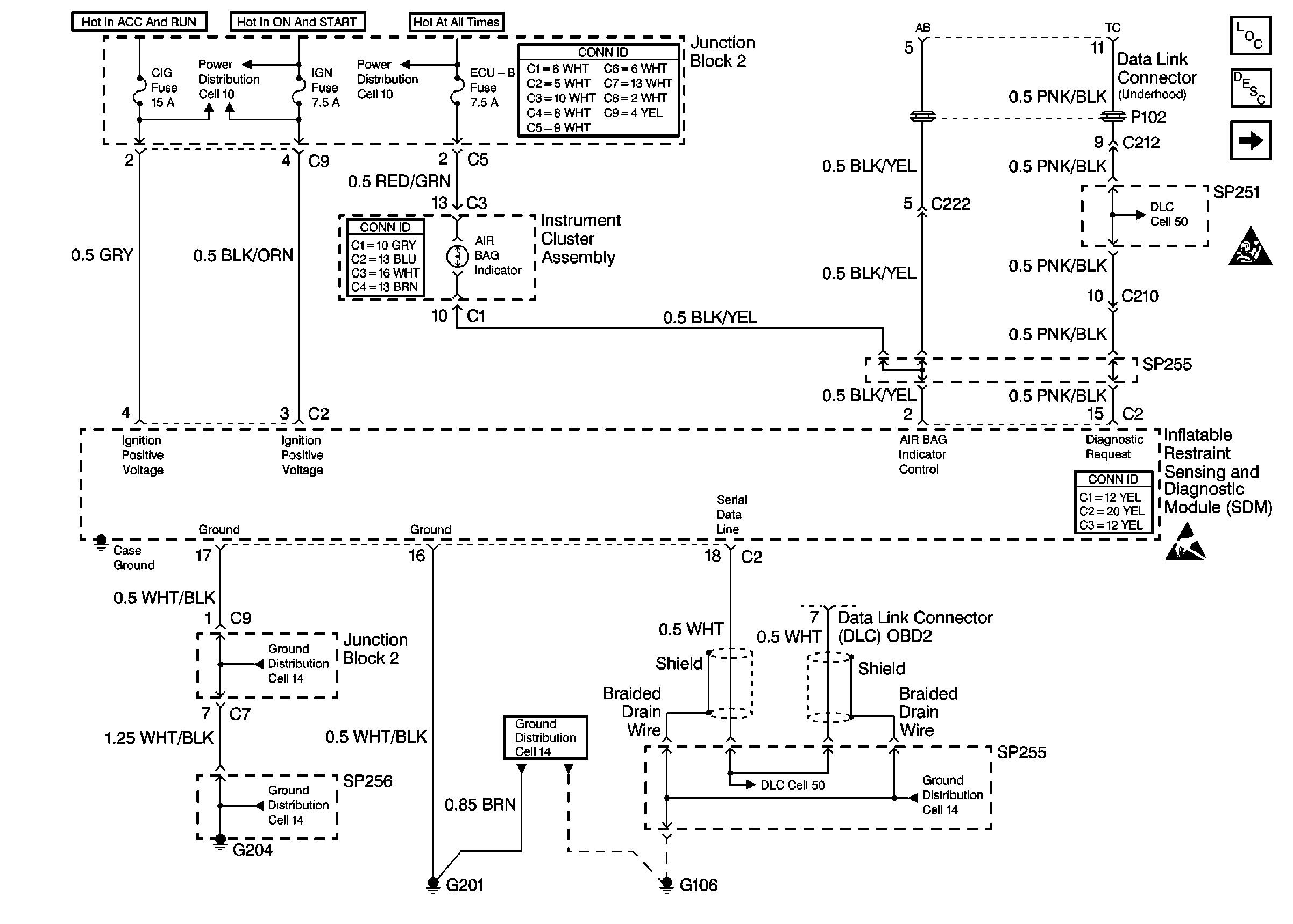
Cell 47: AIR BAG Indicator and Inflatable Restraint Sensing and Diagnostic Module


Object Number: 241073  Size: FS
SIR Components
SIR System Component Description and Definitions
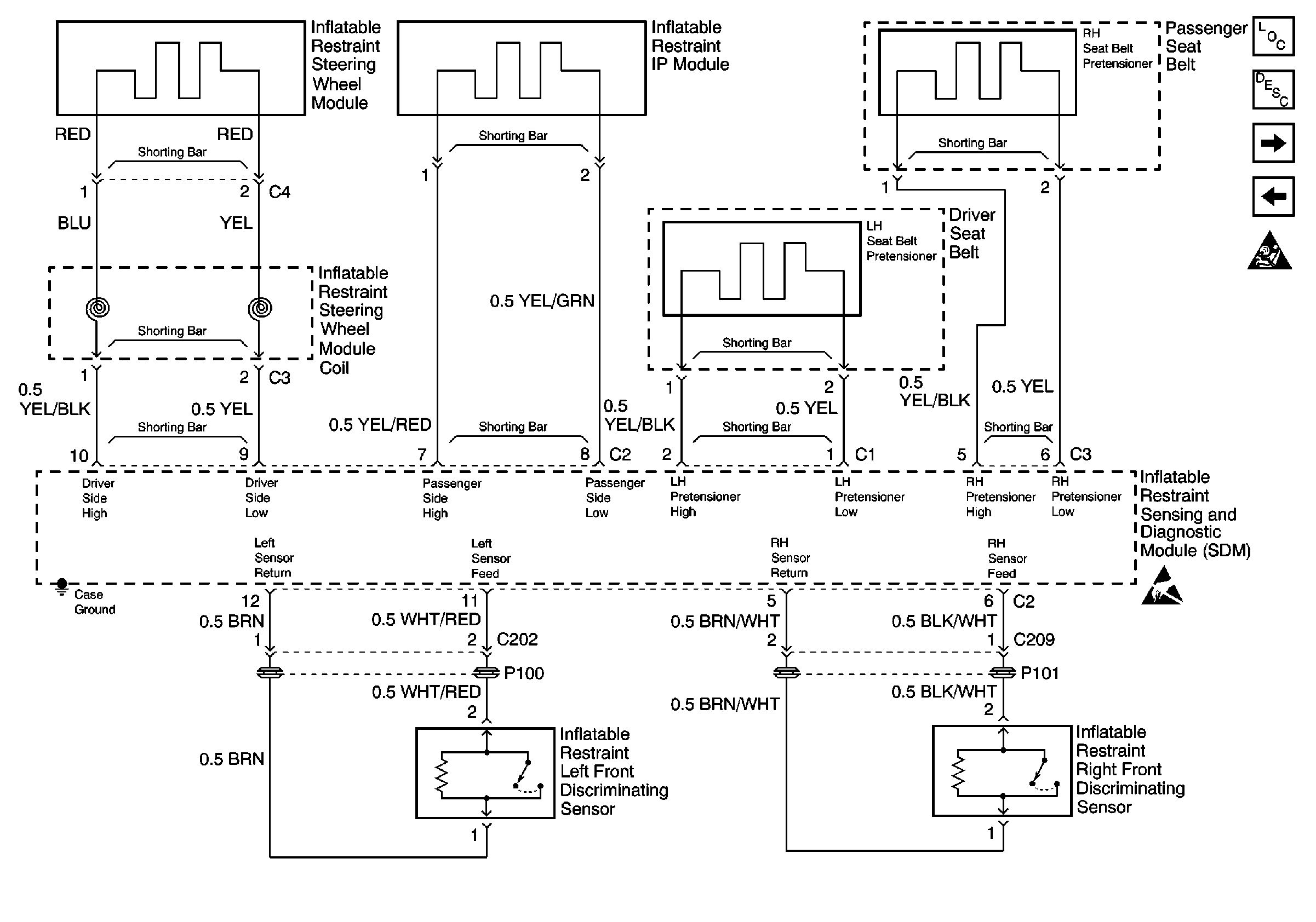
Cell 47: Inflatable Restraint Steering Wheel Module Coil, Inflatable Restraint Discriminating Sensors, and Seat Belts
Handling ESD Sensitive Parts Notice
SIR Caution
Cell 50: OBD II Connector
Cell 50:
Cell 14: G105 and G106 (1 of 2)
Cell 14: G204 and SP256
Cell 14: Junction Block 2
Cell 10: Ignition Switch, IGN Fuse, and ST Fuse
Cell 10: ABS, Alt, AMI, Def, D/L, ECU-B, HTR, ODB, Power, and Stop Fuses
Cell 14: G106 (2 of 2)
Figure 2:

Cell 47: Inflatable Restraint Steering Wheel Module Coil, Inflatable Restraint Discriminating Sensors, and Seat Belts


Object Number: 241078  Size: FS
SIR Components
SIR System Component Description and Definitions
Cell 47: Inflatable Restraint Seat Module and Inflatable Restraint Impact Sensors
Cell 47: AIR BAG Indicator and Inflatable Restraint Sensing and Diagnostic Module
Handling ESD Sensitive Parts Notice
SIR Caution
SIR Caution
SIR Caution
SIR Caution
SIR Caution
SIR Caution
SIR Caution
Figure 3:

Cell 47: Inflatable Restraint Seat Module and Inflatable Restraint Impact Sensors


Object Number: 241081  Size: FS
Cell 47: Inflatable Restraint Steering Wheel Module Coil, Inflatable Restraint Discriminating Sensors, and Seat Belts
SIR Components
SIR System Component Description and Definitions
Handling ESD Sensitive Parts Notice
SIR Caution
SIR Caution
SIR Caution
SIR Caution