GM Service Manual Online
For 1990-2009 cars only
Makes
🢒
Chevrolet
🢒
2000
🢒
Prizm
🢒
Body and Accessories
🢒
Instrument Panel, Gauges, and Console
🢒 Audible Warnings Schematics
Figure
1:
Ignition Key Alarm Switch, Door open Indicator, and Seat Belt Indicator
Instrument Cluster Components
Instrument Cluster Circuit Description
Tail Relay, Tail Relay Control, and Turn/Signal Combination Switch
Handling ESD Sensitive Parts Notice
Handling ESD Sensitive Parts Notice
ECU-IG, Turn, WIP Fuse
Alt-S, AM2, Dome, EFI, Hazard, Horn, and Main Fuses
Alt-S, AM2, Dome, EFI, Hazard, Horn, and Main Fuses
Alt-S, AM2, Dome, EFI, Hazard, Horn, and Main Fuses
Cell 14: G204 and SP256
Cell 14: Junction Block 3
Turn, High Beam, Defogger, Brake, and Seat Belt Indicator
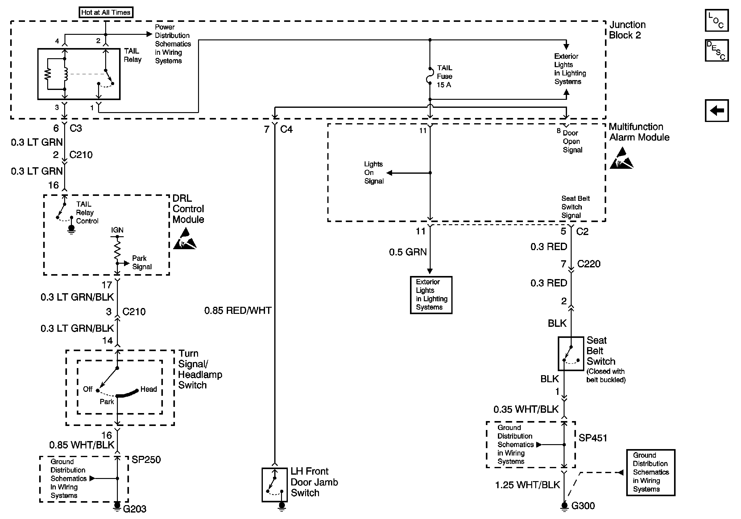
Figure
2:
Tail Relay, Tail Relay Control, and Turn/Signal Combination Switch
Instrument Cluster Components
Instrument Cluster Circuit Description
Ignition Key Alarm Switch, Door open Indicator, and Seat Belt Indicator
ABS, Alt, AM1, Def, D/L, ECU-B, HTR, OBD, Power, and Stop Fuses
Handling ESD Sensitive Parts Notice
Cell 14: G200, G203, SP250 and SP650
Cell 14: G300, G400, G301, and SP451
Cell 14: G300, G400, G301, and SP451
DRL Control Module, Remote Control Door Lock Receiver, Tail, and Light
DRL Control Module, Remote Control Door Lock Receiver, Tail, and Light