GM Service Manual Online
For 1990-2009 cars only
Makes
🢒
Chevrolet
🢒
2000
🢒
Prizm
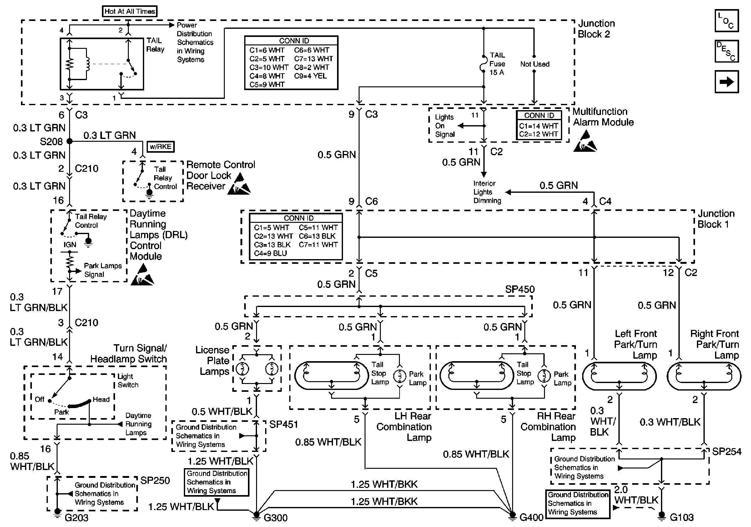
🢒 DRL Control Module, Remote Control Door Lock Receiver, Tail, and Light
DRL Control Module, Remote Control Door Lock Receiver, Tail, and Light
DRL Control Module, Remote Control Door Lock Reciever, Tail, and Light
Lighting Systems Component Views
Exterior Lights Circuit Description
Hazard Switch, Turn/Hazard Flasher, and Turn Signal Switch
Handling ESD Sensitive Parts Notice
Handling ESD Sensitive Parts Notice
Handling ESD Sensitive Parts Notice
Cell 10: ABS, Alt, AMI, Def, D/L, ECU-B, HTR, ODB, Power, and Stop Fuses
Cell 14: G200, G203, SP250 and SP650
Cell 14: G300, G400, G301, and SP451
Cell 14: G300, G400, G301, and SP451
Cell 14: Battery, G100, G101, G102, G103, and G104
Cell 14: SP254 and SP261
Cell 102: Light Switch, Dimmer Switch DRL Control Module
Cell 117: DRL Control Module, IP Lamp Dimmer, and Turn Signal/Combination Switch