GM Service Manual Online
For 1990-2009 cars only
Makes
🢒
Chevrolet
🢒
2000
🢒
Prizm
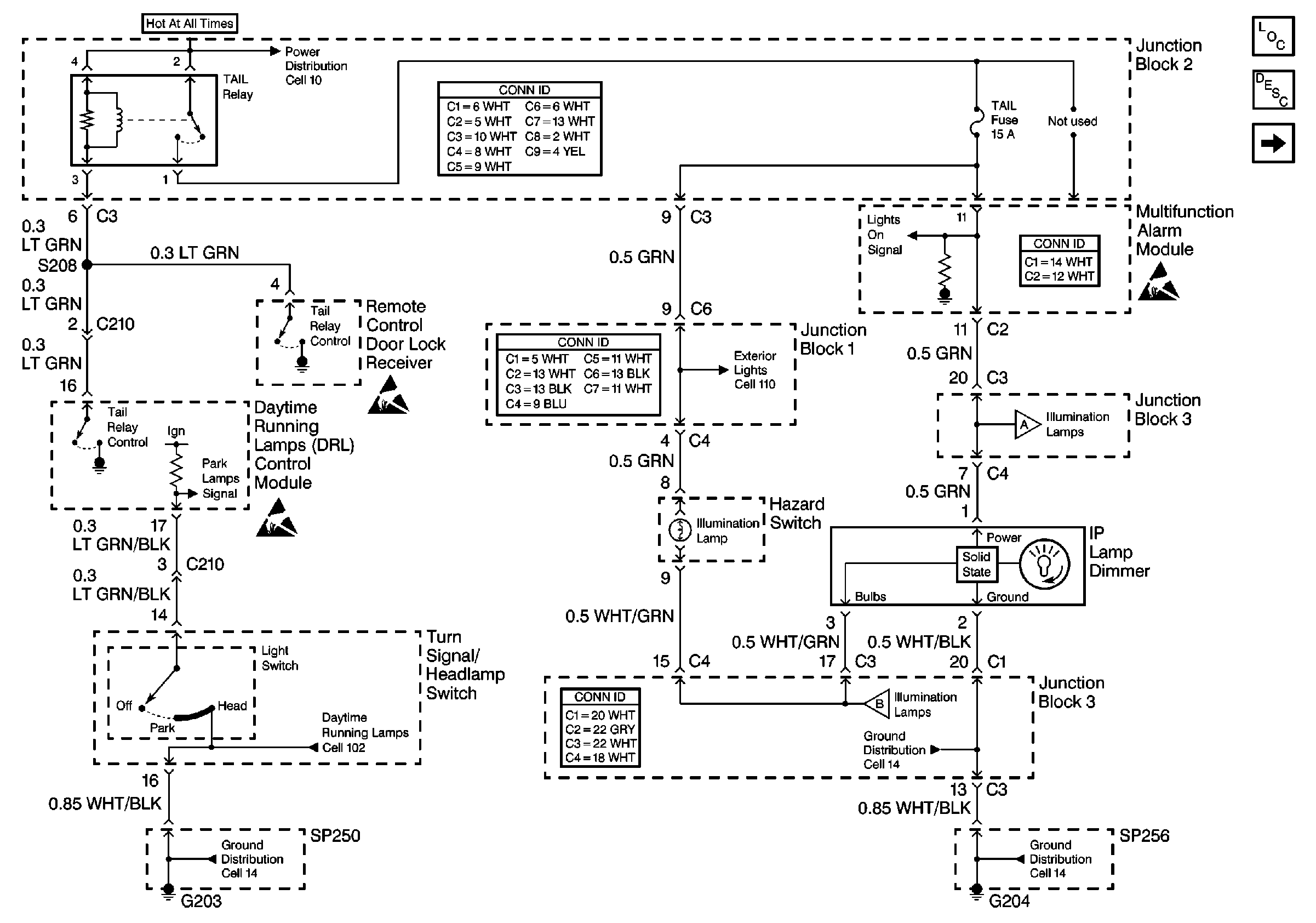
🢒 Cell 117: DRL Control Module, IP Lamp Dimmer, and Turn Signal/Combination Switch
Cell 117: DRL Control Module, IP Lamp Dimmer, and Turn Signal/Combination Switch
Cell 117: DRL Control Module, IP Lamp Dimmer, and Turn Signal/Combination Switch
Lighting Systems Components
Handling ESD Sensitive Parts Notice
Cell 117: Ashtray, Cigar Lighter, and Manual Selector Illumination Lamps
Interior Lights Circuit Description
Handling ESD Sensitive Parts Notice
Handling ESD Sensitive Parts Notice
Cell 110: DRL Control Module, Remote Control Door Lock Reciever, Tail, and Light
Cell 10: ABS, Alt, AMI, Def, D/L, ECU-B, HTR, ODB, Power, and Stop Fuses
Cell 102: Light Switch, Dimmer Switch DRL Control Module
Cell 14: G200, G203, SP250 and SP650
Cell 14: G204 and SP256
Cell 14: Junction Block 3