GM Service Manual Online
For 1990-2009 cars only
Makes
🢒
Chevrolet
🢒
2000
🢒
Prizm
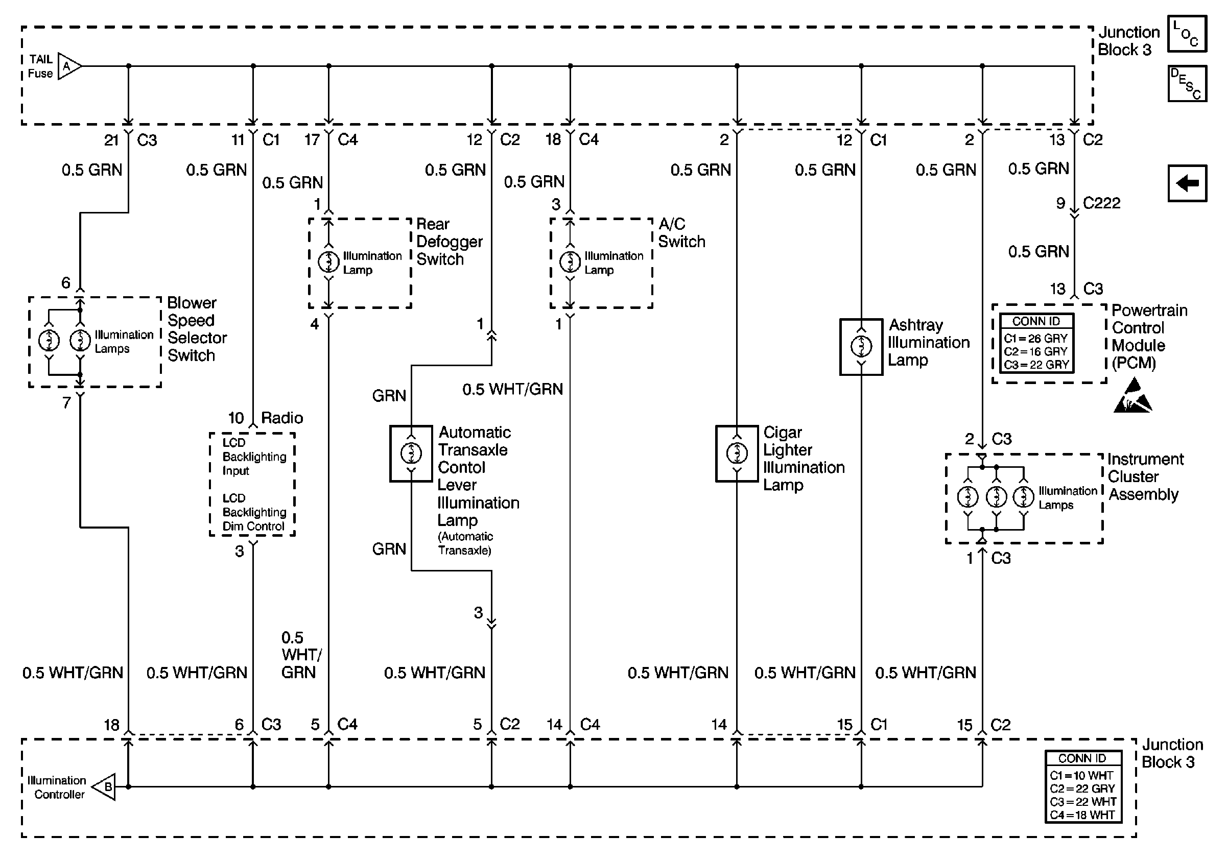
🢒 Cell 117: Ashtray, Cigar Lighter, and Manual Selector Illumination Lamps
Cell 117: Ashtray, Cigar Lighter, and Manual Selector Illumination Lamps
Cell 117: Ashtray, Cigar Lighter, and Manual Selector Illumination Lamps
Lighting Systems Components
Interior Lights Circuit Description
Cell 117: DRL Control Module, IP Lamp Dimmer, and Turn Signal/Combination Switch
Handling ESD Sensitive Parts Notice