GM Service Manual Online
For 1990-2009 cars only
Makes
🢒
Chevrolet
🢒
2000
🢒
Prizm
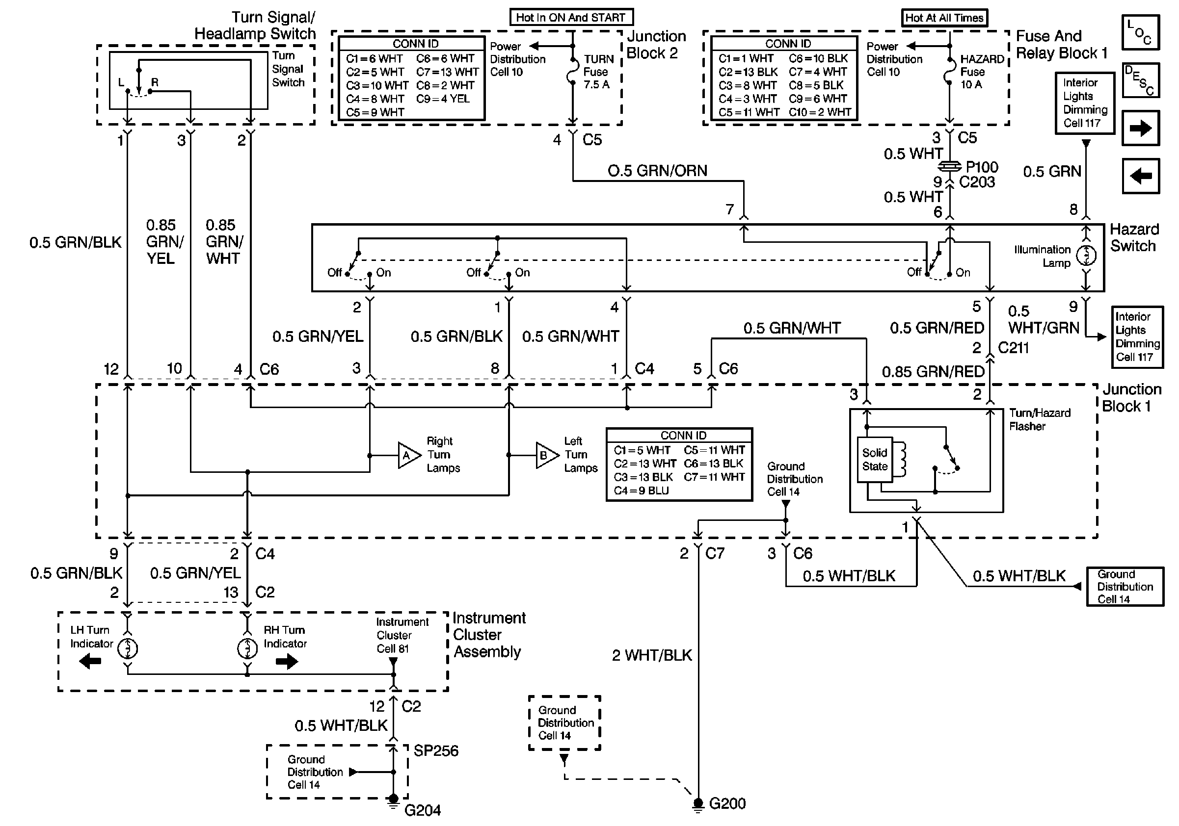
🢒 Cell 110: Hazard Switch, Turn/Hazard Flasher, and Turn Signal Switch
Cell 110: Hazard Switch, Turn/Hazard Flasher, and Turn Signal Switch
Cell 110: Hazard Switch, Turn/Hazard Flasher, and Turn Signal Switch
Lighting Systems Component Views
Exterior Lights Circuit Description
Cell 110: Lamps
Cell 110: DRL Control Module, Remote Control Door Lock Reciever, Tail, and Light
Cell 10: Alt-S, AM2, Dome, EFI, Hazard, Horn, and Main Fuses
Cell 10: Alt-S, AM2, Dome, EFI, Hazard, Horn, and Main Fuses
Cell 14: G200, G203, SP250 and SP650
Cell 14: G204 and SP256
Cell 14: G204 and SP256
Cell 14: G204 and SP256
Cell 117: Ashtray, Cigar Lighter, and Manual Selector Illumination Lamps
Cell 117: Ashtray, Cigar Lighter, and Manual Selector Illumination Lamps
Cell 81: Turn, High Beam, Defogger, Brake, and Seat Belt Indicator