GM Service Manual Online
For 1990-2009 cars only
Makes
🢒
Chevrolet
🢒
2000
🢒
Prizm
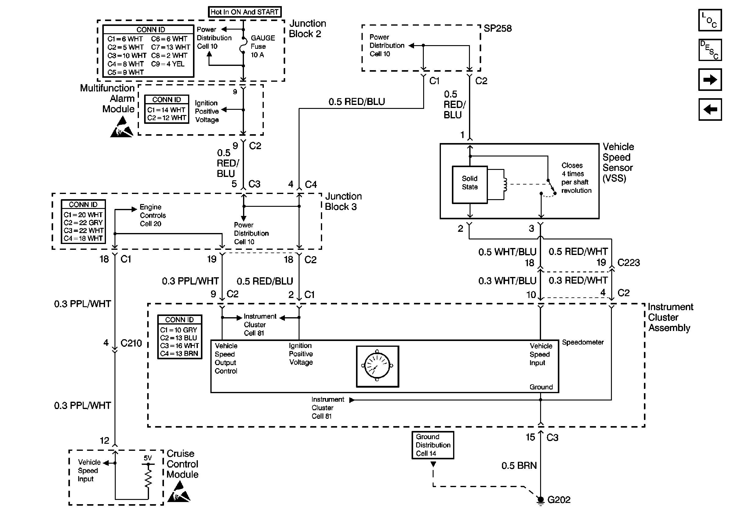
🢒 Cell 34: Vehicle Speed Sensor
Cell 34: Vehicle Speed Sensor
Cell 34: Vehicle Speed Sensor
Cruise Control Components
Cruise Control System Circuit Description
Cell 34: Cruise Control Servo, PNP Switch, CPP Interrupt Switch, and Stoplamp Switch
Cell 34: Cruise Control Switch, Cruise Control Module, And PCM
Handling ESD Sensitive Parts Notice
Handling ESD Sensitive Parts Notice
Cell 10: Gauge Fuse
Cell 10: Gauge Fuse
Cell 81: Gages, Speedometer, and Low Fuel Indicator
Cell 81: Gages, Speedometer, and Low Fuel Indicator
Cell 14: G201 and G202
Cell 20: MIL and DLC
Cell 10: Gauge Fuse