GM Service Manual Online
For 1990-2009 cars only
Makes
🢒
Chevrolet
🢒
2000
🢒
Prizm
🢒 Cell 81: Gages, Speedometer, and Low Fuel Indicator
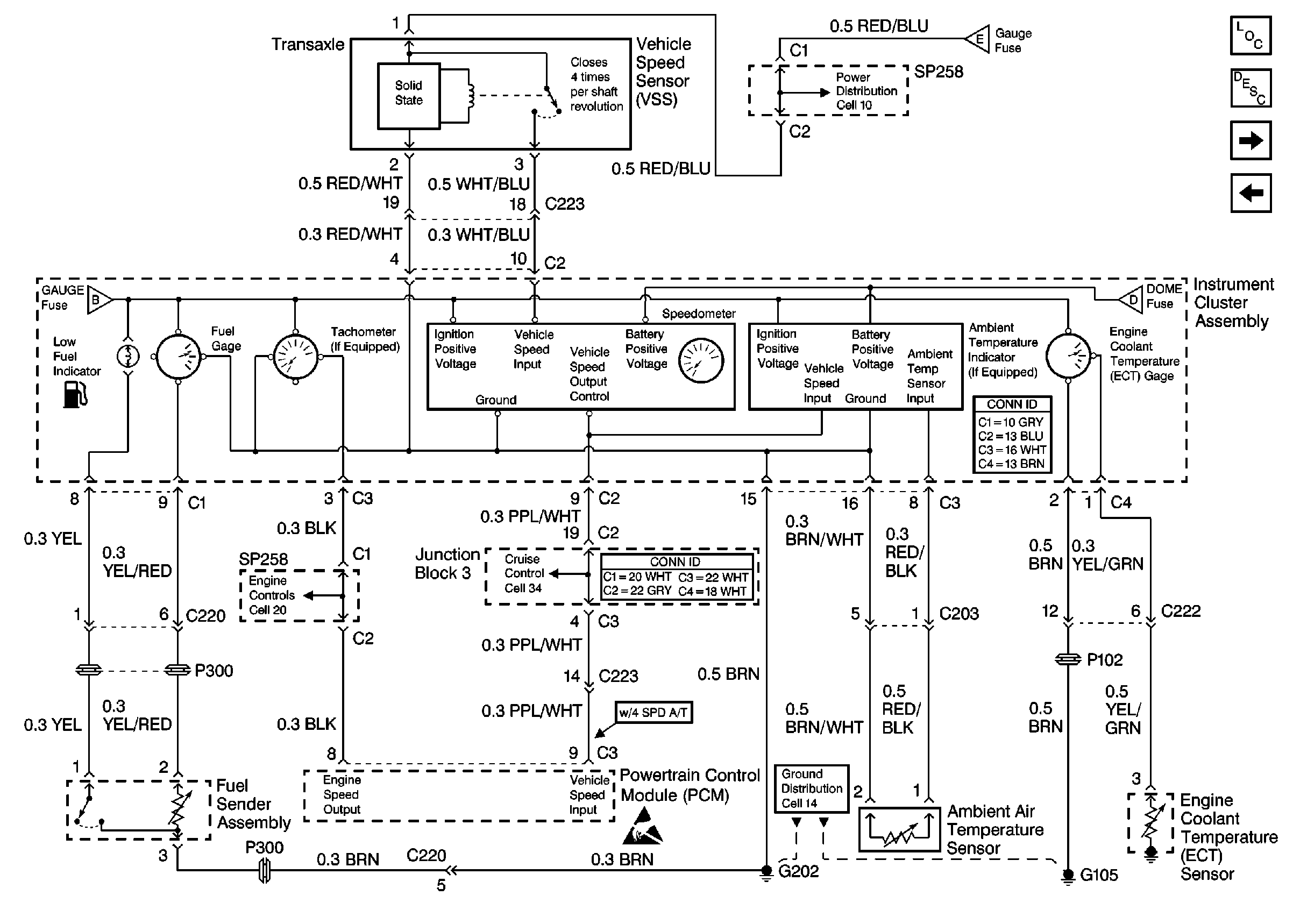
Cell 81: Gages, Speedometer, and Low Fuel Indicator
Cell 81: Gages, Speedometer, and Low Fuel Indicator
Instrument Panel, Gages, and Console Component Views
Instrument Cluster Circuit Description
Cell 81: Illumination Lamps, Door Open, Air Bag, and Charge Indicators
Cell 81: ABS, Oil Pressure, MIL, O/D OFF, and Cruise Indicators
Handling ESD Sensitive Parts Notice
Cell 10: Gauge Fuse
Cell 14: G105 and G106 (1 of 2)
Cell 20: Tachometer
Cell 34: Vehicle Speed Sensor