GM Service Manual Online
For 1990-2009 cars only
Makes
🢒
Chevrolet
🢒
2000
🢒
Prizm
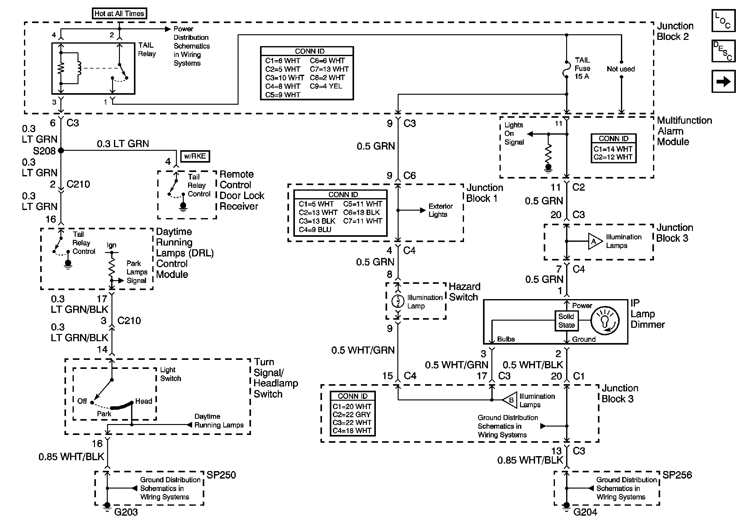
🢒 DRL Control Module, IP Lamp Dimmer, and Turn Signal/Combination Switch
DRL Control Module, IP Lamp Dimmer, and Turn Signal/Combination Switch
DRL Control Module, IP Lamp Dimmer, and Turn Signal/Combination Switch
Lighting Systems Component Views
Handling ESD Sensitive Parts Notice
Ashtray, Cigar Lighter, and Manual Selector Illumination Lamps
Interior Lighting Systems Description and Operation
Handling ESD Sensitive Parts Notice
Handling ESD Sensitive Parts Notice
Cell 110: DRL Control Module, Remote Control Door Lock Reciever, Tail, and Light
Cell 10: ABS, Alt, AMI, Def, D/L, ECU-B, HTR, ODB, Power, and Stop Fuses
Cell 102: Light Switch, Dimmer Switch DRL Control Module
Cell 14: G200, G203, SP250 and SP650
Cell 14: G204 and SP256
Cell 14: Junction Block 3