GM Service Manual Online
For 1990-2009 cars only
Makes
🢒
Chevrolet
🢒
2000
🢒
Prizm
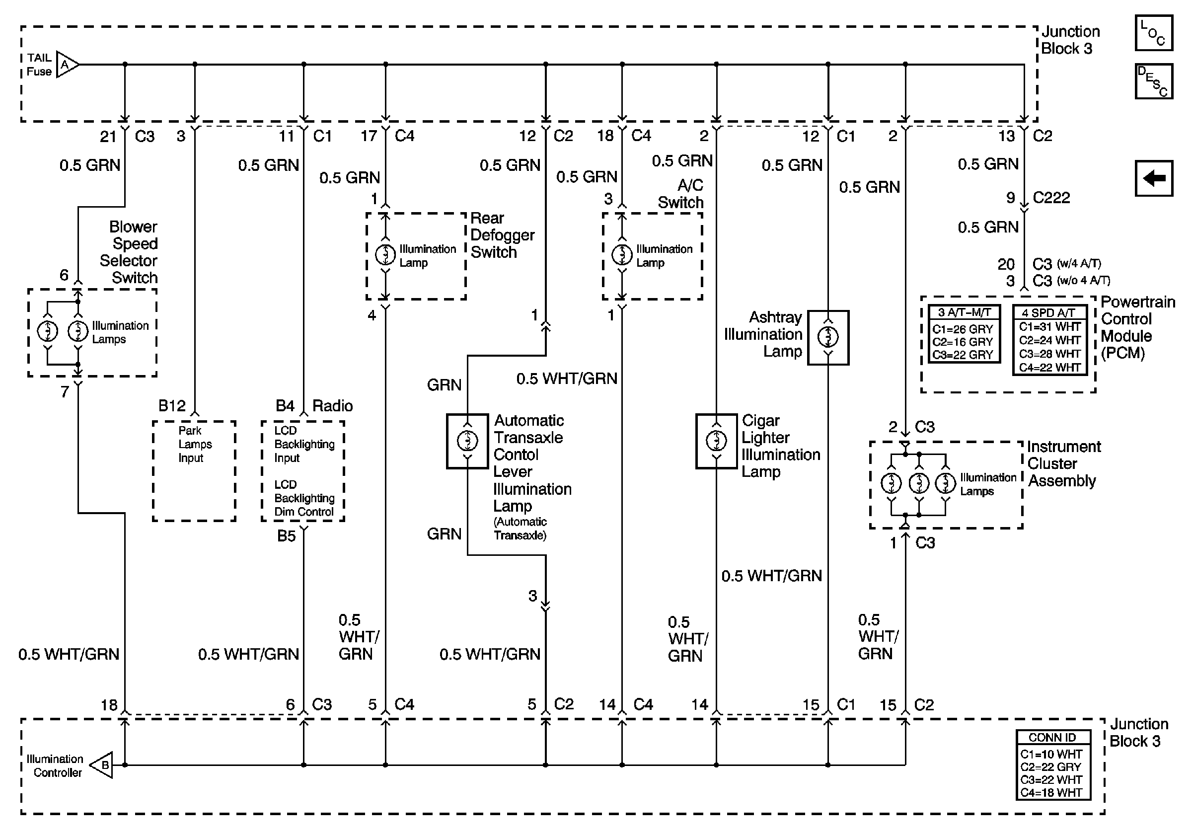
🢒 Ashtray, Cigar Lighter, and Manual Selector Illumination Lamps
Ashtray, Cigar Lighter, and Manual Selector Illumination Lamps
Ashtray, Cigar Lighter, and Manual Selector Illumination Lamps
Lighting Systems Component Views
Interior Lighting Systems Description and Operation
DRL Control Module, IP Lamp Dimmer, and Turn Signal/Combination Switch
Handling ESD Sensitive Parts Notice