GM Service Manual Online
For 1990-2009 cars only
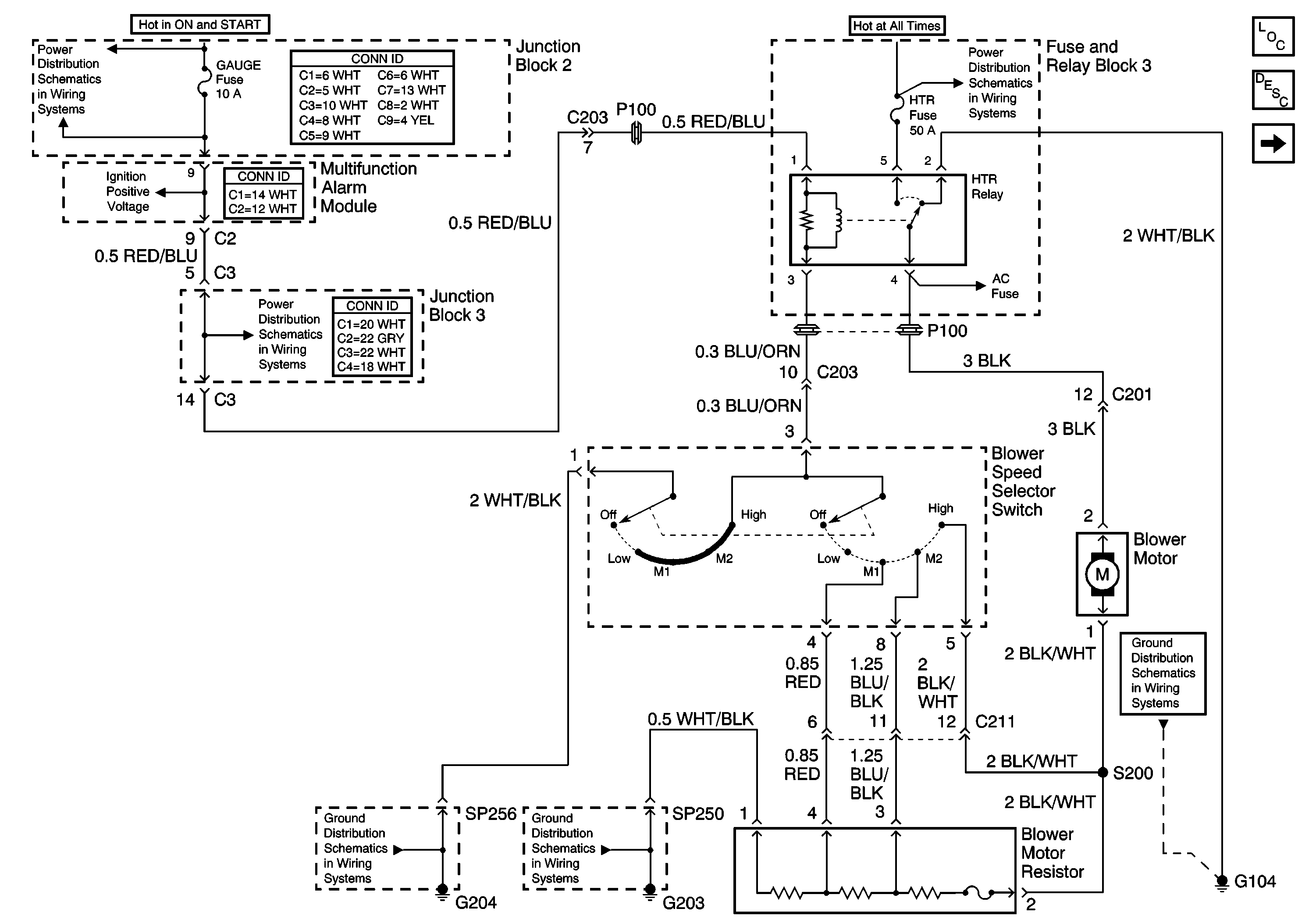
Figure 1:

Blower Control


Object Number: 688212  Size: FS
Master Electrical Component List
Air Delivery Description and Operation
Air Inlet Control
G100, G101, G102, G103, and G104
ABS, ALT, AMI, DEF, DYL, ECU-B, HTR, OBD, POWER and STOP Fuses
G200, G203, SP250, and SP650
G204, Junction Block 1, and SP256
Gauge Fuse
Gauge Fuse
Gauge Fuse
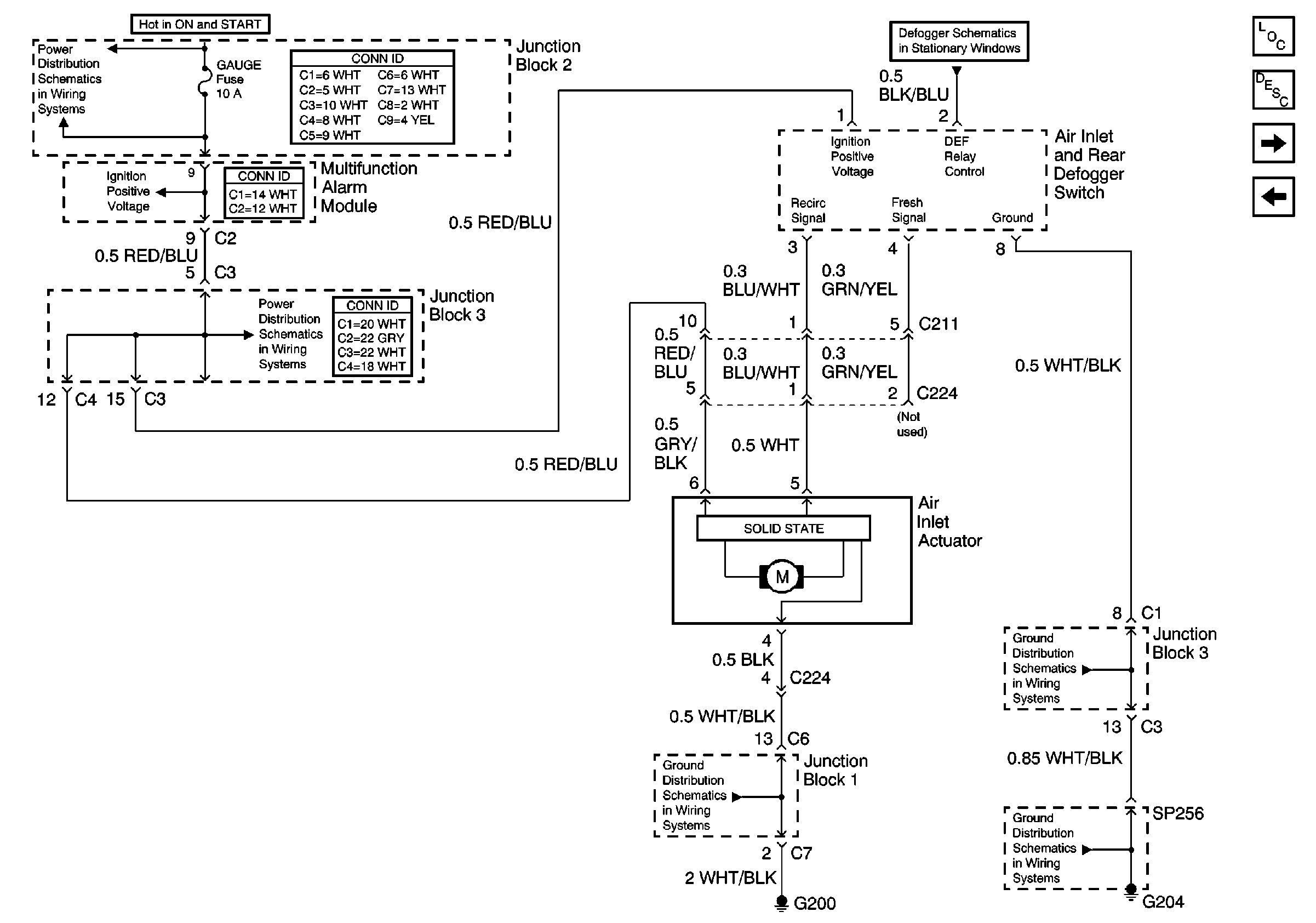
Figure 2:

Air Inlet Control


Object Number: 740324  Size: FS
Master Electrical Component List
Air Delivery Description and Operation
A/C Switch, A/C Compressor Control Module, and PCM
Blower Control
Rear Defogger
Junction Block 3
G204, Junction Block 1, and SP256
G204, Junction Block 1, and SP256
Gauge Fuse
Gauge Fuse
Gauge Fuse
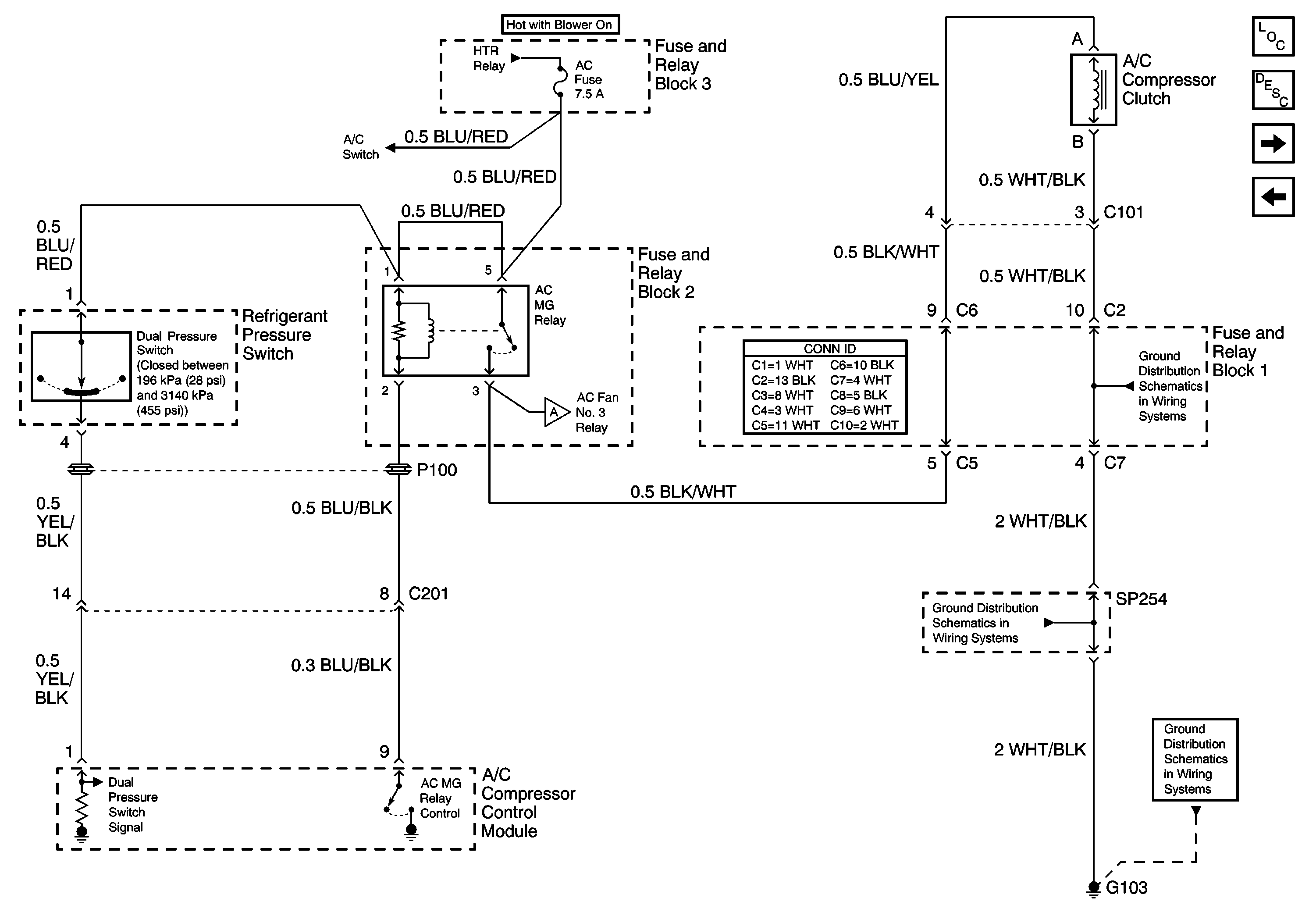
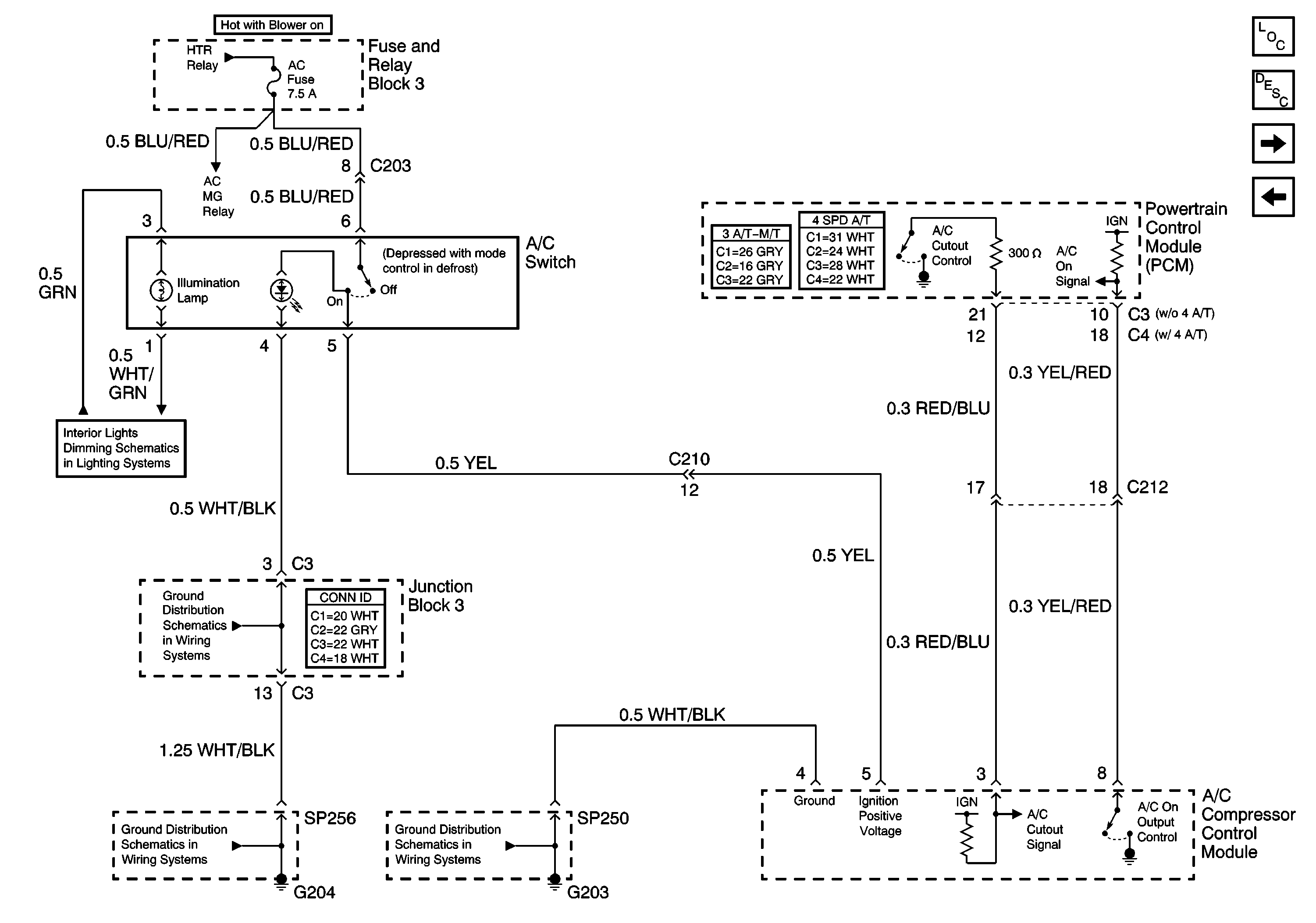
Figure 3:

A/C Switch, A/C Compressor Control Module, and PCM


Object Number: 688215  Size: FS
Master Electrical Component List
Air Temperature Description and Operation
A/C Switch, A/C Compressor Clutch, Compressor Control Module, and Refrigerant Pressure Switch
Blower Control
G200, G203, SP250, and SP650
G204, Junction Block 1, and SP256
Junction Block 3
A/T Control Lever Illumination Lamp
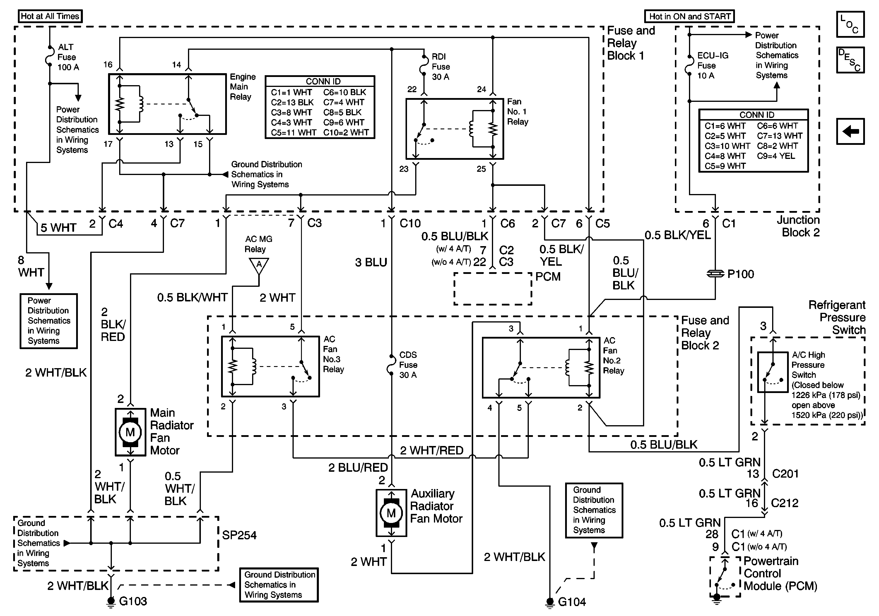
Figure 4:

A/C Switch, A/C Compressor Clutch, Compressor Control Module, and Refrigerant Pressure Switch


Object Number: 688221  Size: FS
Master Electrical Component List
Air Temperature Description and Operation
Cooling Fans
A/C Switch, A/C Compressor Control Module, and PCM
G100, G101, G102, G103, and G104
SP 254 and SP261
Cooling Fans
Figure 5:

Cooling Fans


Object Number: 688228  Size: FS
Master Electrical Component List
Air Temperature Description and Operation
A/C Switch, A/C Compressor Clutch, Compressor Control Module, and Refrigerant Pressure Switch
ECU-IG, TURN, and WIP Fuse
G100, G101, G102, G103, and G104
G100, G101, G102, G103, and G104
SP 254 and SP261
ABS, ALT, AMI, DEF, DYL, ECU-B, HTR, OBD, POWER and STOP Fuses
A/C Switch, A/C Compressor Clutch, Compressor Control Module, and Refrigerant Pressure Switch
SP 254 and SP261
ABS, ALT, AMI, DEF, DYL, ECU-B, HTR, OBD, POWER and STOP Fuses