GM Service Manual Online
For 1990-2009 cars only
Makes
🢒
Chevrolet
🢒
2001
🢒
Prizm
🢒
Body and Accessories
🢒
Lighting Systems
🢒 Headlights/Daytime Running Lights (DRL) Schematics
Figure
1:
DRL Control Module and Ambient Light Sensor
Master Electrical Component List
Exterior Lighting Systems Description and Operation
Turn Signal/Headlamp Switch
ALT-S, AM2, DOME, EFI, Hazard, Horn, and Main Fuses
ALT-S, AM2, DOME, EFI, Hazard, Horn, and Main Fuses
ALT-S, AM2, DOME, EFI, Hazard, Horn, and Main Fuses
G100, G101, G102, G103, and G104
CPP Switch, PNP Switch, and Park Brake Switch
Instrument Cluster Assembly
Gauge Fuse
Gauge Fuse
ABS, ALT, AMI, DEF, DYL, ECU-B, HTR, OBD, POWER and STOP Fuses
Figure
2:
Turn Signal/Headlamp Switch
Master Electrical Component List
Exterior Lighting Systems Description and Operation
LH Headlamp and RH Headlamp
DRL Control Module and Ambient Light Sensor
G200, G203, SP250, and SP650
Instrument Cluster Assembly
Instrument Cluster Assembly
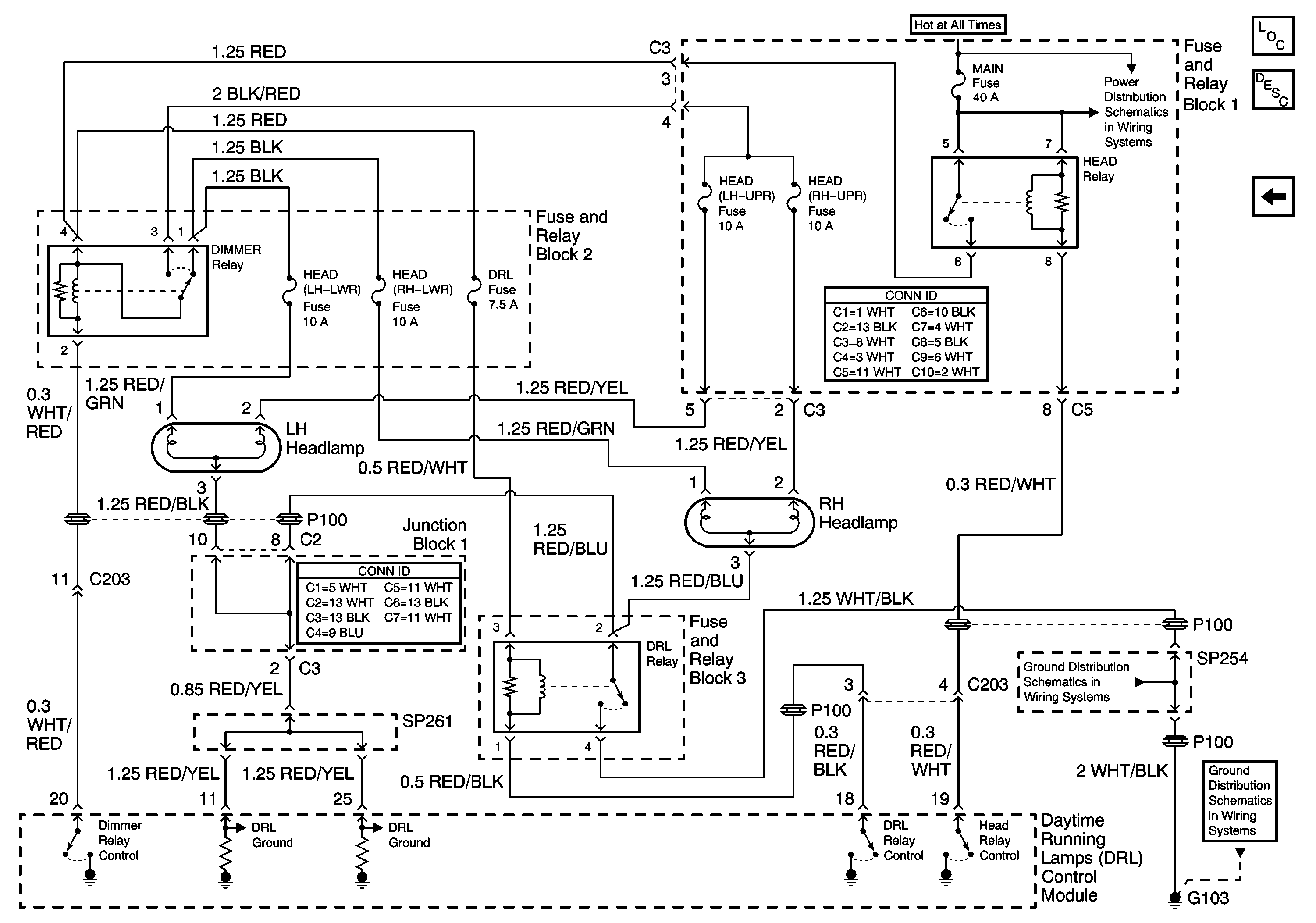
Figure
3:
LH Headlamp and RH Headlamp
Master Electrical Component List
Exterior Lighting Systems Description and Operation
Turn Signal/Headlamp Switch
ALT-S, AM2, DOME, EFI, Hazard, Horn, and Main Fuses
G100, G101, G102, G103, and G104
G100, G101, G102, G103, and G104