GM Service Manual Online
For 1990-2009 cars only
Figure 1:

G100, G101, G102, G103, and G104


Object Number: 688056  Size: FS
Master Electrical Component List
SP 254 and SP261
SP 254 and SP261
Figure 2:

SP 254 and SP261


Object Number: 688058  Size: FS
Master Electrical Component List
G105, G106 and S207
G100, G101, G102, G103, and G104
G100, G101, G102, G103, and G104
Figure 3:

G105, G106 and S207


Object Number: 688061  Size: FS
Master Electrical Component List
SP259
SP 254 and SP261
SP259
Figure 4:

SP259


Object Number: 688073  Size: FS
Master Electrical Component List
Junction Block 3
G105, G106 and S207
G105, G106 and S207
Figure 5:

Junction Block 3


Object Number: 688175  Size: FS
Master Electrical Component List
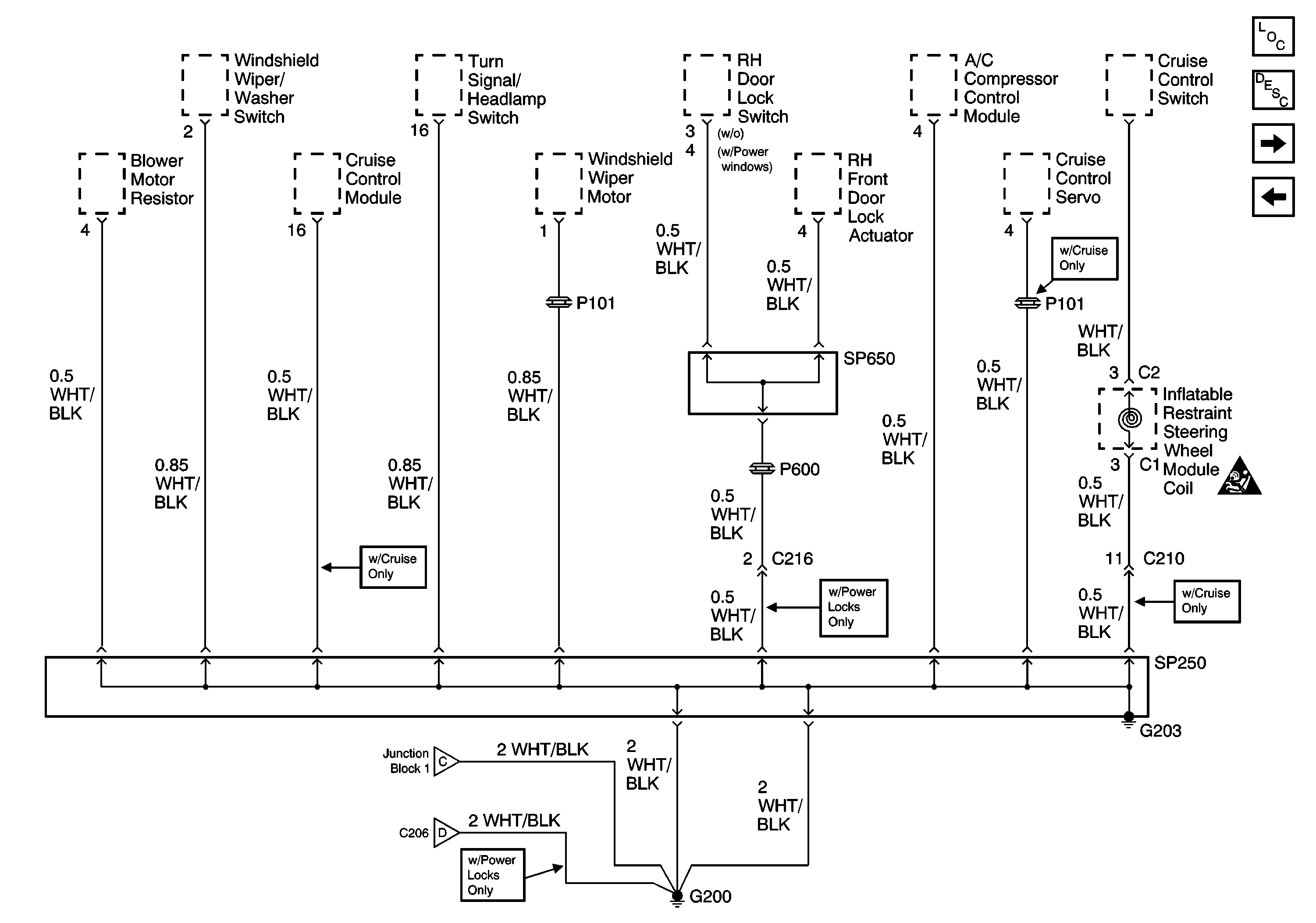
G200, G203, SP250, and SP650
SP259
G204, Junction Block 1, and SP256
Figure 6:

G200, G203, SP250, and SP650


Object Number: 688182  Size: FS
Master Electrical Component List
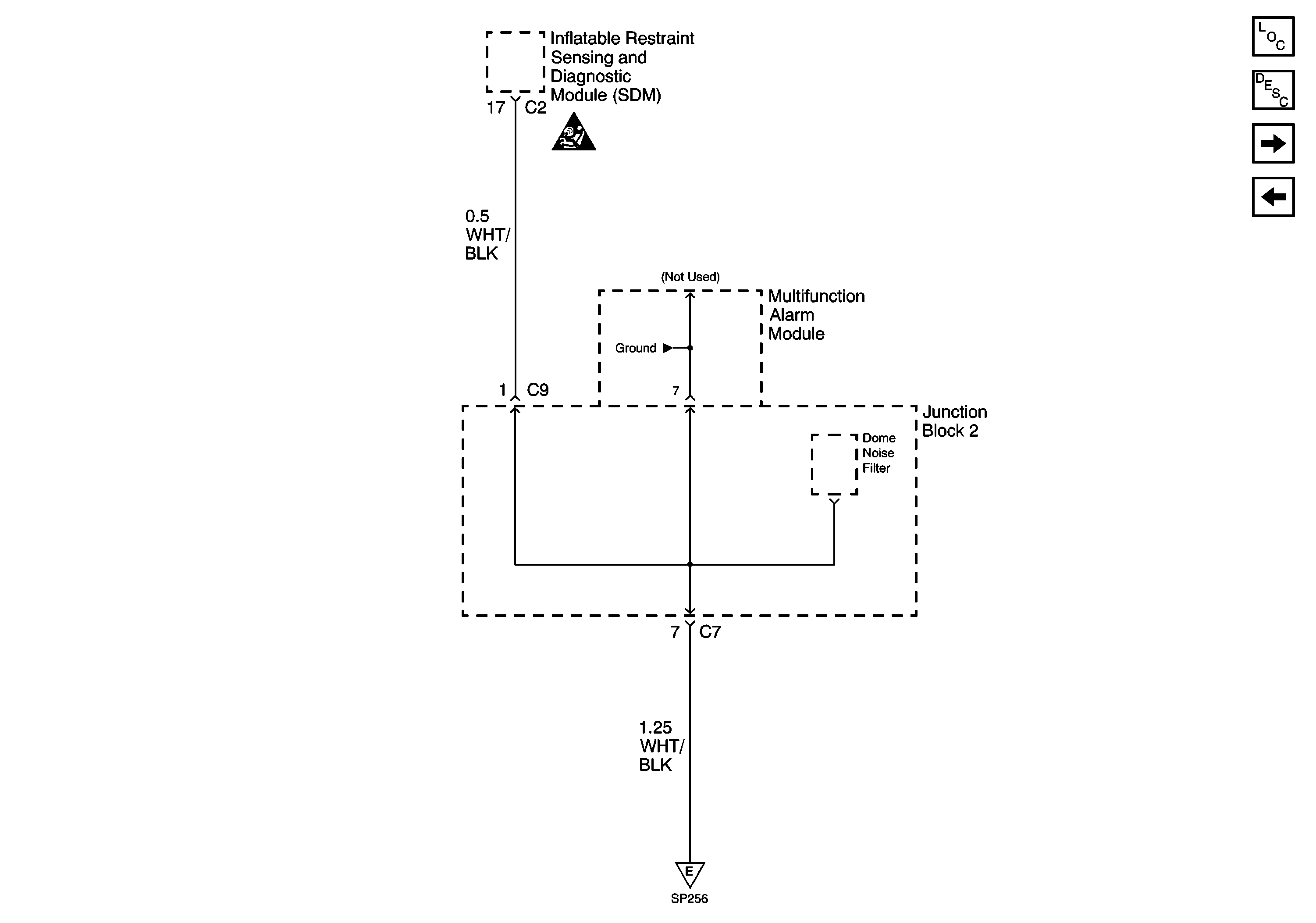
G204, Junction Block 1, and SP256
Junction Block 3
SIR Handling Caution
G204, Junction Block 1, and SP256
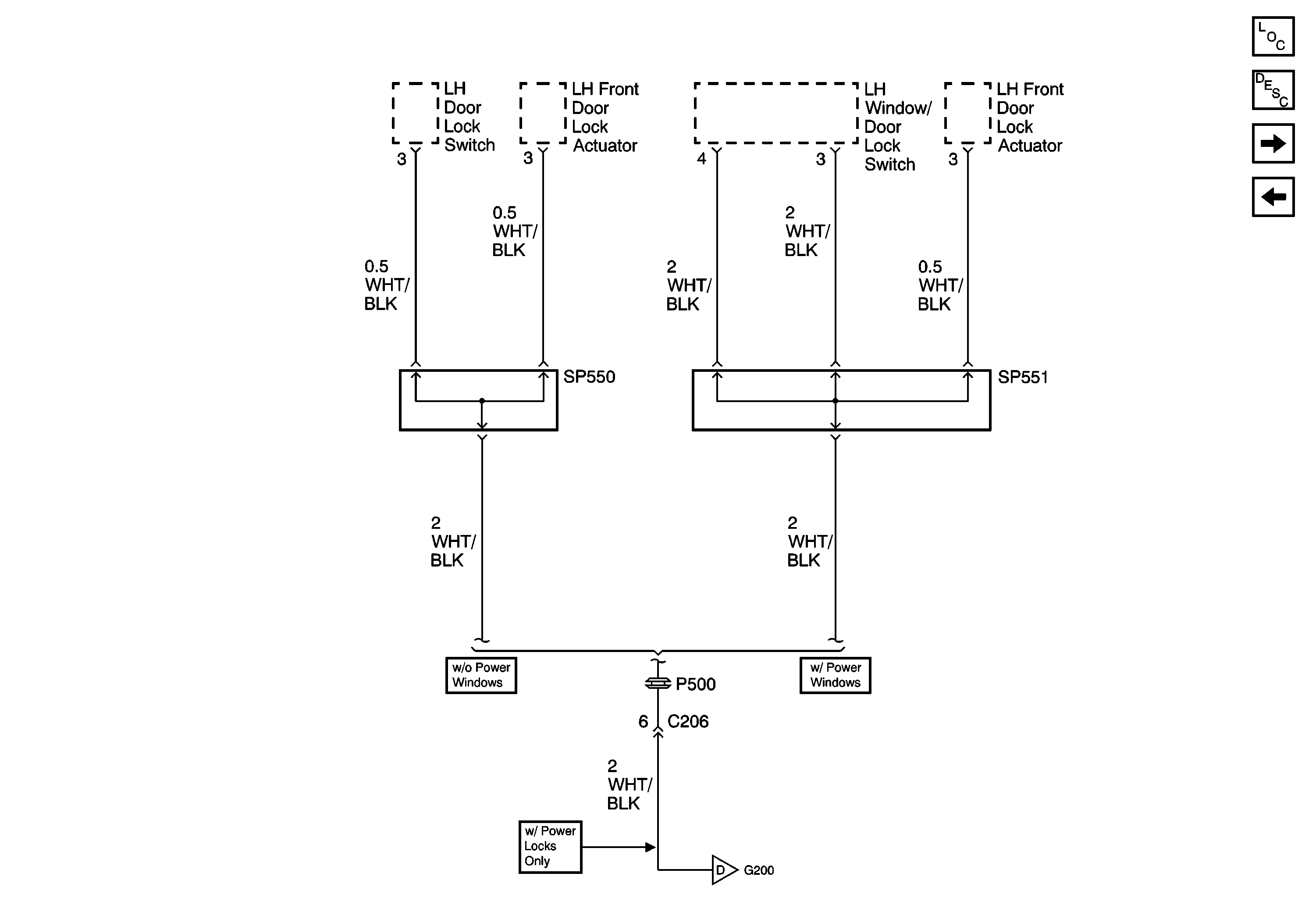
SP550 and SP551
Figure 7:

G204, Junction Block 1, and SP256


Object Number: 688184  Size: FS
Master Electrical Component List
SP550 and SP551
G200, G203, SP250, and SP650
G200, G203, SP250, and SP650
Junction Block 2
Junction Block 3
Figure 8:

SP550 and SP551


Object Number: 688192  Size: FS
Master Electrical Component List
Junction Block 2
G204, Junction Block 1, and SP256
G200, G203, SP250, and SP650
Figure 9:

Junction Block 2


Object Number: 688198  Size: FS
Master Electrical Component List
G201 and G202
SP550 and SP551
SIR Handling Caution
G204, Junction Block 1, and SP256
Figure 10:

G201 and G202


Object Number: 688200  Size: FS
Master Electrical Component List
G300, G301, G400, and SP451
Junction Block 2
SIR Handling Caution
Figure 11:

G300, G301, G400, and SP451


Object Number: 688206  Size: FS
Master Electrical Component List
G201 and G202