GM Service Manual Online
For 1990-2009 cars only
Makes
🢒
Chevrolet
🢒
2001
🢒
Prizm
🢒 Cruise Control Module and Cruise Control Switch
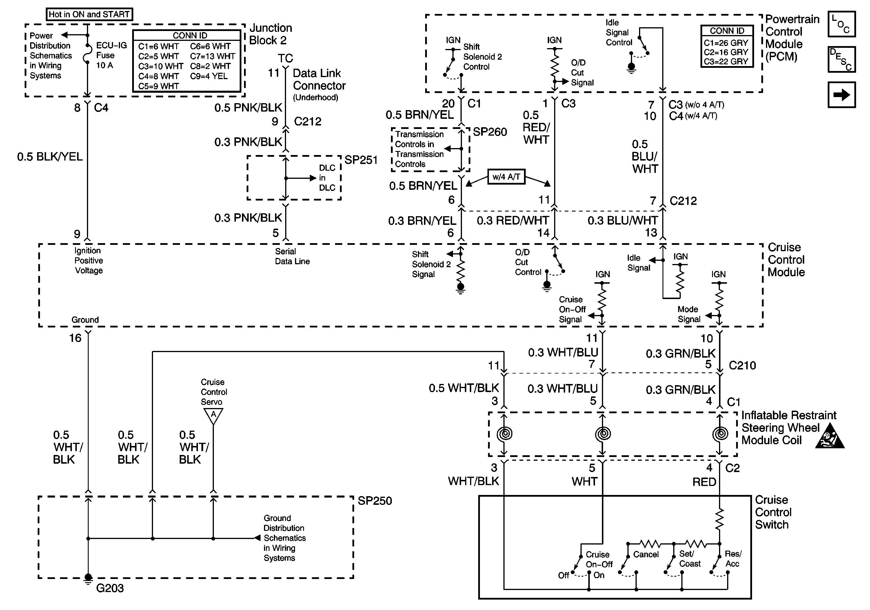
Cruise Control Module and Cruise Control Switch
Cruise Control Module and Cruise Control Switch
Master Electrical Component List
Cruise Control Description and Operation
Vehicle Speed Sensor
SIR Handling Caution
G200, G203, SP250, and SP650
Cruise Control Servo and Stoplamp Switch
Data Link Connector (DLC) Underhood
EFI Relay and PCM
ECU-IG, TURN, and WIP Fuse