GM Service Manual Online
For 1990-2009 cars only
Makes
🢒
Chevrolet
🢒
2001
🢒
Prizm
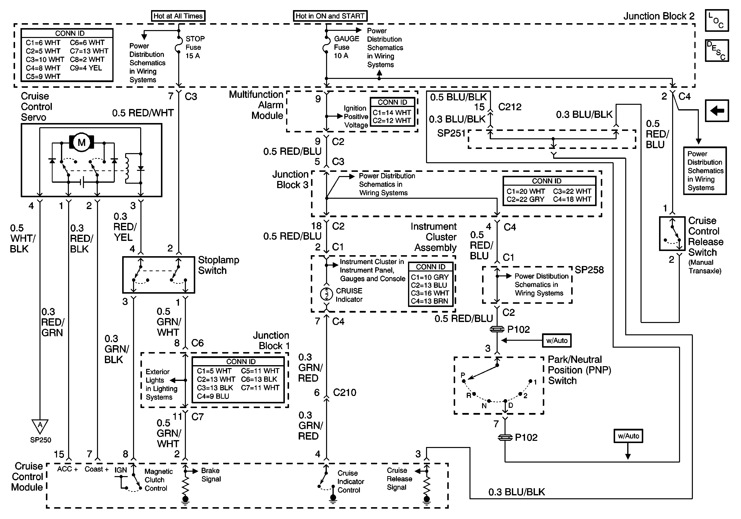
🢒 Cruise Control Servo and Stoplamp Switch
Cruise Control Servo and Stoplamp Switch
Cruise Control Servo and Stoplamp Switch
Master Electrical Component List
Cruise Control Description and Operation
OBD II Symbol Description Notice
Gauge Fuse
Gauge Fuse
Gauge Fuse
Gauge Fuse
Oil Pressure Switch
Cruise Control Module, Shift Lock Control Module, and Stoplamp Switch
Cruise Control Module and Cruise Control Switch
ABS, ALT, AMI, DEF, DYL, ECU-B, HTR, OBD, POWER and STOP Fuses