GM Service Manual Online
For 1990-2009 cars only

Evaporative Emission Control System Diagnosis EVAP System Check


Object Number: 56117  Size: LF
Engine Controls Components
IAC Valve, EVAP and EGR Controls
OBD II Symbol Description Notice
Engine Controls Connector End Views
Handling ESD Sensitive Parts Notice
Handling ESD Sensitive Parts Notice

Circuit Description

Applying a vacuum to the EVAP system and monitoring for a vacuum decay checks the evaporative emission system. The Control Module monitors the vacuum level through the fuel tank vacuum sensor signal. At an appropriate time, the EVAP canister purge valve and the EVAP vent solenoid turn ON, allowing the engine to draw a small vacuum on the entire evaporative emission system. After the desired vacuum level has been achieved, the EVAP canister purge valve turns OFF, sealing the system. A leak is detected by monitoring for a decrease in the vacuum level over a given time period, when all other variables remain constant. A leak, a blockage, or a malfunctioning component in the system causes a DTC to set.

Diagnostic Aids

Check for the following conditions:

    • Poor connection at the Control Module. Inspect the harness connectors for the following conditions:
       - Backed out terminals
       - Improper mating
       - Broken locks
       - Improperly formed or damaged terminals
       - Poor terminal to wire connections.
    • A damaged harness. Inspect the wiring harness for damage. If the harness appears to be OK, observe the Fuel Tank Vacuum display on the scan tool while moving connectors and wiring harnesses related to the sensor. A change in the display will indicate the location of the fault.
    • An incorrect purge or vacuum source line routing. Verify that the source vacuum and purge lines to the EVAP canister purge valve are not switched.

Refer to Carbon Particle Removal from EVAP System before starting repairs.

Evaporative Emission System Check

Step

Action

Value(s)

Yes

No

1

Was the Powertrain On-Board Diagnostic (OBD) System Check performed?

--

Go to Step 2

Go to

Powertrain On Board Diagnostic (OBD) System Check

2

Are any DTCs set?

--

Go to DTC Diagnostic Tables first

Go to Step 3

3

  1. Turn the ignition switch ON.
  2. Remove the fuel cap.
  3. Observe Fuel Tank Pressure on the scan tool.

Is Fuel Tank Pressure at the specified value?

0 in H2O (1 in H2O)

Go to Step 4

Go to

Evaporative Emission Control System Diagnosis

4

Important:: Before continuing with diagnosis, zero the EVAP Pressure and Vacuum gages on EVAP pressure/purge cart J 41413 (refer to tool operating instructions).

  1. Reinstall the fuel cap.
  2. Using the scan tool, command the EVAP vent solenoid ON (Closed).
  3. Connect the EVAP pressure/purge cart J 41413 to the EVAP service port.
  4. Pressurize the EVAP system to the first specified value using the EVAP pressure/purge cart J 41413 (monitor pressure using gage on cart).
  5. Observe Fuel Tank Pressure on the scan tool.

Is Fuel Tank Pressure at the second specified value?

5 in H2O

5 in H2O (± 2 in H2O)

Go to Step 5

Go to

Evaporative Emission Control System Diagnosis

5

Observe EVAP System Pressure on the EVAP pressure/purge cart J 41413 while commanding the vent solenoid OFF (Open).

Does EVAP System Pressure decrease to the specified value within 5 seconds?

0 in. H2O

Go to Step 6

Go to

DTC P0446 Evaporative Emission (EVAP) Vent System Performance

6

  1. Start the engine.
  2. Remove the fuel cap.
  3. Using a scan tool, command the EVAP vent solenoid ON (closed) and the EVAP canister purge valve OFF (0%).
  4. Replace the fuel cap.
  5. Raise the engine RPMs to the specified value.
  6. Monitor Fuel Tank Pressure on the scan tool for at least 5 seconds.

Is Fuel Tank Pressure decreasing?

1500 RPM

Go to

DTC P1441 Evaporative Emission (EVAP) System Flow During Non-Purge

Go to Step 7

7

  1. Using a scan tool, command the EVAP vent solenoid ON (closed) and the EVAP canister purge valve ON (100%).
  2. Raise the engine RPM's to the specified value.
  3. Monitor Fuel Tank Pressure on the scan tool for at least 5 seconds.

Is Fuel Tank Pressure decreasing?

1500 RPM

System OK. If a driveability symptom exists, refer to Symptoms

Go to

DTC P0440 Evaporative Emission (EVAP) System

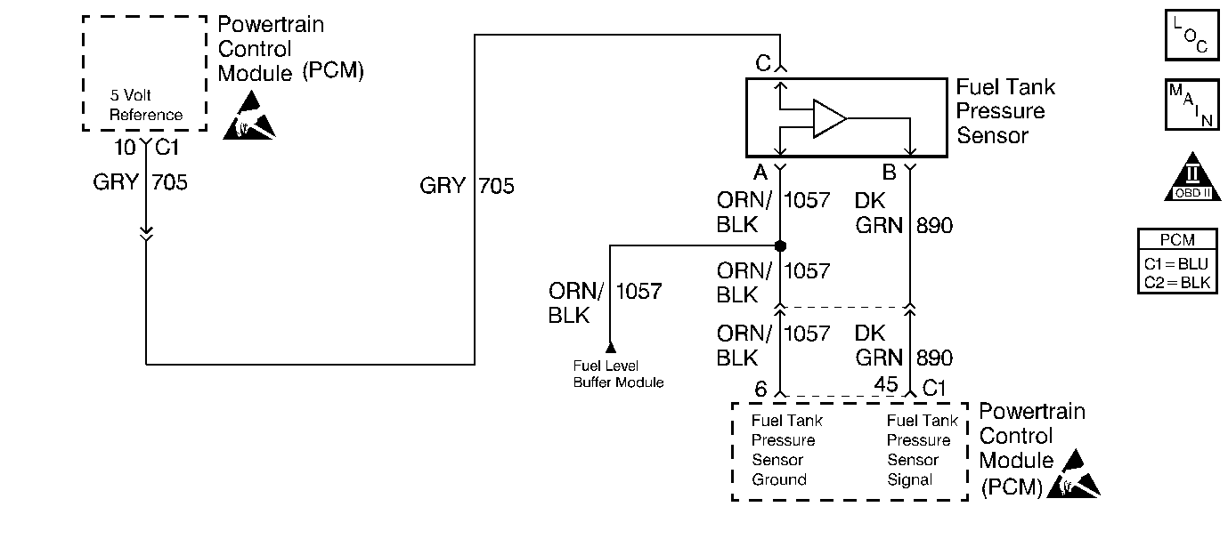
Evaporative Emission Control System Diagnosis Fuel Tank Pressure Sensor


Object Number: 56088  Size: SF
Engine Controls Components
Engine Data Sensors
OBD II Symbol Description Notice
Engine Controls Connector End Views
Handling ESD Sensitive Parts Notice
Handling ESD Sensitive Parts Notice

Circuit Description

The fuel tank vapor pressure sensor is used in order to detect a vacuum decay or an excessive vacuum during the EVAP diagnostic routine. The sensor responds to the changes in the fuel tank pressure or vacuum. The signal voltage to the Control Module varies from a minimum of about 0.2 volts with pressure in the fuel tank to above 4 volts with a high vacuum in the fuel tank.

The Fuel Tank Vacuum display on the scan tool has an auto zero feature which occurs at each ignition cycle and is corrected according to the barometric pressure. Because of this, the Fuel Tank Vacuum may not accurately reflect the actual output of the sensor or the conditions within the fuel tank.

The Fuel Tank Vapor Pressure Sensor Diagnosis Table is intended to isolate and diagnose the electrical problems in the sensor wiring or the sensor.

Diagnostic Aids

Check for the following conditions:

    • Inspect the Control Module harness connectors for the following conditions:
       - Improper mating
       - Broken locks
       - Improperly formed
       - Damaged terminals
    • Inspect the wiring harness for damage. If the harness appears to be OK, observe the Fuel Tank Vacuum display on the scan tool while moving the connectors and the wiring harnesses related to the sensor. A change in the display will indicate the location of the fault.

Refer to Carbon Particle Removal from EVAP System before starting repairs.

Test Description

  1. The Powertrain OBD System Check prompts the technician to use the Capture Info selection on the scan tool. This creates an electronic copy of the freeze frame data taken when the malfunction occurred. The information is then stored in the scan tool for later reference.

  2. Refer to the Fuel Tank Replacement portion of the service manual for the fuel tank removal procedure.

  3. A normal fuel tank pressure sensor voltage output with no pressure or vacuum on the fuel system should be between 1.3 V and 1.7 V.

  4. The replacement PCMs must be reprogrammed and the crankshaft position system variation procedure must be preformed. Refer to the latest Techline procedure for the PCM reprogramming and also refer to the Powertrain Control Module (PCM) for the Crankshaft variation learn procedure .

Fuel Tank Pressure Sensor Diagnosis

Step

Action

Value(s)

Yes

No

1

Was the Powertrain On-Board Diagnostic (OBD) System Check performed?

--

Go to Step 2

Go to Powertrain On Board Diagnostic (OBD) System Check

2

  1. Disconnect the fuel tank pressure sensor electrical connector.
  2. Using a DVM, measure the voltage between the 5.0 volt reference circuit and the sensor ground circuit at the fuel tank pressure sensor harness electrical connector.

Is the voltage near the specified value?

5.0V

Go to Step 6

Go to Step 3

3

Connect the DVM to ground and probe the 5.0 volt reference circuit for the specified voltage.

Is the voltage near the specified value?

5.0V

Go to Step 9

Go to Step 4

4

Check the 5.0 volt reference circuit for a poor electrical terminal connection at the PCM.

Was a problem found?

--

Go to Step 11

Go to Step 5

5

Check for an open or a grounded 5.0 volt reference circuit to the fuel tank pressure sensor harness electrical connector.

Was a problem found?

--

Go to Step 13

Go to Step 15

6

  1. Remove the fuel cap.
  2. Using the correct test adapter from connector test adapter kit J 35616-A, connect a jumper wire between the 5.0 volt reference circuit at the fuel tank pressure sensor pigtail and the 5.0 volt reference circuit at the harness electrical connector (PCM side).
  3. Connect a second jumper wire between the sensor ground circuit at the fuel tank pressure sensor pigtail and the sensor ground circuit at the harness electrical connector (PCM side).
  4. Using a DVM, measure the voltage at the fuel tank pressure sensor signal circuit at the fuel tank pressure sensor pigtail.

Is the voltage between the specified values?

1.3-1.7V

Go to Step 7

Go to Step 14

7

Check the fuel tank pressure sensor signal circuit for a poor electrical terminal connection at the PCM and repair as necessary.

Was a repair necessary?

--

Go to Step 12

Go to Step 8

8

Check the fuel tank pressure signal circuit between the fuel tank pressure sensor electrical connector and the PCM for an open, short to ground, or short to voltage and repair as necessary.

Was a repair necessary?

--

Go to Step 13

Go to Step 15

9

Check the fuel tank pressure sensor ground circuit for a poor electrical terminal connection at the PCM and repair as necessary.

Was a repair necessary?

--

Go to Step 12

Go to Step 10

10

Check for an open in the fuel tank pressure sensor ground circuit.

Was a problem found?

--

Go to Step 13

Go to Step 15

11

Check for a poor electrical terminal connection at the fuel tank pressure sensor electrical connector and repair as necessary.

Was a repair necessary?

--

Go to Step 12

Go to Step 14

12

Replace the malfunctioning harness connector electrical terminals as necessary.

Is the action complete?

--

Go to Evaporative Emission Control System Diagnosis

--

13

Locate and repair an open or short to ground in the wiring harness as necessary.

Is the action complete?

--

Go to Evaporative Emission Control System Diagnosis

--

14

Replace the fuel tank pressure sensor.

Is the action complete?

--

Go to Evaporative Emission Control System Diagnosis

--

15

Replace the PCM.

Is the action complete?

--

Go to Evaporative Emission Control System Diagnosis

--

Evaporative Emission Control System Diagnosis Visual Check Of EVAP Canister

If cracked or damaged, replace canister. Refer to EVAP Canister Replacement .