GM Service Manual Online
For 1990-2009 cars only
Makes
🢒
Chevrolet
🢒
2000
🢒
S10 Pickup - 2WD
🢒
Body and Accessories
🢒
Retained Accessory Power
🢒 Retained Accessory Power (RAP) Schematics
Figure
1:
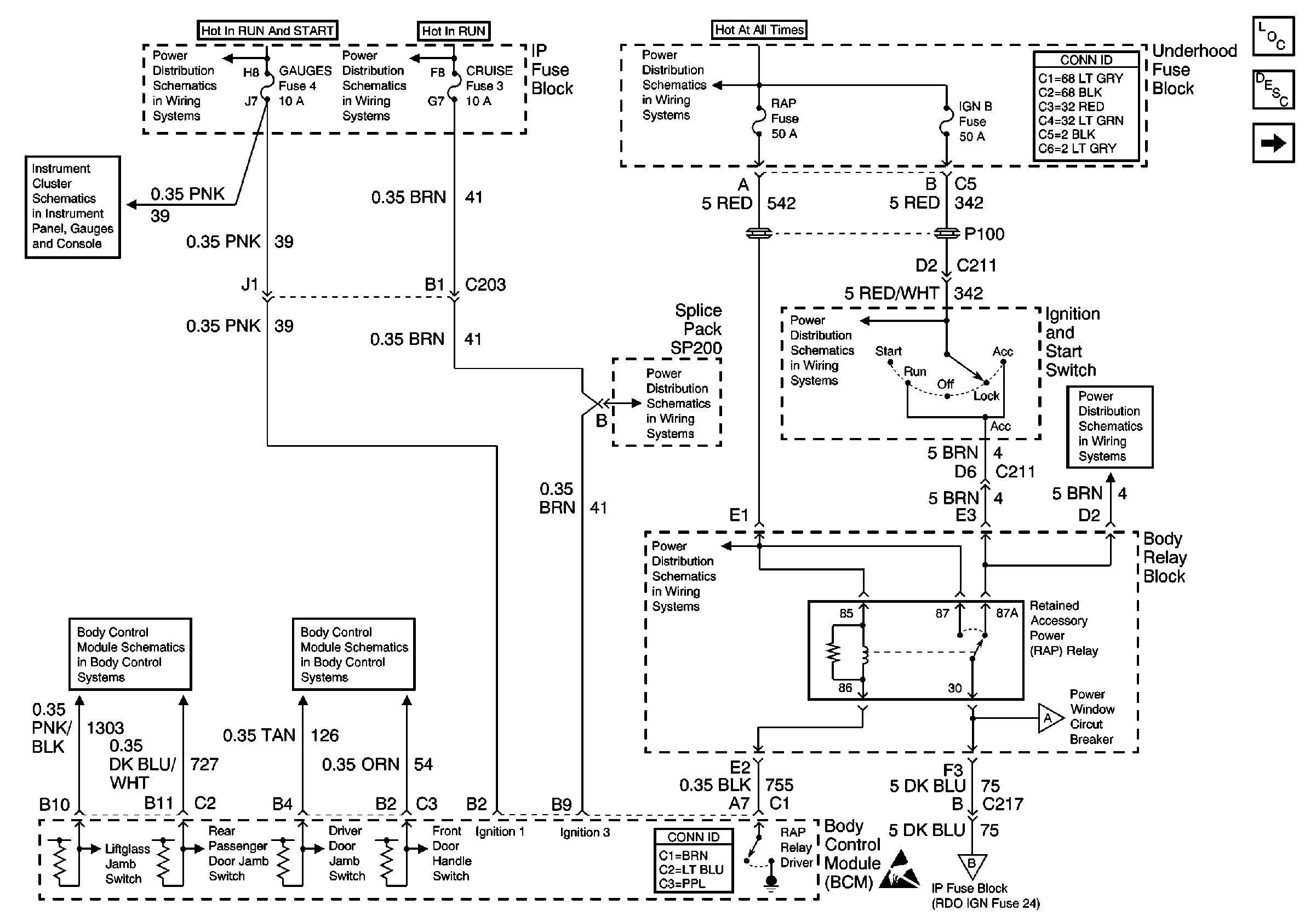
RAP Relay and Ignition and Start Switch
Retained Accessory Power (RAP) Components
Retained Accessory Power (RAP) Circuit Description
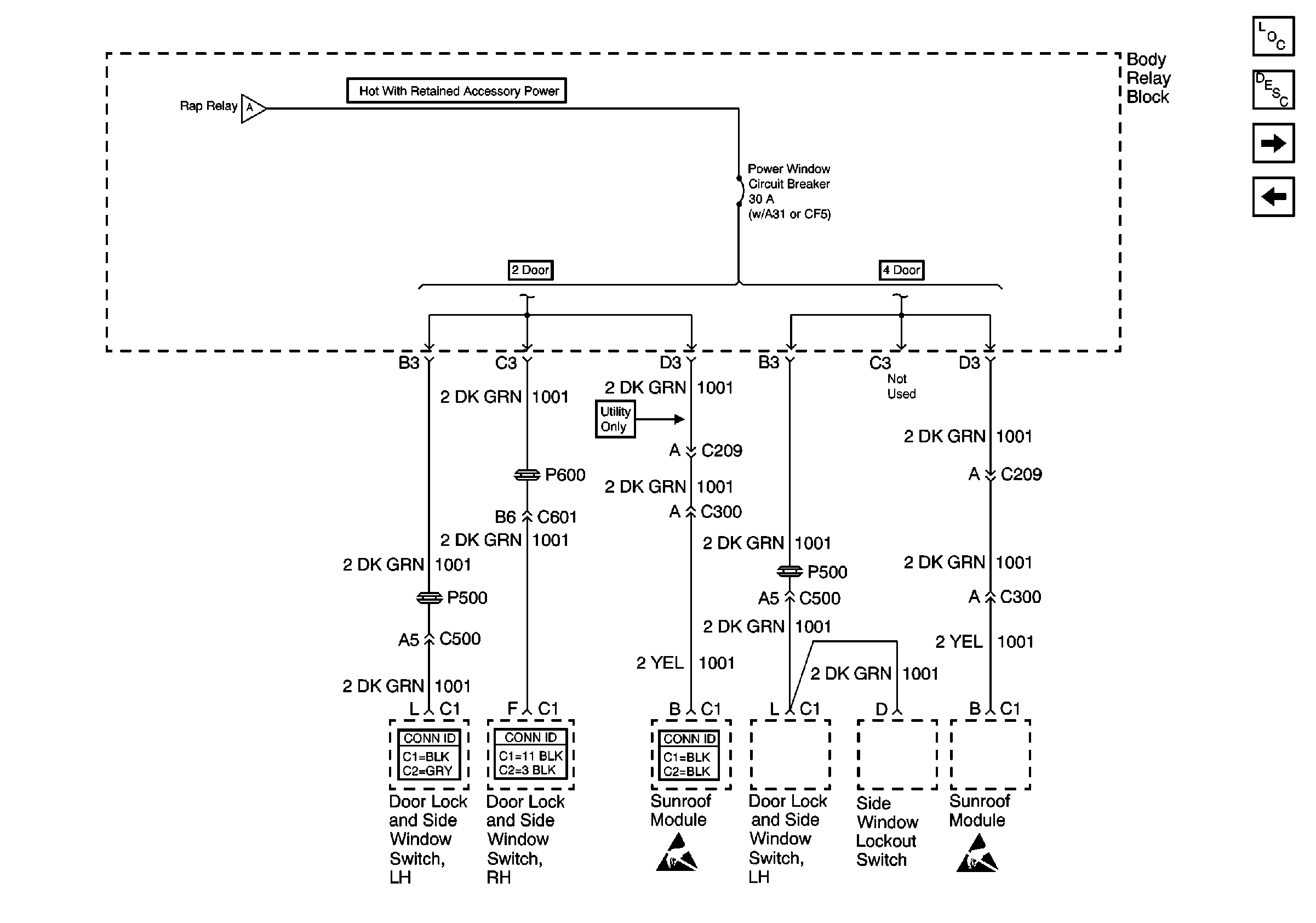
Door Lock and Side Window Switches
TURN, SIR and GAUGES Fuses
HVAC and CRUISE Fuses
Ign ACC, RUN and RAP Bus Bar
Power and Grounding Connector End Views
Power
HVAC and CRUISE Fuses
Ign ACC, RUN and RAP Bus Bar
Ign ACC, RUN and RAP Bus Bar
Ign ACC, RUN and RAP Bus Bar
Rear Jamb Switches, Ignition Key Alarm Switch
Front Jamb Switches and Door Handle Switch
Body Control System Connector End Views
Handling ESD Sensitive Parts Notice
Door Lock and Side Window Switches
RDO IGN and STR WHL RDO IGN Fuses
Figure
2:
Door Lock and Side Window Switches
Retained Accessory Power (RAP) Components
Retained Accessory Power (RAP) Circuit Description
RDO IGN and STR WHL RDO IGN Fuses
RAP Relay and Ignition and Start Switch
RAP Relay and Ignition and Start Switch
Power Door Systems Connector End Views
Power Door Systems Connector End Views
Power Roof Systems Connector End Views
Handling ESD Sensitive Parts Notice
Handling ESD Sensitive Parts Notice
Figure
3:
RDO IGN and STR WHL RDO IGN Fuses
Retained Accessory Power (RAP) Components
Retained Accessory Power (RAP) Circuit Description
Door Lock and Side Window Switches
RAP Relay and Ignition and Start Switch
Entertainment Connector End Views
Handling ESD Sensitive Parts Notice
Handling ESD Sensitive Parts Notice
Driver Information Systems Connector End Views
Handling ESD Sensitive Parts Notice