GM Service Manual Online
For 1990-2009 cars only
Makes
🢒
Chevrolet
🢒
2000
🢒
S10 Pickup - 2WD
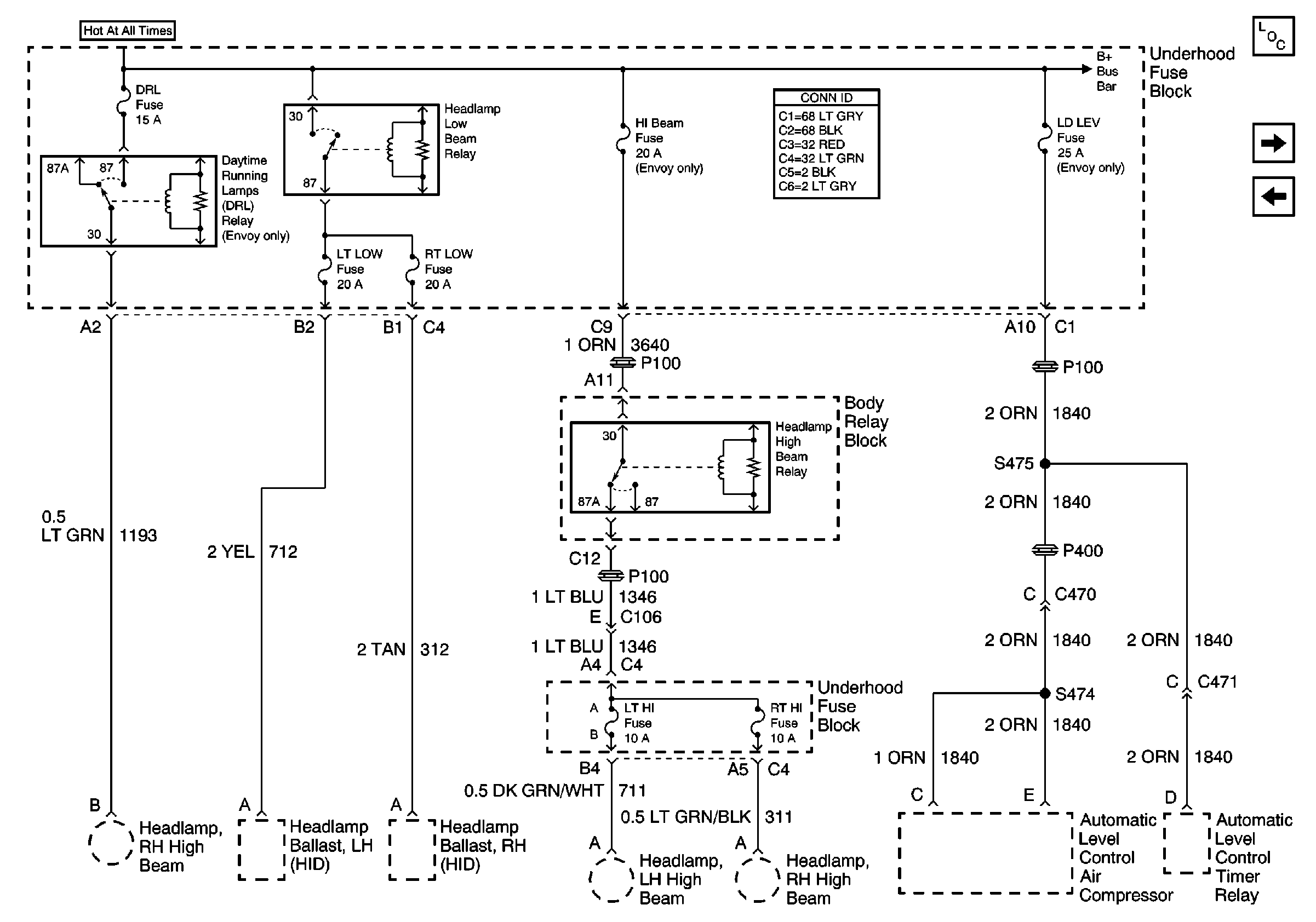
🢒 HI BEAM, LD LEV, DRL Fuses and Low Beam Relay (Envoy Only)
HI BEAM, LD LEV, DRL Fuses and Low Beam Relay (Envoy Only)
HI BEAM, LD LEV, DRL Fuses and Low Beam Relay (Envoy Only)
Power and Grounding Components
ECM B Fuse and Horn, Rear Defogger Relays
MIR/LKS, FOG LP Fuses and DRL, Headlamp Power Relays
B+ Bus Bar
Power and Grounding Connector End Views