GM Service Manual Online
For 1990-2009 cars only
Makes
🢒
Chevrolet
🢒
2000
🢒
S10 Pickup - 2WD
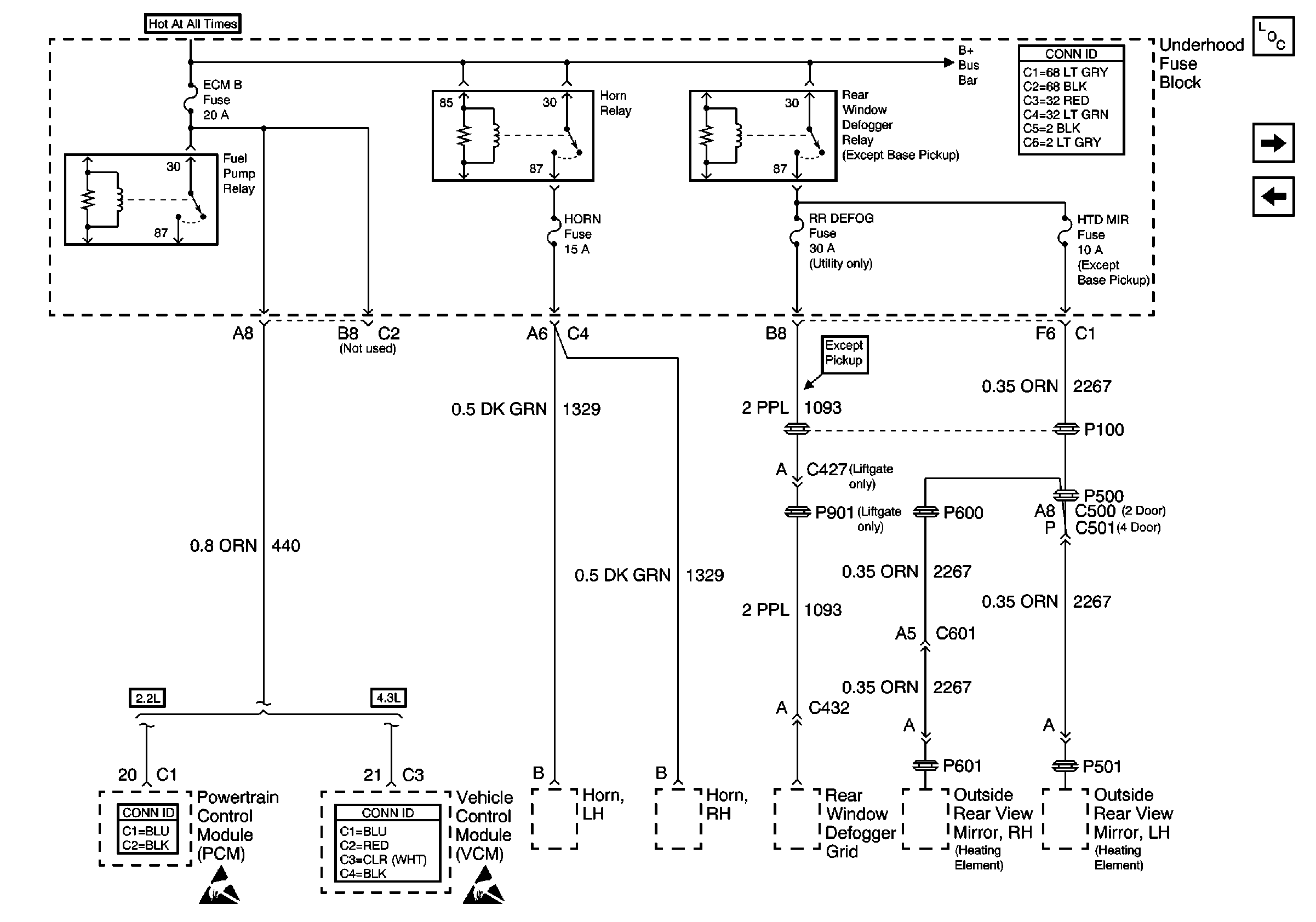
🢒 ECM B Fuse and Horn, Rear Defogger Relays
ECM B Fuse and Horn, Rear Defogger Relays
ECM B Fuse and Horn, Rear Defogger Relays
Power and Grounding Components
ILLUM and PARK LP Fuses
HI BEAM, LD LEV, DRL Fuses and Low Beam Relay (Envoy Only)
B+ Bus Bar
Power and Grounding Connector End Views
Engine Controls Connector End Views
Handling ESD Sensitive Parts Notice
Engine Controls Connector End Views
Handling ESD Sensitive Parts Notice