GM Service Manual Online
For 1990-2009 cars only
Makes
🢒
Chevrolet
🢒
2002
🢒
S10 Pickup - 2WD
🢒 Engine Cooling Schematics
Engine Cooling Schematics
Master Electrical Component List
Cooling System Description and Operation
Ignition A, Ignition B Fuses, and Ignition Switch
Gages Fuse
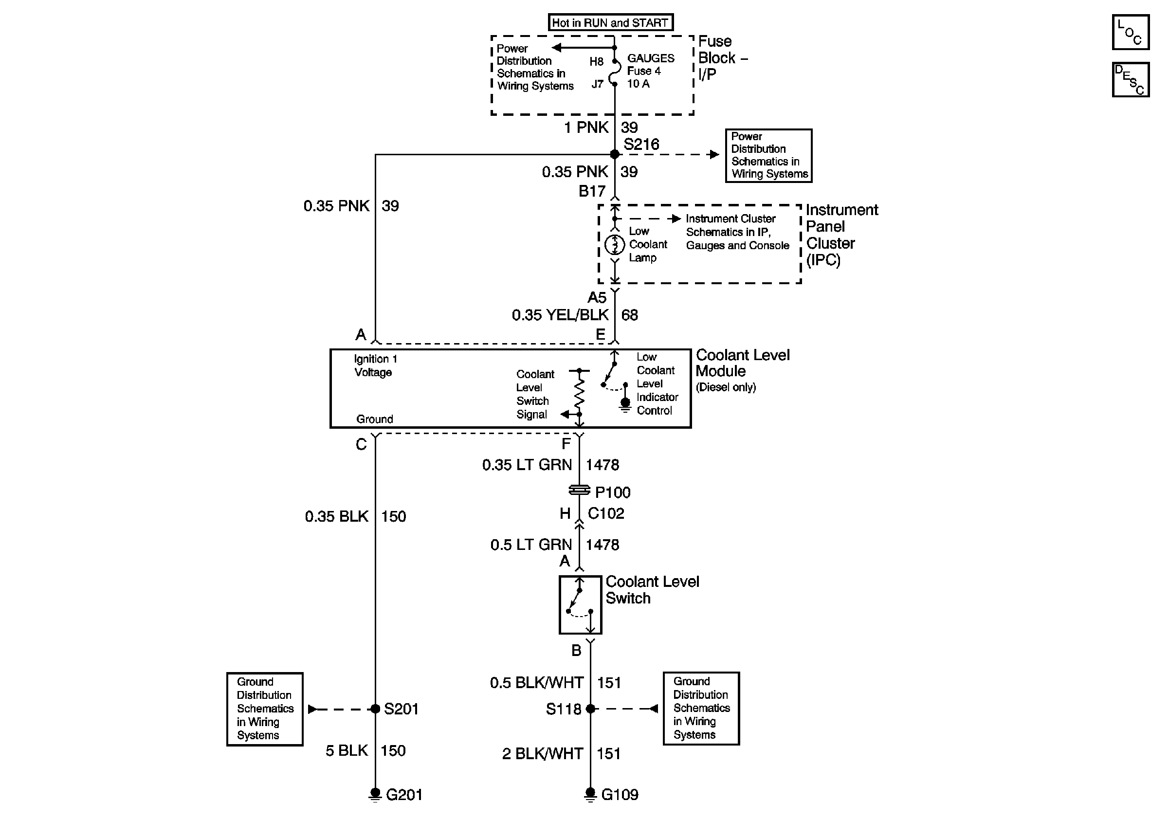
Indicators 1 of 2 - Diesel
G201
G108 and G109 - Domestic