GM Service Manual Online
For 1990-2009 cars only

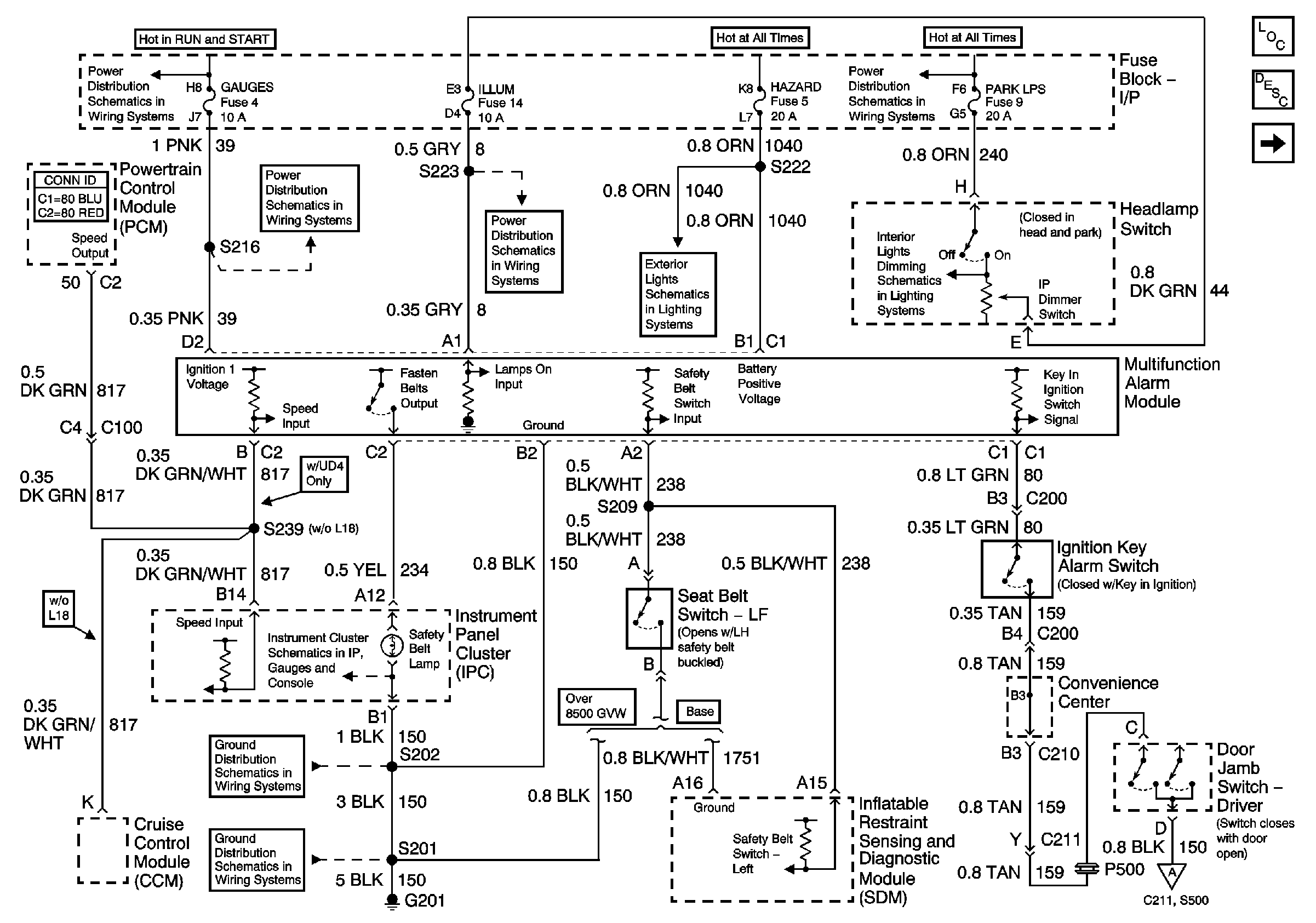
GAGES, ILLUM, HAZARD, PARK LPS Fuses; Multi-Function Alarm Module; Left Front Door Jamb Switch; G201 (Gas)

GAGES, ILLUM, HAZARD, PARK LPS Fuses; Multi-Function Alarm Module; Left Front Door Jamb Switch; G201-Gas


Object Number: 783246  Size: FS
Master Electrical Component List
Audible Warnings Description and Operation
GAGES, ILLUM, HAZARD, PARK LPS Fuses; Multi-Function Alarm Module; Left Front Door Jamb Switch; G201 (Diesel)
Ignition A, Ignition B Fuses, and Ignition Switch
Gages Fuse
Lighting and Battery Fuses
Illumination Fuse and Headlamp Switch
Power Windows, Heated Mirrors, Rear Defogger, and Hazard Fuses
ILLUM and PARK LPS Fuses
Indicators 2 of 2 - Gas and Diesel and Fuel Sender Buffer Module- Diesel Only
Components through S202 and S205 to G201
G201
G200