GM Service Manual Online
For 1990-2009 cars only
Makes
🢒
Chevrolet
🢒
2002
🢒
S10 Pickup - 2WD
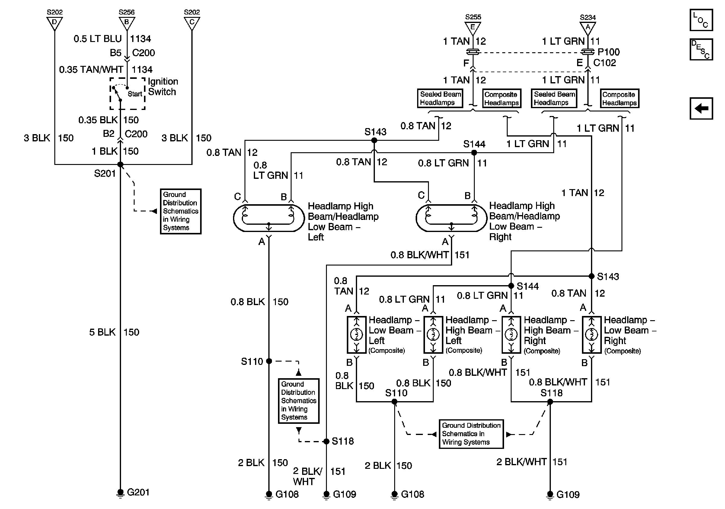
🢒 Headlamps, Ignition Switch
Headlamps, Ignition Switch
Headlamps, Ignition Switch
Master Electrical Component List
Exterior Lighting Systems Description and Operation
DRL Control Module, Headlamp and Dimmer Switches
DRL Control Module, Headlamp and Dimmer Switches
DRL Control Module, Headlamp and Dimmer Switches
DRL Control Module, Headlamp and Dimmer Switches
DRL Control Module, Headlamp and Dimmer Switches
G201
G108 and G109 - Domestic
G108 and G109 - Domestic