GM Service Manual Online
For 1990-2009 cars only
Makes
🢒
Chevrolet
🢒
2002
🢒
S10 Pickup - 2WD
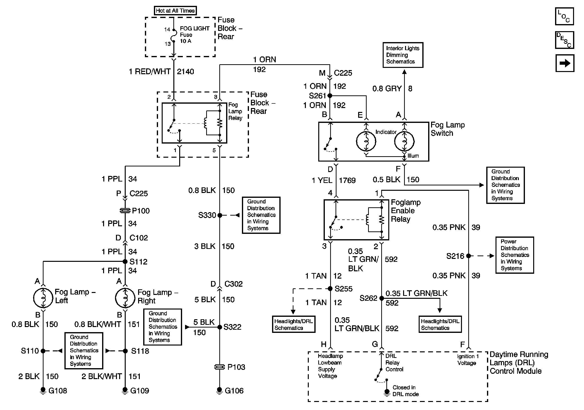
🢒 Front Fog Lamps (Domestic)
Front Fog Lamps (Domestic)
Front Fog Lamps (Domestic)
Master Electrical Component List
Exterior Lighting Systems Description and Operation
Rear Fog Lamps (Export)
Additional Control Illumination Lamps with Y91
G108 and G109 - Domestic
G106 with Y91
DRL Control Module, Headlamp and Dimmer Switches
DRL Control Module, Headlamp and Dimmer Switches
Components through S202 and S205 to G201
Gages Fuse