GM Service Manual Online
For 1990-2009 cars only

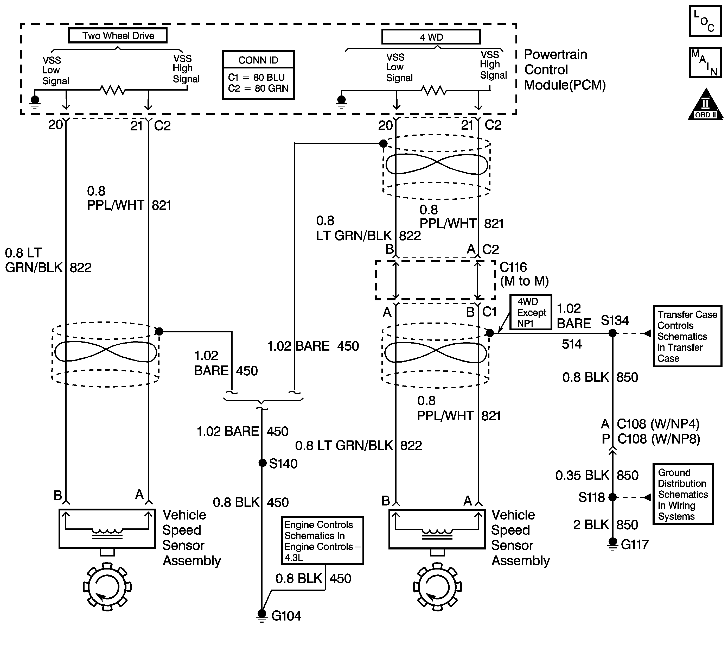
Object Number: 1364856  Size: LF
Master Electrical Component List
Manual Transmission Schematics
OBD II Symbol Description Notice

Circuit Description

The vehicle speed sensor (VSS) assembly provides vehicle speed information to the powertrain control module (PCM). The VSS assembly is a permanent magnet generator. The VSS produces alternating current (AC) as the rotor teeth on the output shaft of the transmission, 2WD, or transfer case, 4WD, pass through the magnetic field of the sensor. The frequency and amplitude of the AC waveform increase as vehicle speed increases.

If the PCM detects no vehicle speed for a specified length of time, while other sensors indicate that the vehicle is moving, DTC P0500 sets. DTC P0500 is a type B DTC.

Conditions for Running the DTC

    • No MAP DTCs P0106, P0107 or P0108.
    • No idle control system DTCs set.
    • No ECT DTCs P0117 or P0118.
    • No TP sensor DTCs P0121, P0122 or P0123.
    • No IAC DTCs P0506 or P0507.
    • The ECT is 35 C (95 F) or greater.
    • The TP sensor angle is 5-100 percent.
    • The engine speed is greater than 1,000 RPM.
    • The MAP is 40-100 kPa with A/C off.
    • The MAP is 45-100 kPa with A/C on.
    • All the above conditions are met for more than 2 seconds.

Conditions for Setting the DTC

The PCM detects no vehicle speed for 50 seconds.

Action Taken When the DTC Sets

    • The PCM illuminates the malfunction indicator lamp (MIL) during the second consecutive trip in which the Conditions for Setting the DTC are met.
    • The PCM disables Cruise Control.
    • The PCM records the operating conditions when the Conditions for Setting the DTC are met. The PCM stores this information as Freeze Frame and Failure Records.
    • The PCM stores DTC P0500 in PCM history during the second consecutive trip in which the Conditions for Setting the DTC are met.

Conditions for Clearing the MIL/DTC

    • The PCM turns OFF the MIL after three consecutive ignition cycles in which the diagnostic test runs and passes.
    • A scan tool can clear the MIL/DTC.
    • The PCM clears the DTC from PCM history if the vehicle completes 40 warm-up cycles without an emission-related diagnostic fault occurring.
    • The PCM cancels the DTC default actions when the fault no longer exists and the DTC passes.

Diagnostic Aids

Ensure the VSS is correctly torqued to the transmission housing.

Test Description

The numbers below refer to the step numbers on the diagnostic table.

  1. The vehicle speed detector in the PCM and the VSS are matched in such a way that an open or a short to ground in the VSS low signal circuit will not usually cause a loss of speed signal or a DTC P0500 to set.

  2. This step isolates the short between the VSS and the wiring.

  3. The DMM will detect AC voltage if the VSS high signal circuit is shorted to ground.

Step

Action

Value(s)

Yes

No

1

Did you perform the Diagnostic System Check - Engine Controls?

--

Go to Step 2

Go to Diagnostic System Check - Engine Controls in Engine Controls - 4.3L

2

Notice: In order to avoid damage to the drive axles, support the lower control arms in the normal horizontal position. Do not run the vehicle in gear with the wheels hanging down at full travel.

  1. Install a scan tool.
  2. Turn ON the ignition with the engine OFF.
  3. Important: Record the Failure Records before clearing the DTCs. Using the Clear Info function erases the Failure Records from the PCM.

  4. Record the DTC Freeze Frame and Failure Records.
  5. Clear the DTC.
  6. Raise the drive wheels.
  7. Start the engine.
  8. Allow the engine to idle in gear.

Does the scan tool display vehicle speed above the specified value?

0 km/h (0 mph)

Go to Step 3

Go to Step 4

3

  1. Turn OFF the ignition.
  2. Turn ON the ignition, with the engine OFF.
  3. Review the Freeze Frame data and note the parameters.
  4. Start the engine.
  5. Operate the vehicle within the Freeze Frame conditions and Conditions for Running the DTC.

Does the scan tool display vehicle speed above the specified value?

0 km/h (0 mph)

Go to Intermittent Conditions in Engine Controls - 4.3L

Go to Step 4

4

  1. Turn OFF the ignition.
  2. Disconnect the PCM.
  3. Measure the resistance between the VSS low signal and the VSS high signal circuits.

Is the resistance within the specified range?

1,300-3,160 ohms

Go to Step 6

Go to Step 5

5

Test the VSS high signal circuit and the VSS low signal circuit for the following conditions:

    • An open circuit or high resistance condition
    • VSS high signal circuit and VSS low signal circuit shorted together

Refer to Circuit Testing in Wiring Systems.

Did you find and correct a condition?

--

Go to Step 13

Go to Step 10

6

Measure the resistance between the VSS high signal circuit and ground.

Is the resistance greater than the specified value?

10 M ohms

Go to Step 9

Go to Step 7

7

  1. Leave the DMM connected between the VSS high signal circuit and ground.
  2. Disconnect the VSS.
  3. Measure the resistance between the VSS high signal circuit and ground.

Is the resistance greater than the specified value?

10 M ohms

Go to Step 10

Go to Step 8

8

Repair the short to ground in the VSS high signal circuit. Refer to Testing for Short to Ground and Wiring Repairs in Wiring Systems.

Did you complete the repair?

--

Go to Step 13

--

9

  1. Connect the DMM between the VSS low signal and the VSS high signal circuits.
  2. Measure the AC voltage with the DMM, while rotating the drive wheels by hand.

Is the AC voltage equal to or greater than the specified value?

0.5 V

Go to Step 12

Go to Step 10

10

  1. Remove the VSS. Refer to Vehicle Speed Sensor .
  2. Inspect the VSS and the VSS rotor for the following conditions:
  3. • VSS damage
    • VSS rotor damage
    • Excessive air gap between the VSS rotor and the VSS
    • Incorrect alignment between the VSS and the VSS rotor
  4. Repair or replace any of the above items as necessary.

Did you find and correct a condition?

--

Go to Step 13

Go to Step 11

11

Replace the VSS. Refer to Vehicle Speed Sensor .

Did you complete the repair?

--

Go to Step 13

--

12

Replace the PCM. Refer to Powertrain Control Module Replacement in Engine Controls - 4.3L.

Is the action complete?

--

Go to Step 13

--

13

Perform the following procedure in order to verify the repair:

  1. Select DTC.
  2. Select Clear Info.
  3. Operate the vehicle in order to achieve a vehicle speed of greater than 3 km/h (2 mph) for 2 seconds.
  4. Select Specific DTC.
  5. Enter DTC P0500.

Has the test run and passed?

--

Go to Step 14

Go to Step 2

14

With the scan tool, observe the stored information, capture info and DTC info.

Does the scan tool display any DTCs that you have not diagnosed?

--

Go to Diagnostic Trouble Code (DTC) List in Engine Controls - 4.3L

System OK