GM Service Manual Online
For 1990-2009 cars only
Makes
🢒
Chevrolet
🢒
1997
🢒
S10 Pickup - 4WD
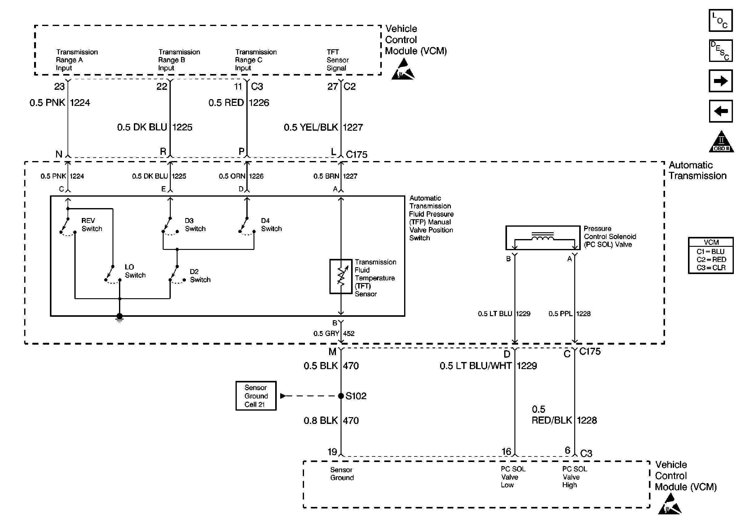
🢒 Automatic Transmission Range Inputs
Automatic Transmission Range Inputs
Automatic Transmission Range Inputs
Engine Controls Components
Vehicle Control Module VCM
AC Controls
Automatic Transmission Shift Solenoid Control
OBD II Symbol Description Notice
Handling Electrostatic Discharge Sensitive Parts Notice
Sensors
Handling Electrostatic Discharge Sensitive Parts Notice