GM Service Manual Online
For 1990-2009 cars only
Makes
🢒
Chevrolet
🢒
1999
🢒
S10 Pickup - 4WD
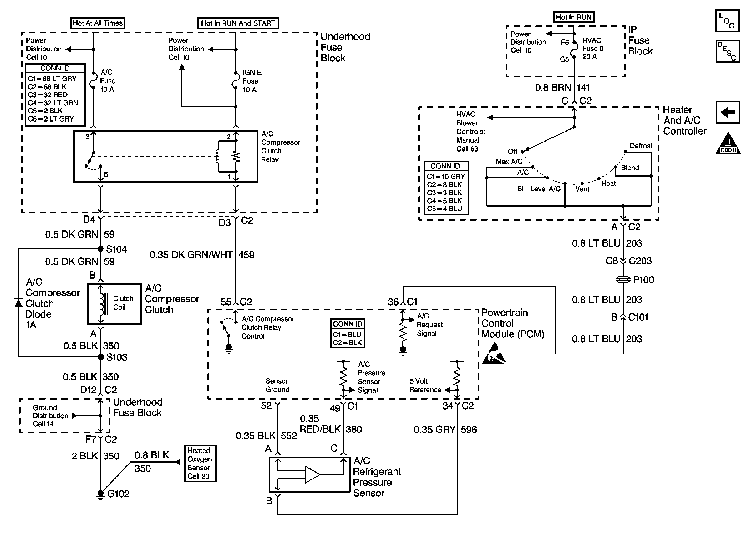
🢒 Cell 20: A/C Compressor Controls
Cell 20: A/C Compressor Controls
Cell 20: A/C Compressor Controls
Cell 10: HTD SEAT, ATC, HVAC and A/C Fuses
Power and Grounding Connector End Views
Cell 10: IGN E Fuse and A/C Compressor, Rear Defogger, DRL Relays
Cell 10: HVAC and CRUISE Fuses
Engine Controls Components
Powertrain Control Module Description
Cell 20: Vehicle Speed Sensor Signal
OBD II Symbol Description Notice
HVAC Connector End Views
Cell 63
Handling ESD Sensitive Parts Notice
Powertrain Control Module Connector End Views
Cell 20: Oxygen Sensors
Cell 14: G102 (Except Envoy)