GM Service Manual Online
For 1990-2009 cars only
Makes
🢒
Chevrolet
🢒
1999
🢒
S10 Pickup - 4WD
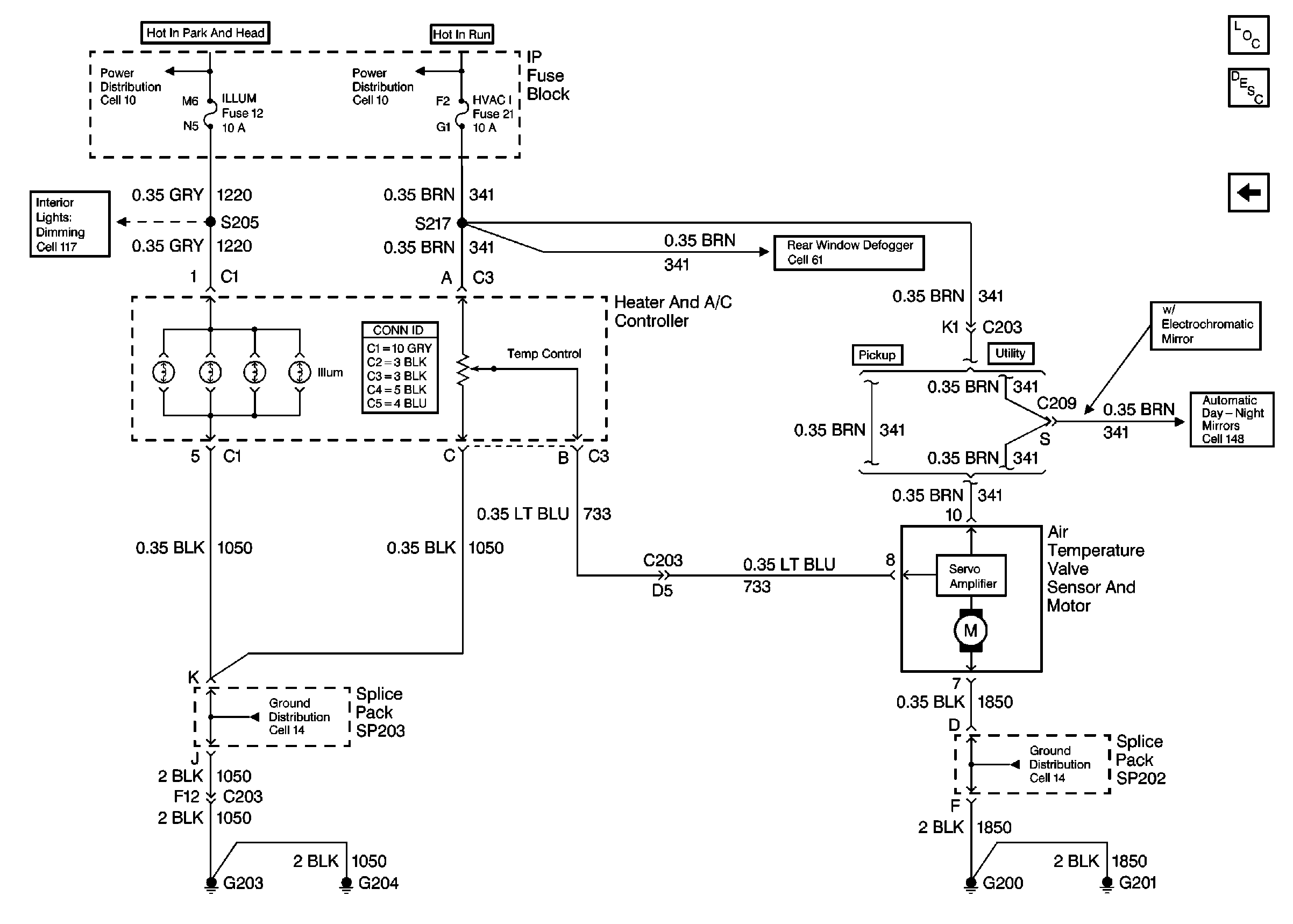
🢒 Cell 65 (Heat and A/C)
Cell 65 (Heat and A/C)
Cell 65 (Heat and A/C)
Cell 10: ILLUM, PARK LP Fuses
Cell 10: HVAC I Fuse
Cell 117: ILLUM Fuse 12
HVAC Connector End Views
Cell 14: G203 and G204 (Utility w/ Manual A/C)
Cell 14: G200, G201 and G207 (2-Door Utility w/ Endgate)
Cell 148
Cell 61
HVAC Components
HVAC Air Delivery/Temperature Control Circuit Description
Cell 65 (Heat Only)