GM Service Manual Online
For 1990-2009 cars only
Makes
🢒
Chevrolet
🢒
1999
🢒
S10 Pickup - 4WD
🢒 Cell 66
Cell 66
Cell 66
Cell 10: HVAC I Fuse
Cell 10: AUX PWR, RDO BATT and HDLP SW Fuses
Power and Grounding Connector End Views
Cell 10: HVAC and CRUISE Fuses
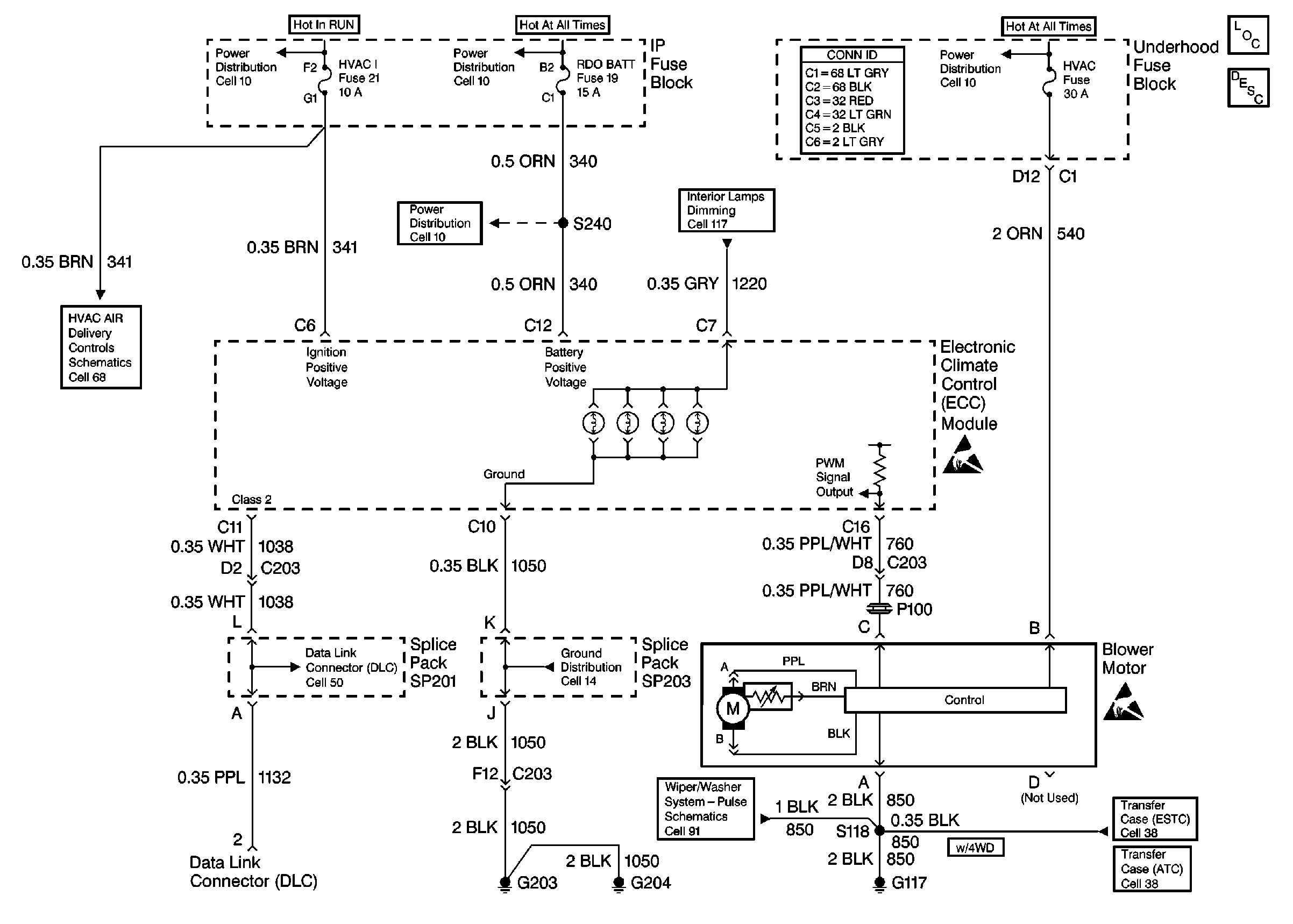
HVAC Components
HVAC Blower Controls Circuit Description
Cell 117: ILLUM Fuse 12
Cell 10: AUX PWR, RDO BATT and HDLP SW Fuses
Cell 68: ECC Module, Power and Ground
Handling ESD Sensitive Parts Notice
Handling ESD Sensitive Parts Notice
Cell 38: Speed Sensors
Cell 38: Speed Sensors
Cell 91
Cell 14: G203 and G204 (Utility w/ Auto A/C)
Cell 50: Class 2 Communication (4.3L)