GM Service Manual Online
For 1990-2009 cars only

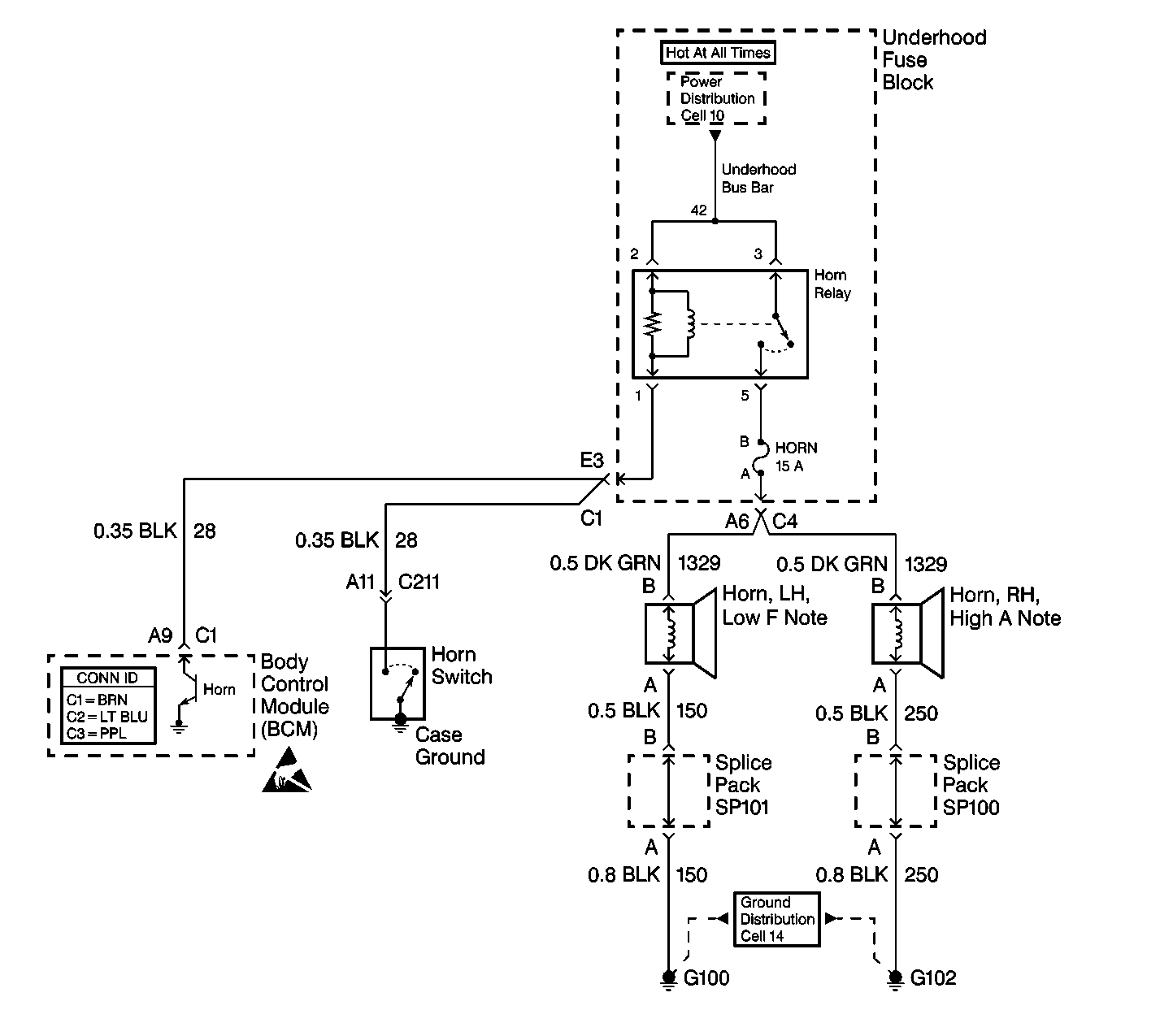
Object Number: 460697  Size: LF
Body Control System Connector End Views
Cell 14: G111 and G112
Cell 51: Horn Relay
Body Control Module Components
Cell 10: ECM B, HORN Fuses and Horn, Fuel Pump Relays
Handling ESD Sensitive Parts Notice

Circuit Description

CKT 28 is an input to the BCM. The BCM monitors CKT 28 in order to determine if the horn circuit is shorted to ground.

Conditions for Setting the DTC

    • When CKT 28 is shorted to ground for more than 184 seconds.
    • The system voltage is between 9.0-16.0 volts.
    • The above conditions exist for 184 seconds.

Action Taken When the DTC Sets

The horn will remain ON at all times.

Conditions for Clearing the MIL/DTC

    • A current DTC will clear after the next ignition cycle that does not contain a fault.
    • A history DTC will clear after 100 consecutive ignition cycles without a fault present.
    • History and current DTCs may be cleared using a scan tool.

Diagnostic Aids

    • Always diagnose the first DTC that is listed on the scan tool.
    • Verify that the scan tool displays DTC B2752 as a current code before you perform diagnostics.
    • Determine if the horn pad or the horn switch sticks.
    • Inspect for loose or poor connections at all of the related components.
    • Refer to Intermittents and Poor Connections Diagnosis in Wiring Systems.

Test Description

The number below refers to the step number on the diagnostic table.

  1. This step tests CKT 28 for a short to ground.

Step

Action

Value(s)

Yes

No

1

Did you perform the BCM Diagnostic System Check?

--

Go to Step 2

Go to Diagnostic System Check - Body Control System

2

  1. Turn the ignition switch to the OFF position.
  2. Disconnect the brown BCM connector C2 (BRN). Remove the comb from the connector.
  3. Use a test lamp in order to backprobe between CKT 28 (BLK) cavity A9 and a good power source.

Does the test lamp light?

--

Go to Step 3

Go to Step 4

3

Locate and repair the short to ground in CKT 28 (BLK) between the following components:

    • The horn relay
    • The BCM
    • The horn switch

Is the repair complete?

--

Go to Step 5

--

4

  1. Replace the BCM.
  2. Program the correct calibrations into the BCM.
  3. Perform the learn procedure.

Is the repair complete?

--

Go to Step 5

--

5

Clear the DTCs.

Is the repair complete?

--

Go to Diagnostic System Check - Body Control System

--