GM Service Manual Online
For 1990-2009 cars only
Makes
🢒
Chevrolet
🢒
2003
🢒
SSR
🢒
Body and Accessories
🢒
Wiring Systems
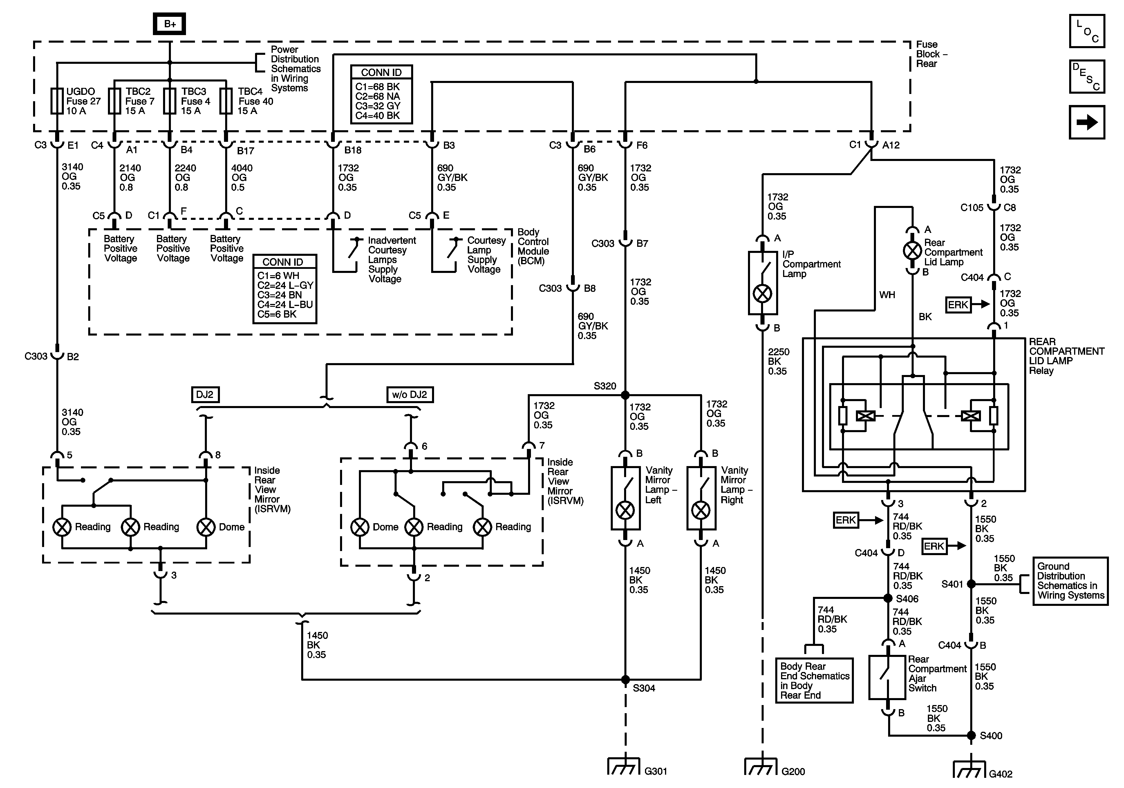
🢒 Interior Lights Schematics
Master Electrical Component List
Interior Lighting Systems Description and Operation
Door Ajar Switches
B+ Bus - Fuse Block - Rear
G301, G302
G200
G400, G401, G402, G403, G404, G405