GM Service Manual Online
For 1990-2009 cars only
Makes
🢒
Chevrolet
🢒
2003
🢒
SSR
🢒
Body and Accessories
🢒
Lighting Systems
🢒 Headlights/Daytime Running Lights (DRL) Schematics
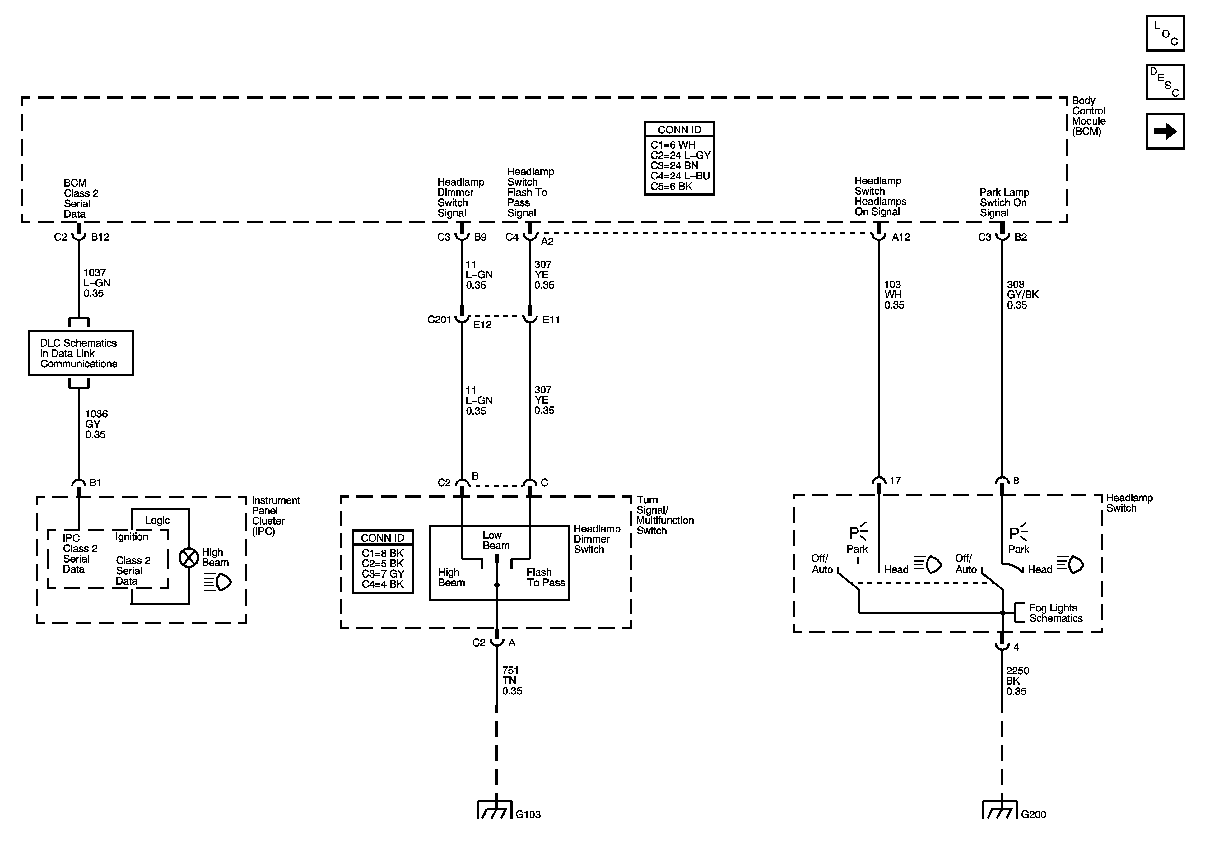
Figure
1:
Headlamp and Headlamp Dimmer Switch Control
Master Electrical Component List
Exterior Lighting Systems Description and Operation
Headlamp Relay Control
Data Link Connector (DLC) Schematics
Fog Lights Schematics
G103, G104
G200
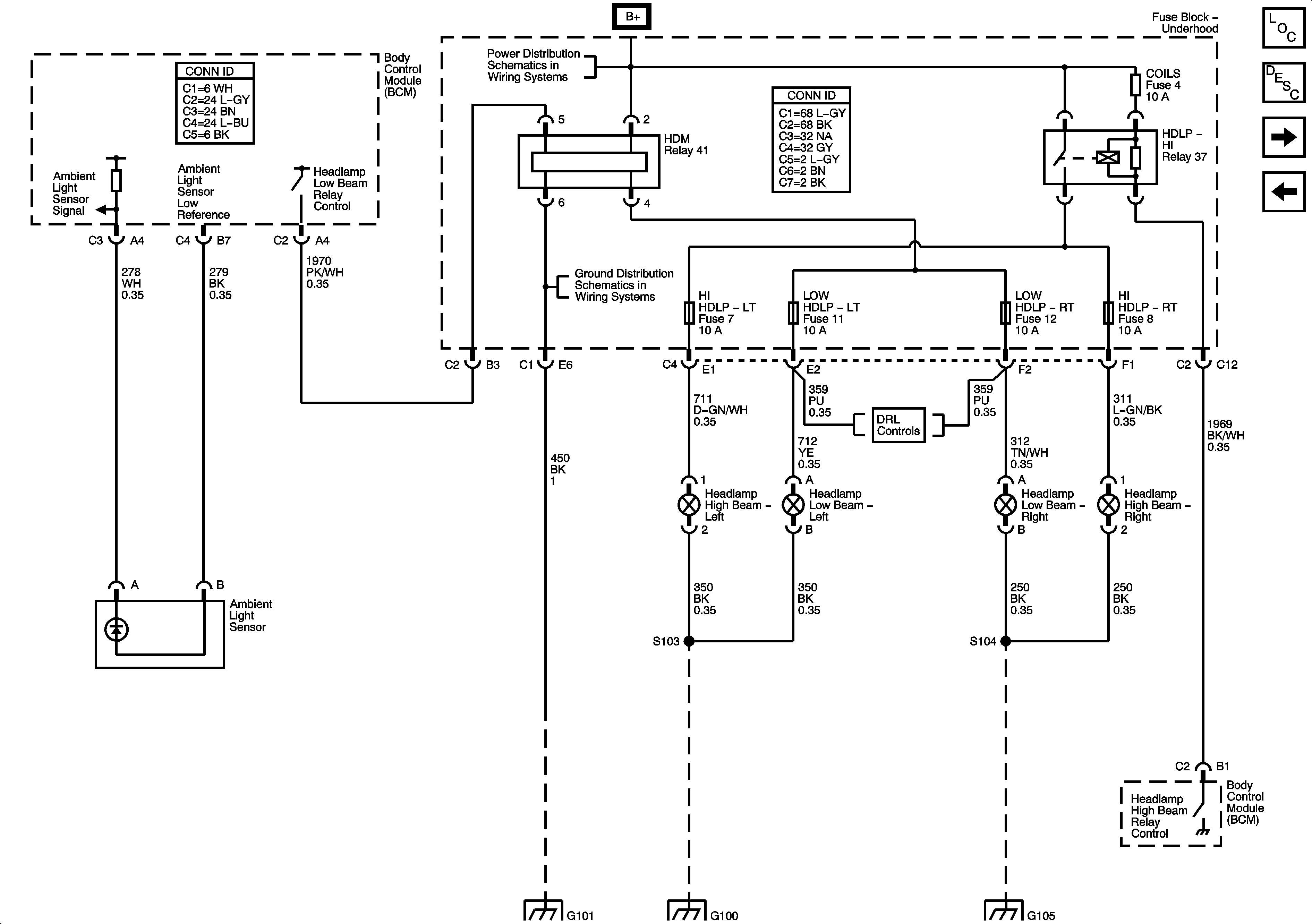
Figure
2:
Headlamp Relay Control
Master Electrical Component List
Exterior Lighting Systems Description and Operation
Day Time Running Lamp (DRL) Relay Control
Headlamp and Headlamp Dimmer Switch Control
B+ BUS - Fuse Block Underhood
G101
G100, G102
G105
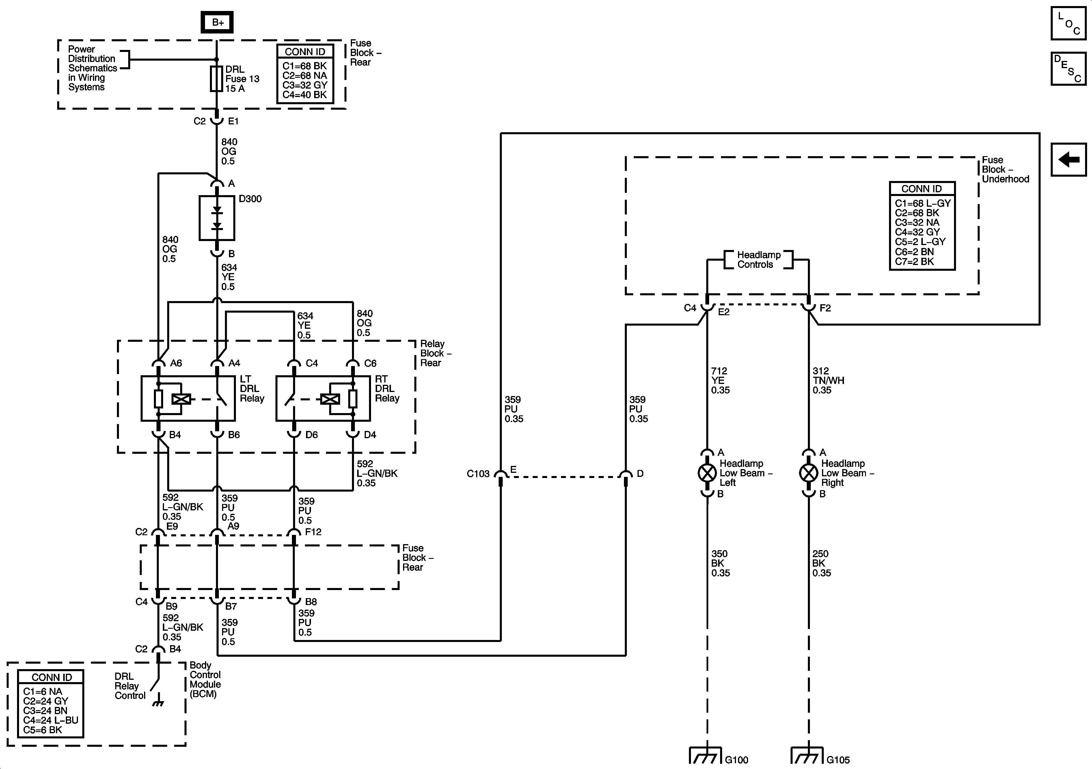
Figure
3:
Day Time Running Lamp (DRL) Relay Control
Master Electrical Component List
Exterior Lighting Systems Description and Operation
Headlamp Relay Control
B+ Bus - Fuse Block - Rear
G100, G102
G105