GM Service Manual Online
For 1990-2009 cars only
Makes
🢒
Chevrolet
🢒
2004
🢒
SSR
🢒 Engine Electrical - Starting System
Engine Electrical - Starting System
Starting System
Master Electrical Component List
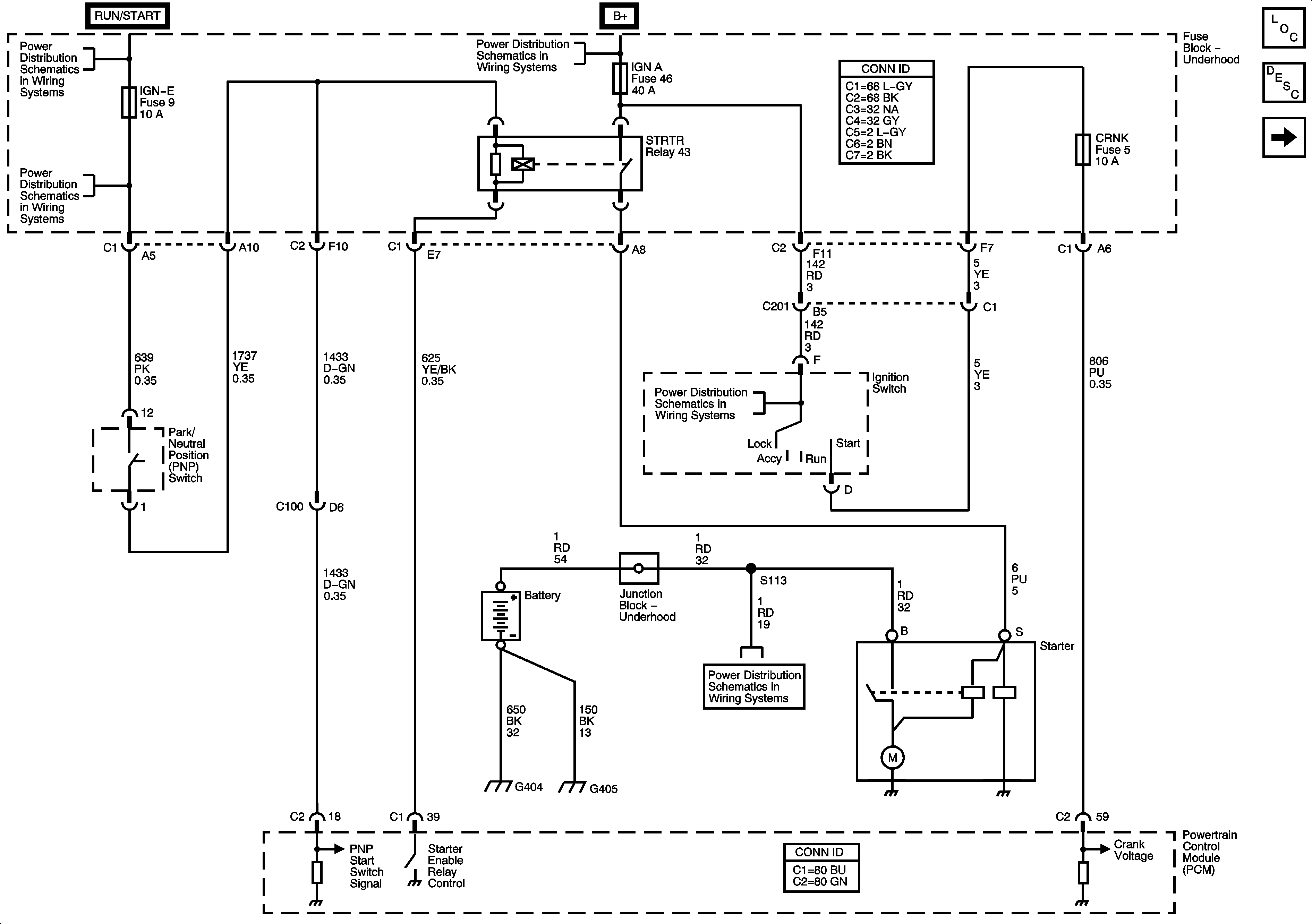
Starting System Description and Operation
Engine Electrical - Charging System
ACCY/RUN and RUN/START Bus Bar
IGN E, TBC IGN 1, BCK/UP and BTSI
B+ Bus - Fuse Block Underhood
B+ Bus - Fuse Block Underhood