GM Service Manual Online
For 1990-2009 cars only
Makes
🢒
Chevrolet
🢒
2004
🢒
SSR
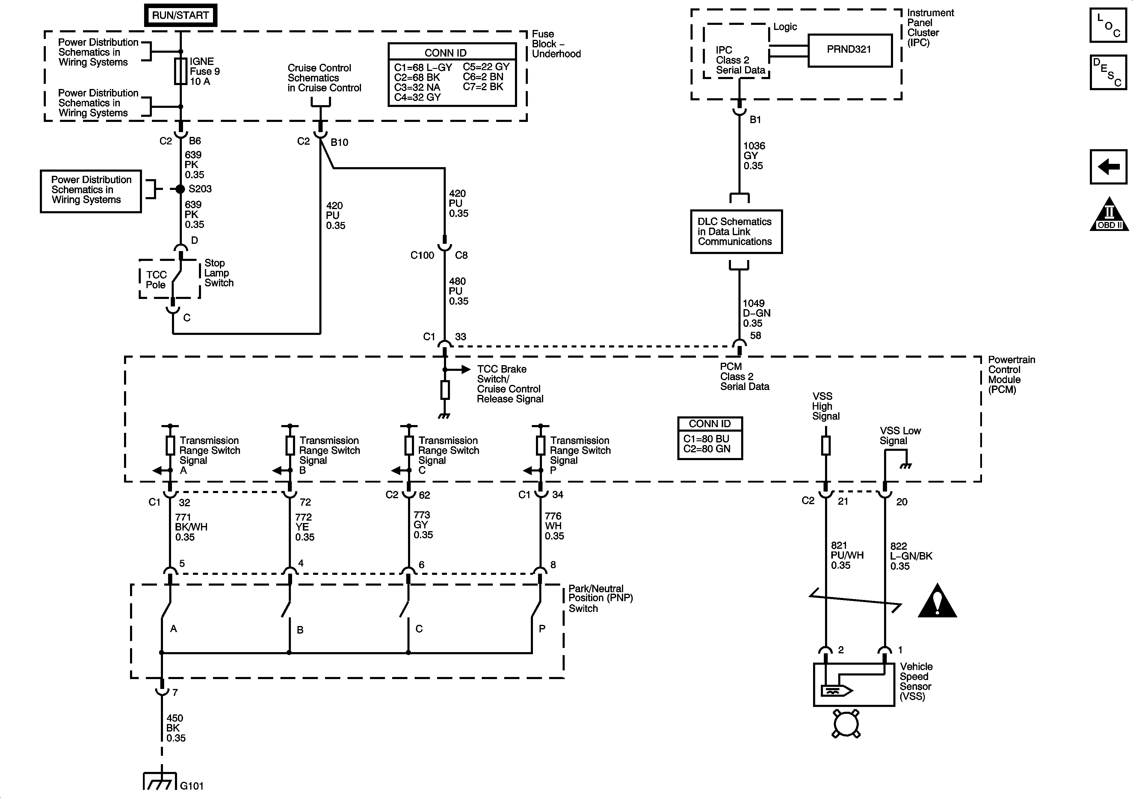
🢒 Park/Neutral Position (PNP) Switch and VSS Sensor
Park/Neutral Position (PNP) Switch and VSS Sensor
Park Neutral Position (PNP) Switch and VSS
Master Electrical Component List
Transmission Component and System Description
Power and Internal Transmission Valve Switches
OBD II Symbol Description Notice
ACCY/RUN and RUN/START Bus Bar
IGN E, TBC IGN 1, BCK/UP and BTSI
IGN E, TBC IGN 1, BCK/UP and BTSI
Power, Ground, TAC Module, APP Sensor and Throttle Body
G101