GM Service Manual Online
For 1990-2009 cars only
Makes
🢒
Chevrolet
🢒
2004
🢒
SSR
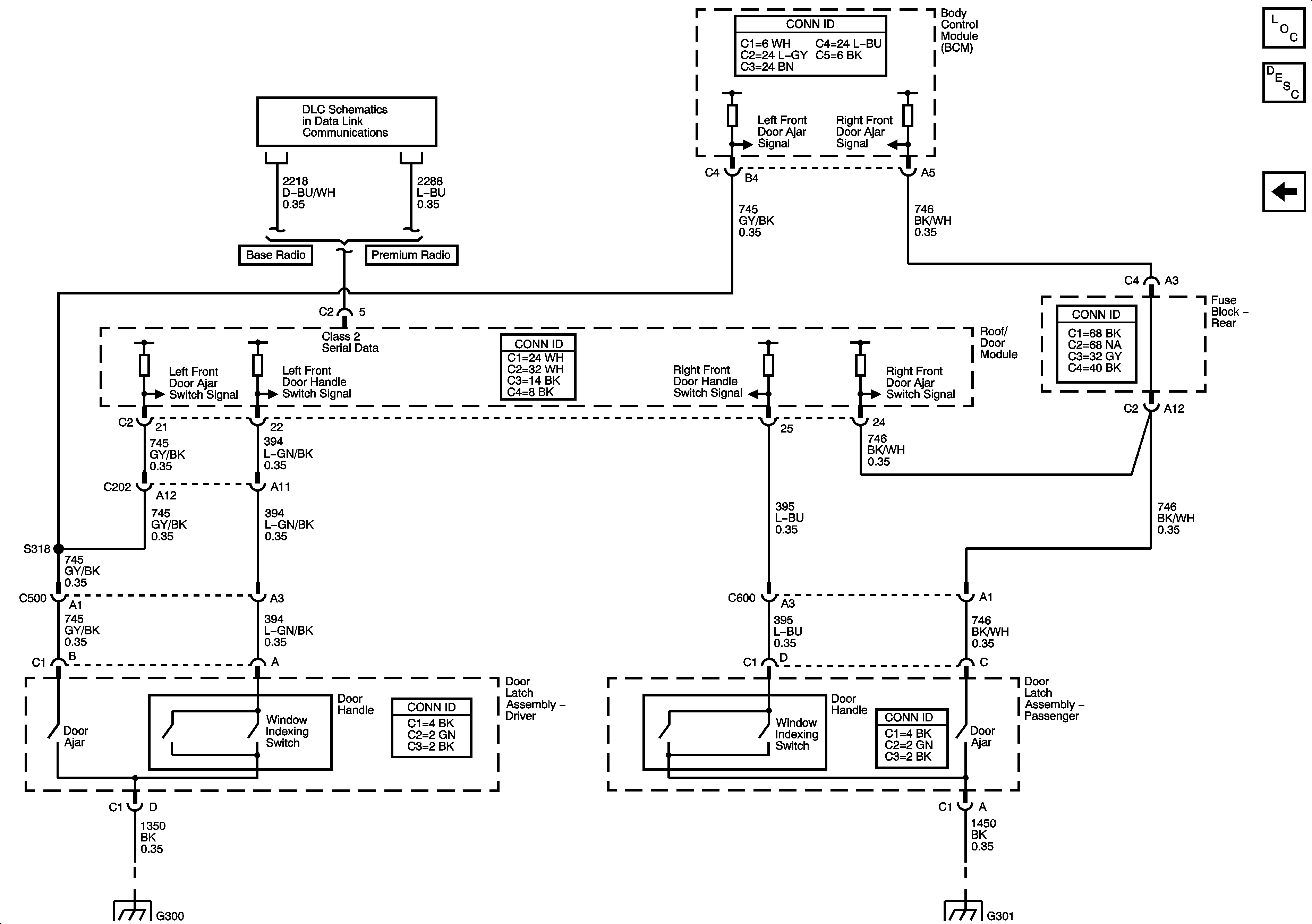
🢒 Window Indexing and Ajar Switch Signals
Window Indexing and Ajar Switch Signals
Window Indexing and Ajar Switch Signals
Master Electrical Component List
Power Windows Description and Operation
Power Windows
Data Link Connector
G300
G301, G302