GM Service Manual Online
For 1990-2009 cars only
Makes
🢒
Chevrolet
🢒
2005
🢒
SSR
🢒
Body
🢒
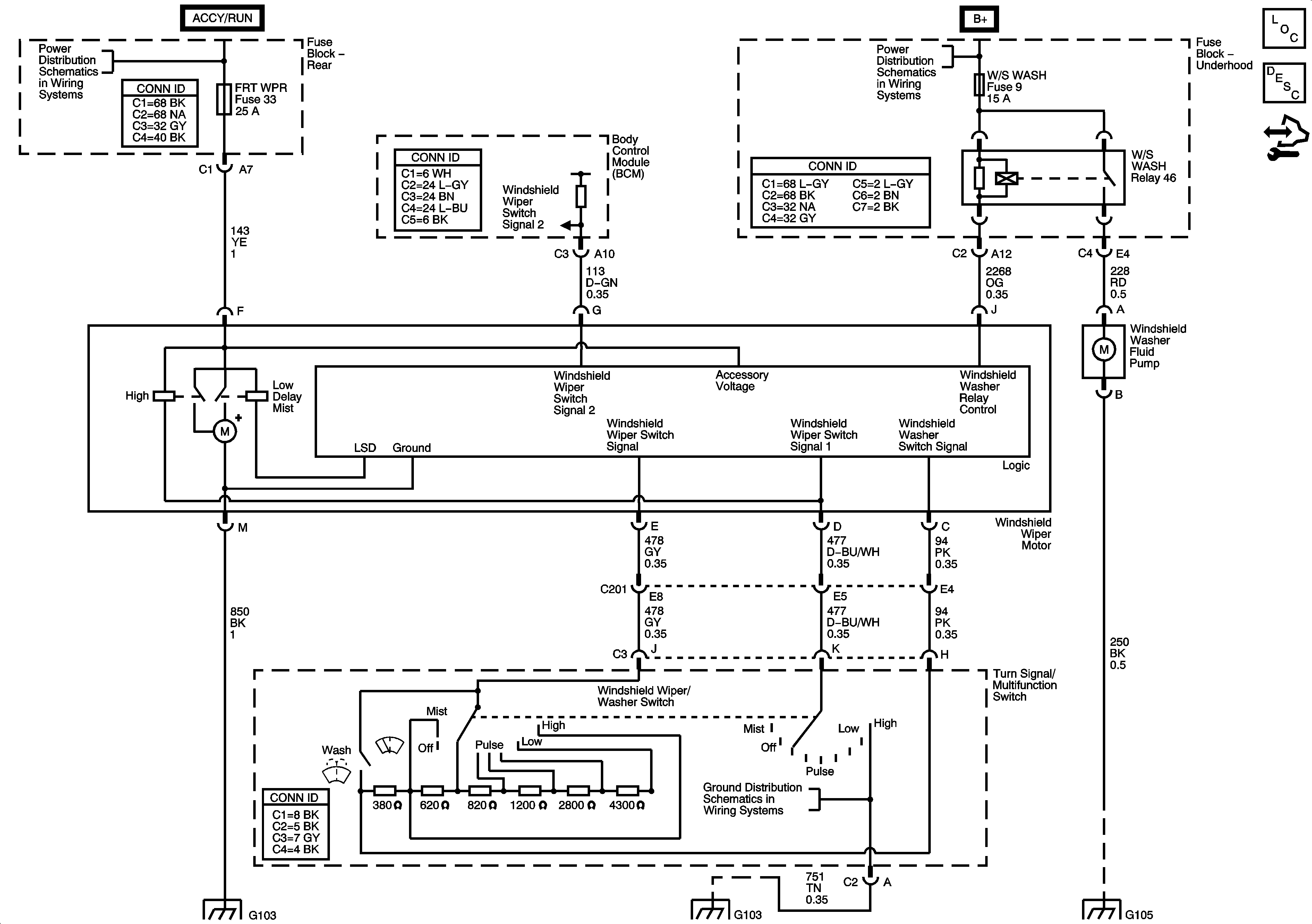
Wipers/Washer Systems
🢒 Wiper/Washer Schematics
Master Electrical Component List
Wiper/Washer System Description and Operation
Control Module References
Ignition Switch - ACCY/RUN and RUN/START Bus Bar and IGN B Fuse
B+ Bus Underhood Fuse Block
G103, G104
G103, G104
G103, G104
G105