GM Service Manual Online
For 1990-2009 cars only
Makes
🢒
Chevrolet
🢒
2005
🢒
SSR
🢒 Engine Electrical - Charging System
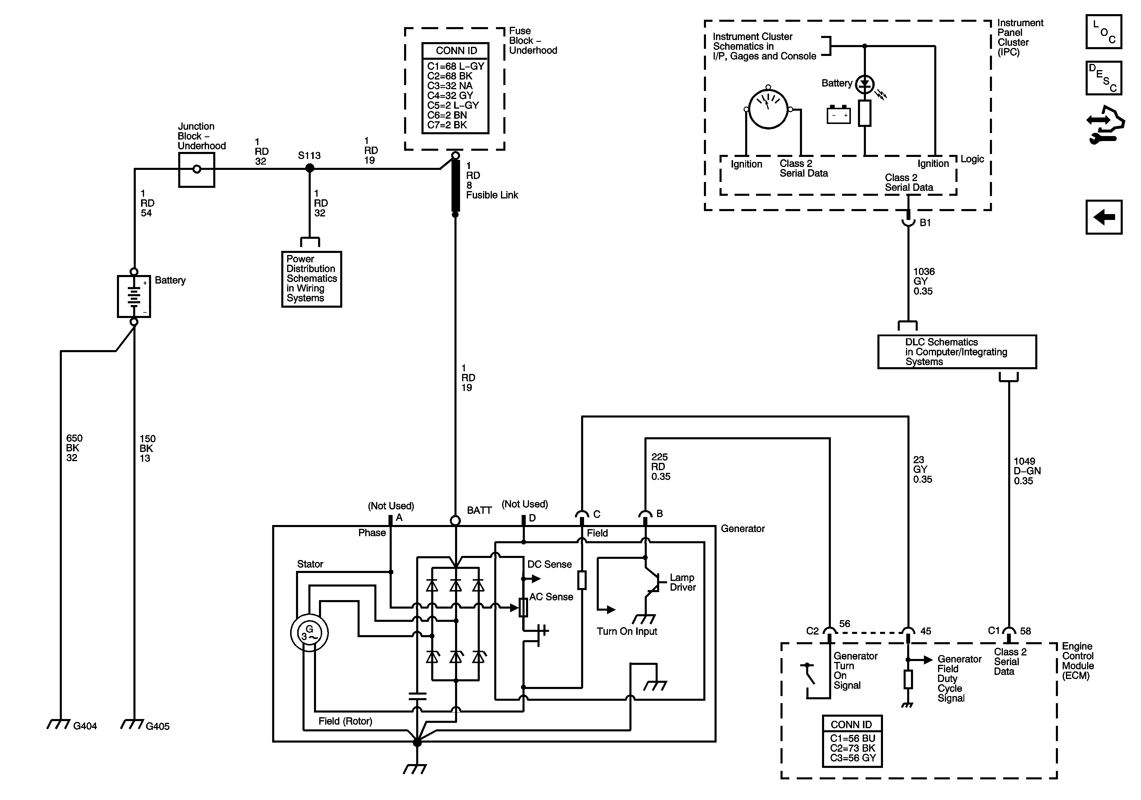
Engine Electrical - Charging System
Charging System
Master Electrical Component List
Starting System Description and Operation
Control Module References
Engine Electrical - Starting System
B+ Bus Underhood Fuse Block
Indicator and DIC Controls
Data Link Connector Schematics