GM Service Manual Online
For 1990-2009 cars only
Makes
🢒
Chevrolet
🢒
2005
🢒
SSR
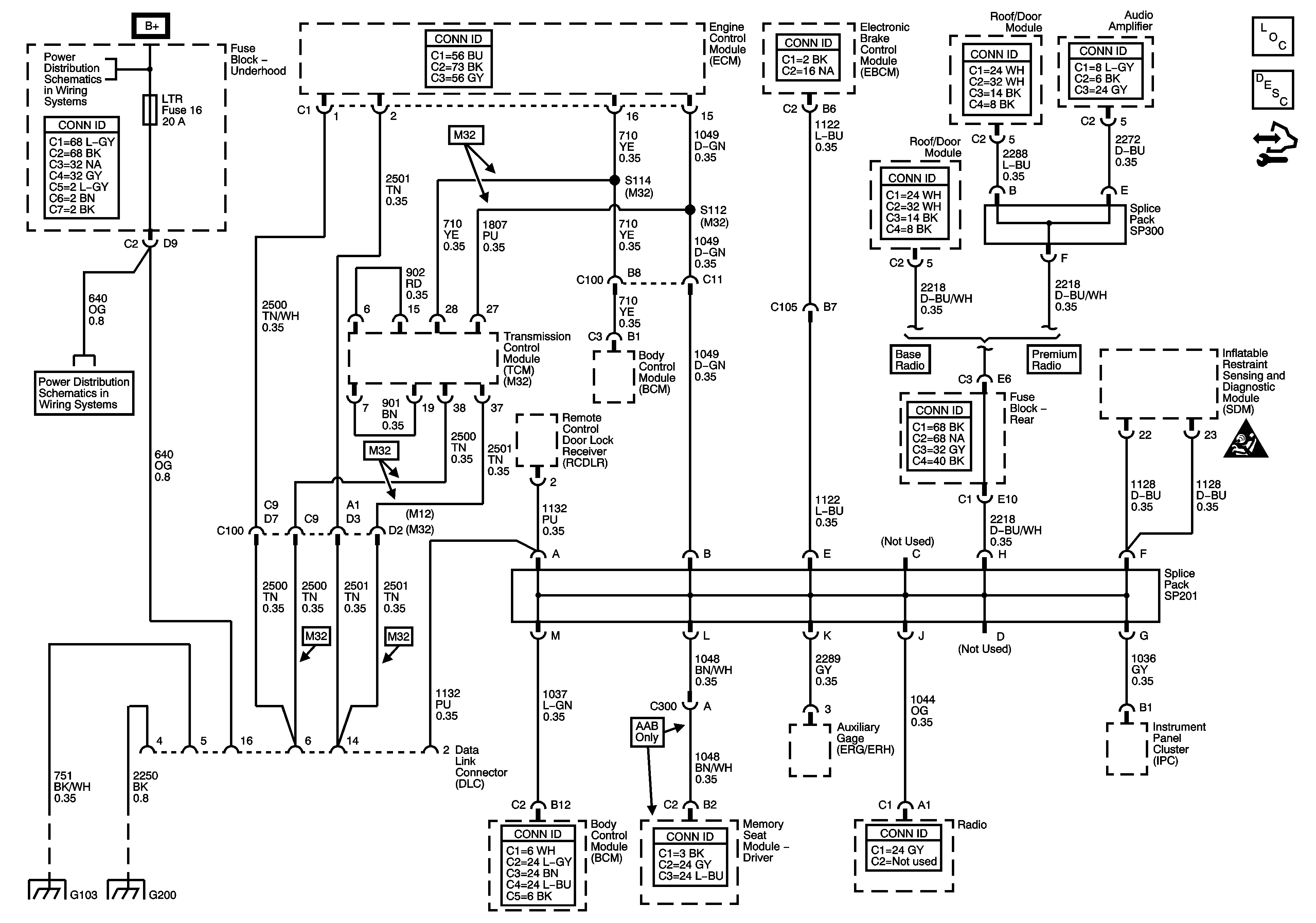
🢒 Data Link Connector Schematics
Data Link Connector Schematics
Master Electrical Component List
Data Link Communications Description and Operation
Control Module References
B+ Bus Underhood Fuse Block
ABS, AUX PWR 2, ENG COOL FAN, HVAC BLWR, LTR, STOP, STOP/LP, and VEH CHMSL Fuses
SIR Caution for Zoning
G103, G104
G200