GM Service Manual Online
For 1990-2009 cars only
Makes
🢒
Chevrolet
🢒
2005
🢒
SSR
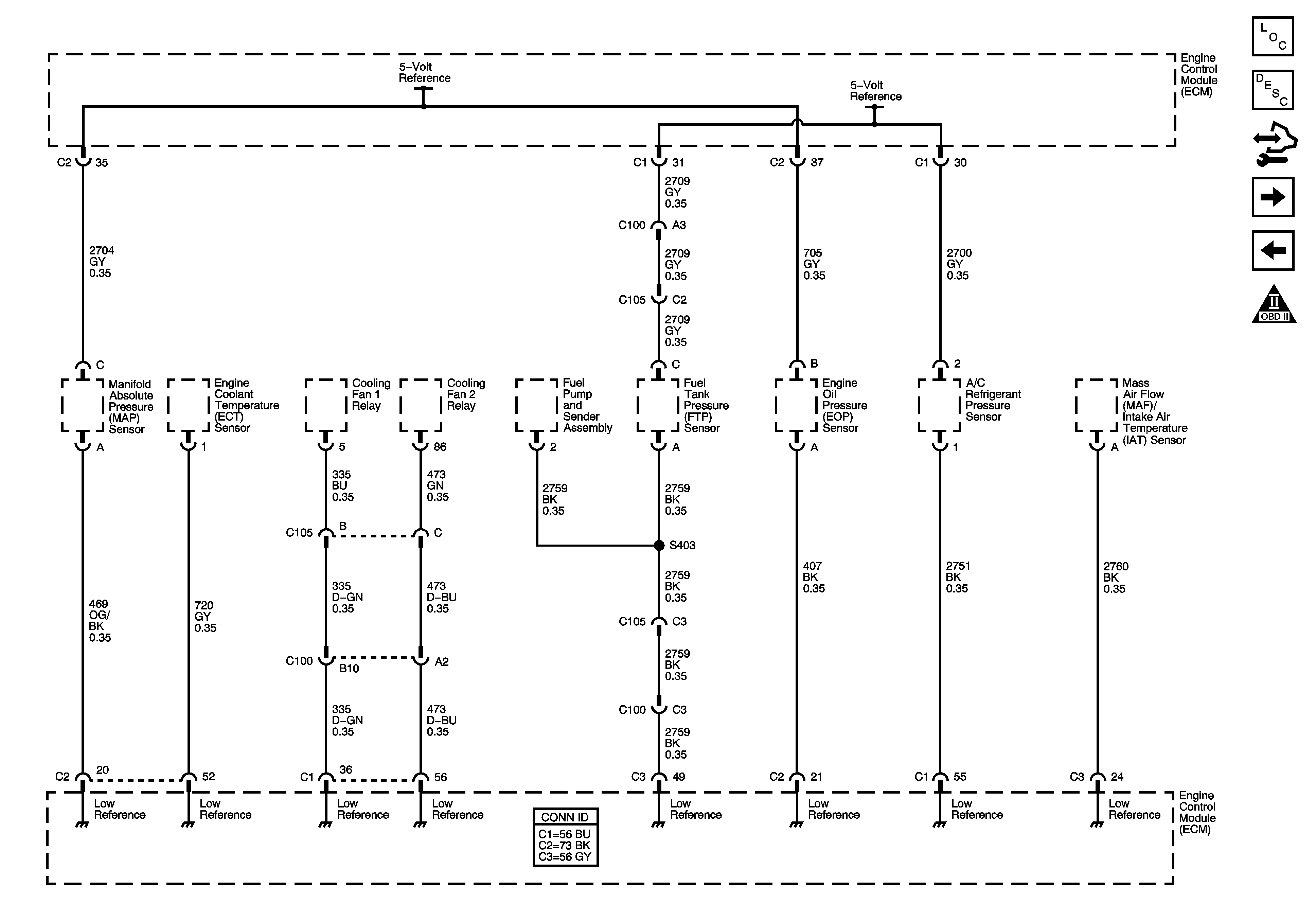
🢒 Engine Data Sensors-5-Volt and Low Referenc
Engine Data Sensors-5-Volt and Low Referenc
Engine Data Sensors - 5-Volt and Low Reference
Master Electrical Component List
Engine Control Module Description
Control Module References
Engine Data Sensors - MAF, Pressure, Temperature
Module Power, Ground, Serial Data and MIL
OBD II Symbol Description Notice