GM Service Manual Online
For 1990-2009 cars only
Makes
🢒
Chevrolet
🢒
2005
🢒
SSR
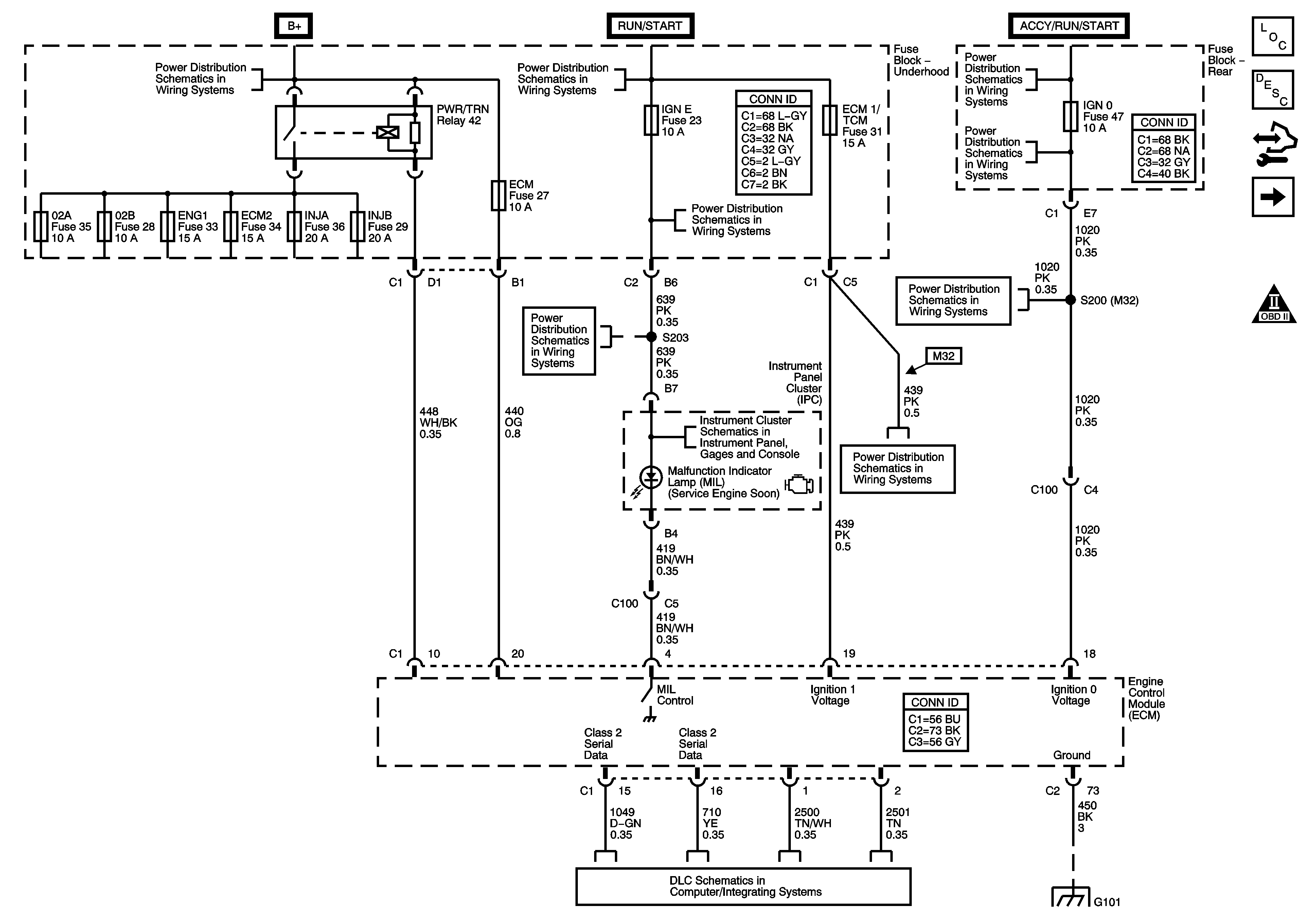
🢒 Module Power, Ground, Serial Data and MIL
Module Power, Ground, Serial Data and MIL
Module Power, Ground, Serial Data and MIL
Master Electrical Component List
Engine Control Module Description
Control Module References
Engine Data Sensors-5-Volt and Low Referenc
OBD II Symbol Description Notice
B+ Bus Underhood Fuse Block
Ignition Switch - ACCY/RUN and RUN/START Bus Bar and IGN B Fuse
BCK/UP REV LK OUT, BTSI, and IGN E Fuses
Ignition Switch - ACCY/RUN/START,RUN and START Bus Bars, CRNK and IGN A Fuses
IGN0, TBC IG, TBC 4CC, FT WPR Fuses
BCK/UP REV LK OUT, BTSI, and IGN E Fuses
Power, Ground, Serial Data and MIL
IGN0, TBC IG, TBC 4CC, FT WPR Fuses
AIRBAG, ECM 1/TCM, TCB IGN 1, and TRANS Fuses
Data Link Connector Schematics
G101