GM Service Manual Online
For 1990-2009 cars only
Makes
🢒
Chevrolet
🢒
2005
🢒
SSR
🢒 Engine Data Sensors - Throttle Actuator Controls
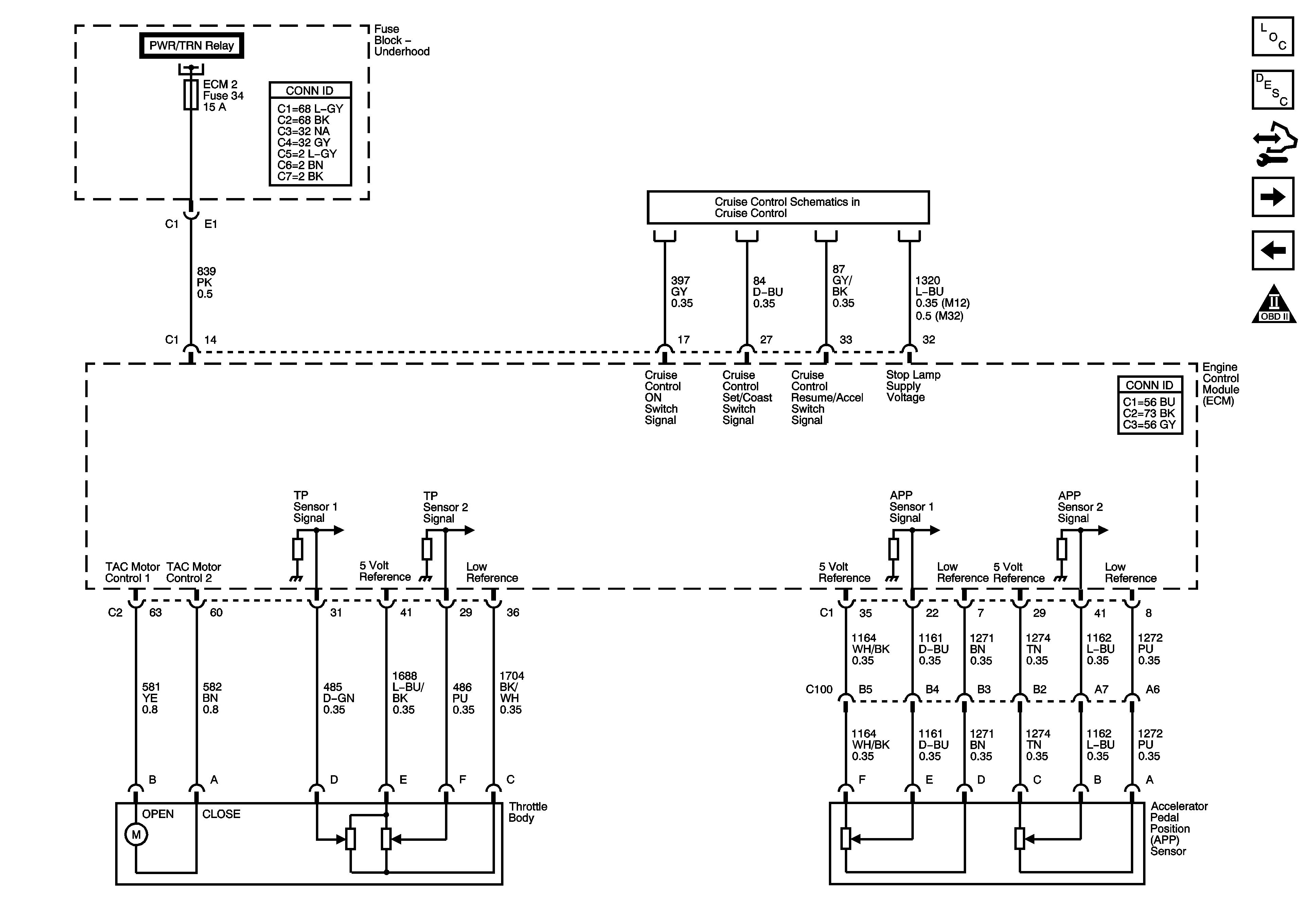
Engine Data Sensors - Throttle Actuator Controls
Engine Data Sensors - Throttle Actuator Controls
Master Electrical Component List
Engine Control Module Description
Control Module References
Igintion Controls - Ignition System Coils 1, 3, 5, 7
Engine Data Sensors - Oxygen Sensors
OBD II Symbol Description Notice
Module Power, Ground, Serial Data and MIL
Power, Ground, TAC Module, APP Sensor and Throttle Body