GM Service Manual Online
For 1990-2009 cars only
Makes
🢒
Chevrolet
🢒
2005
🢒
SSR
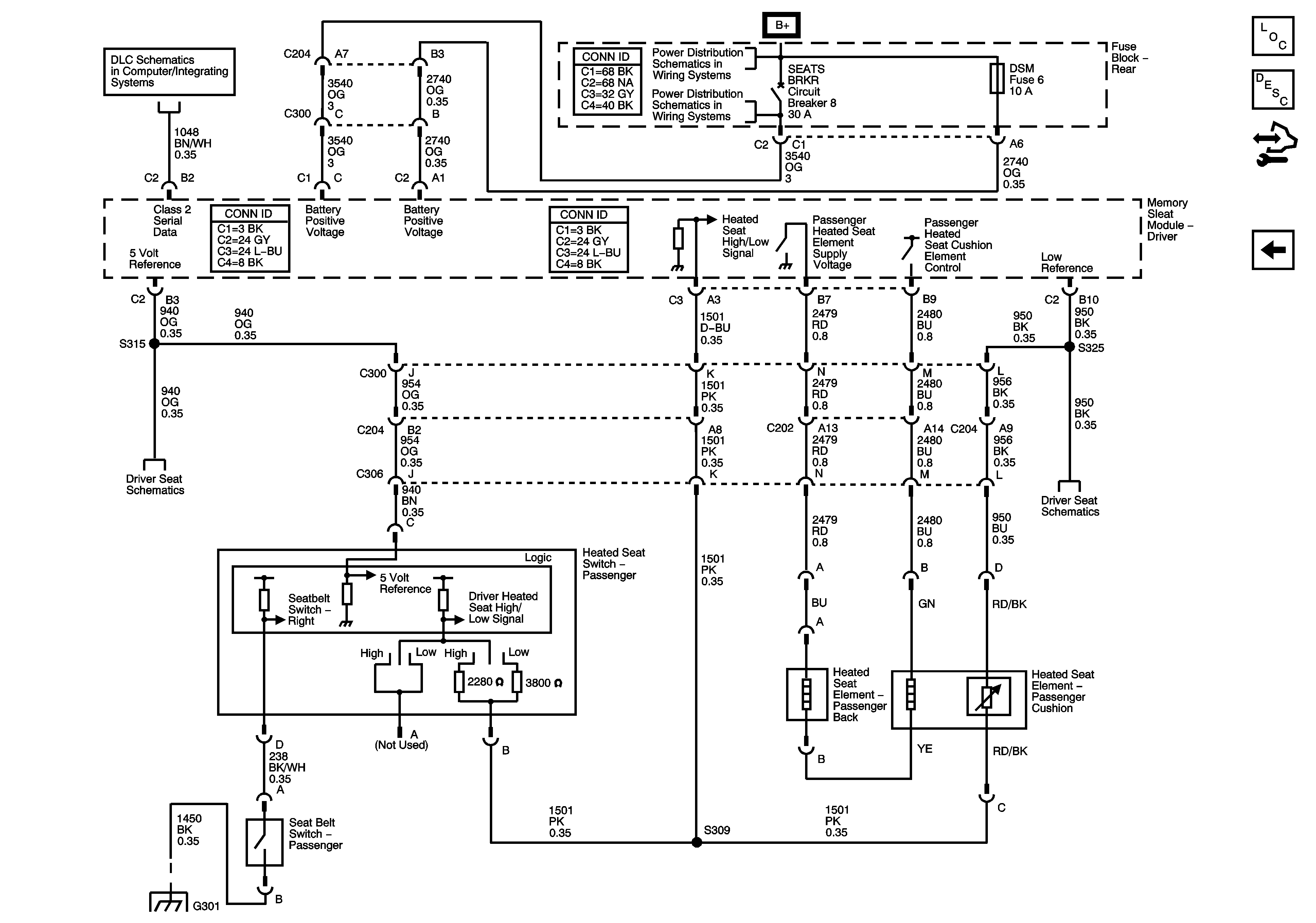
🢒 Passenger Heated Seat
Passenger Heated Seat
Passenger Heated Seat
Master Electrical Component List
Power Seats System Description and Operation
Control Module References
Passenger 2-Way and Lumbar
Data Link Connector Schematics
B+ Bus - Rear Fuse Block
AMP, DDM, RKE Fuses, and ROOF-DOOR MOD, ROOF-PUMP, and SEATSCircuit Breakers
Driver Heated Seat
Driver Heated Seat
G301, G302