GM Service Manual Online
For 1990-2009 cars only
Makes
🢒
Chevrolet
🢒
2007
🢒
Silverado Classic - 2WD
🢒
Driver Information and Entertainment
🢒
Secondary and Configurable Customer Controls
🢒 Steering Wheel Secondary/Configurable Control Schematics
Master Electrical Component List
Steering Wheel Controls Description and Operation
Control Module References
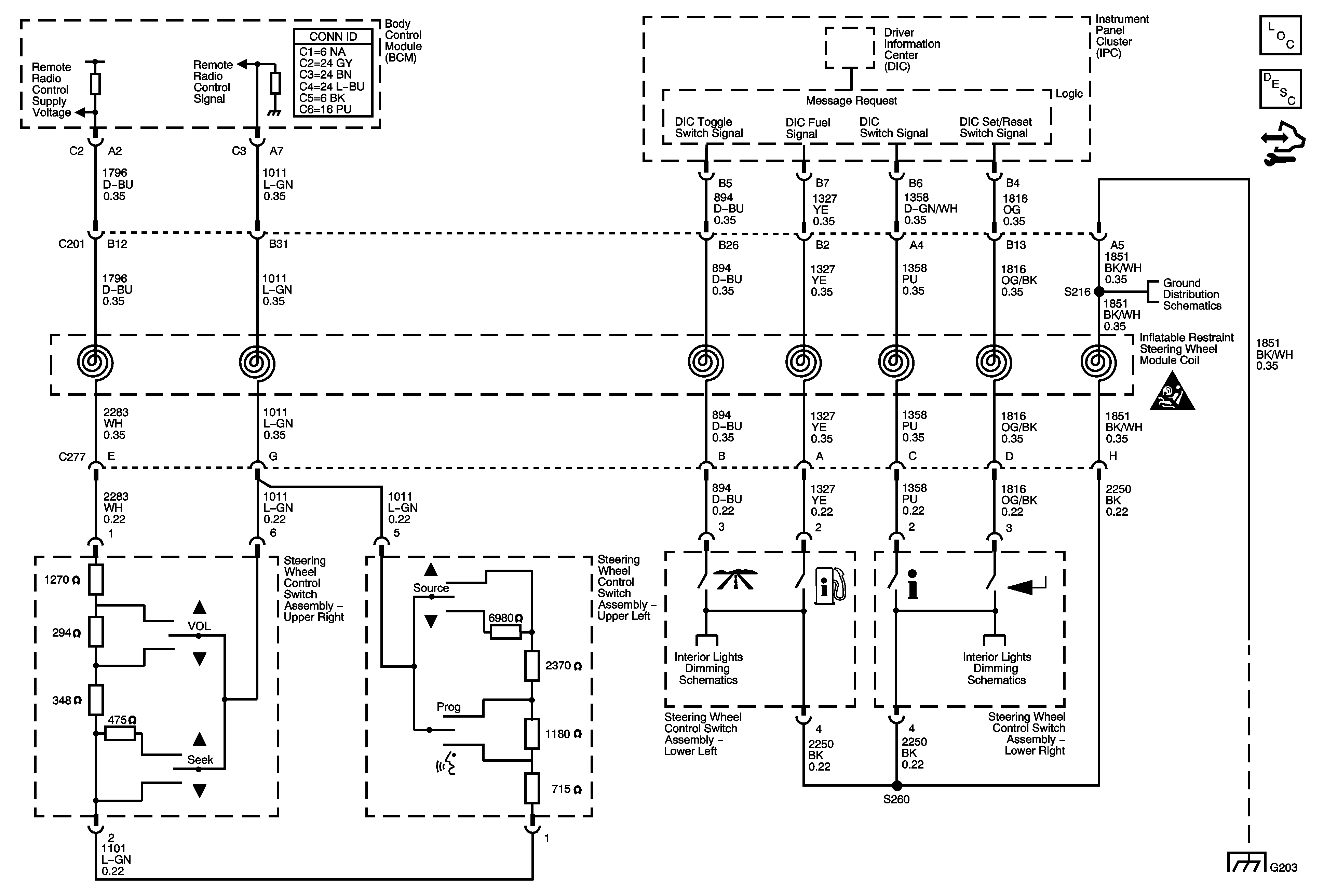
G203 - 2 of 2
Secondary/Configurable Control Schematic Icons
I/P Lamps Dimming Control Supply - 1 of 3
I/P Lamps Dimming Control Supply - 1 of 3
G203 - 2 of 2