GM Service Manual Online
For 1990-2009 cars only
Makes
🢒
Chevrolet
🢒
2007
🢒
Silverado Classic - 2WD
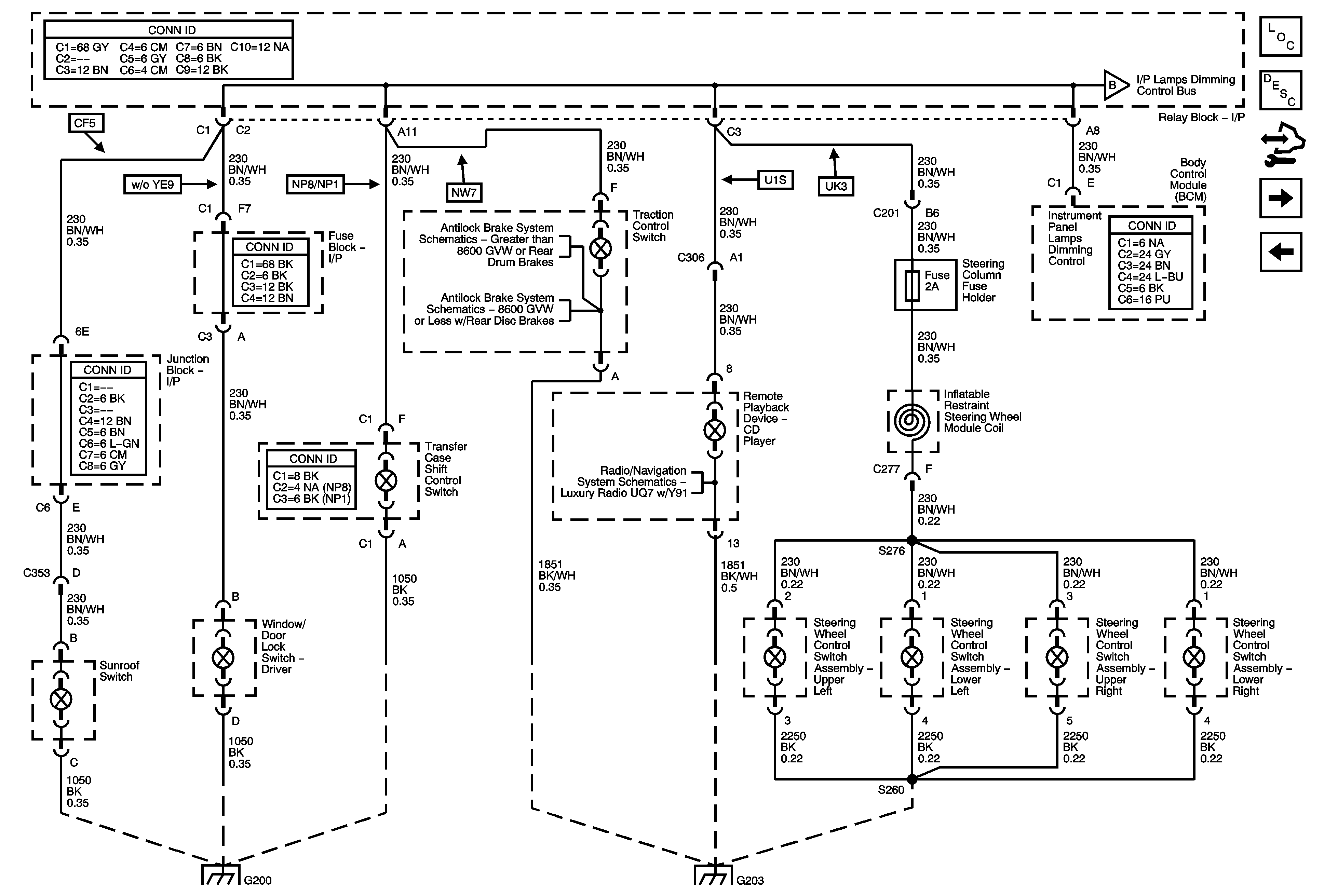
🢒 I/P Lamps Dimming Control Supply - 1 of 3
I/P Lamps Dimming Control Supply - 1 of 3
I/P Lamps Dimming Control Supply 1 of 3
Master Electrical Component List
Interior Lighting Systems Description and Operation
Control Module References
I/P Lamps Dimming Control Supply - 2 of 3
LED Dimming Supply - 2 of 2
I/P Lamps Dimming Control Supply - 3 of 3
Traction Control and Wheel Speed Sensors - All Others
Traction Control and Wheel Speed Sensors - 8600 GVW or Less w/ Rear Disc Brakes
Remote Playback Device - CD Player (U1S)
G115 and G200 - 1 of 2
G203 - 1 of 2