GM Service Manual Online
For 1990-2009 cars only
Makes
🢒
Chevrolet
🢒
2007
🢒
Silverado Classic - 2WD
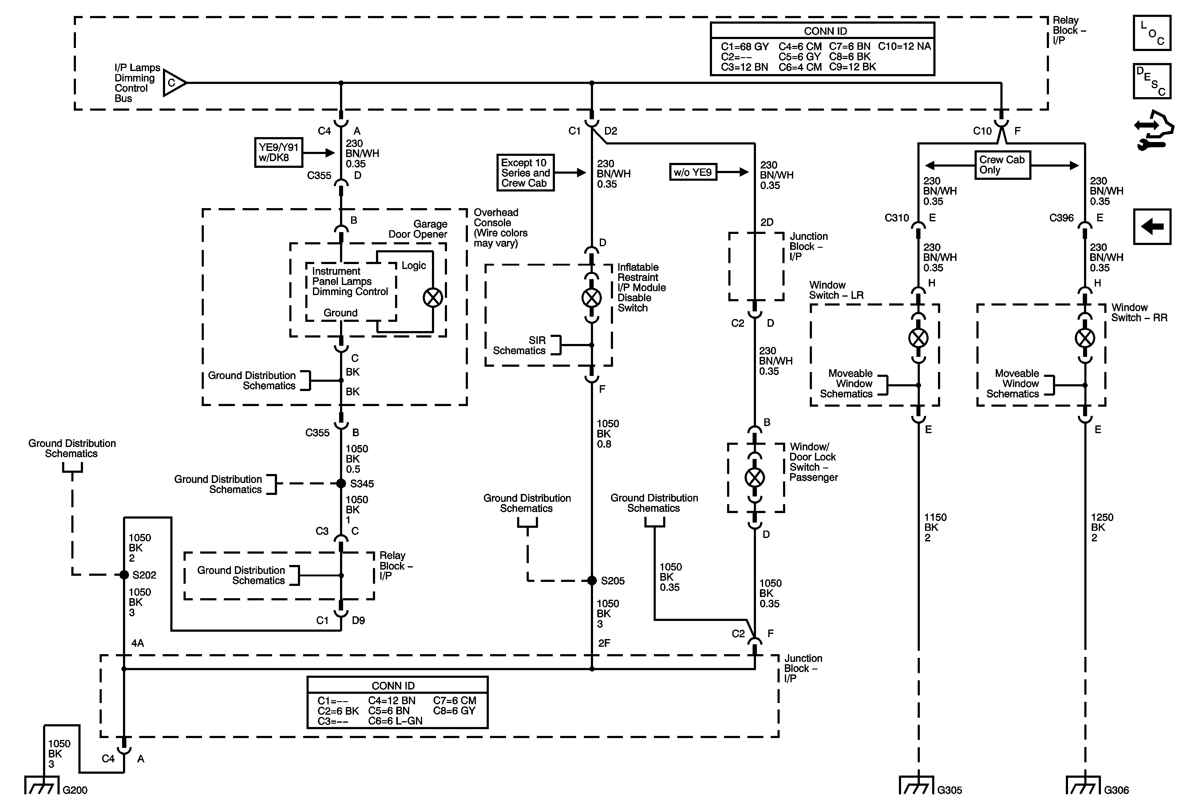
🢒 I/P Lamps Dimming Control Supply - 3 of 3
I/P Lamps Dimming Control Supply - 3 of 3
I/P Lamps Dimming Control Supply - 3 of 3
Master Electrical Component List
Interior Lighting Systems Description and Operation
Control Module References
I/P Lamps Dimming Control Supply - 2 of 3
I/P Lamps Dimming Control Supply - 1 of 3
G115 and G200 - 1 of 2
G200 - 2 of 2
G200 - 2 of 2
G200 - 2 of 2
G115 and G200 - 1 of 2
Power, Ground, Serial Data, and Disable Switch
G200 - 2 of 2
G115 and G200 - 1 of 2
Left Doors
Right Doors
G304, G305, G306, and G390