GM Service Manual Online
For 1990-2009 cars only
Makes
🢒
Chevrolet
🢒
2007
🢒
Silverado Classic - 2WD
🢒
Seats
🢒
Power Seats
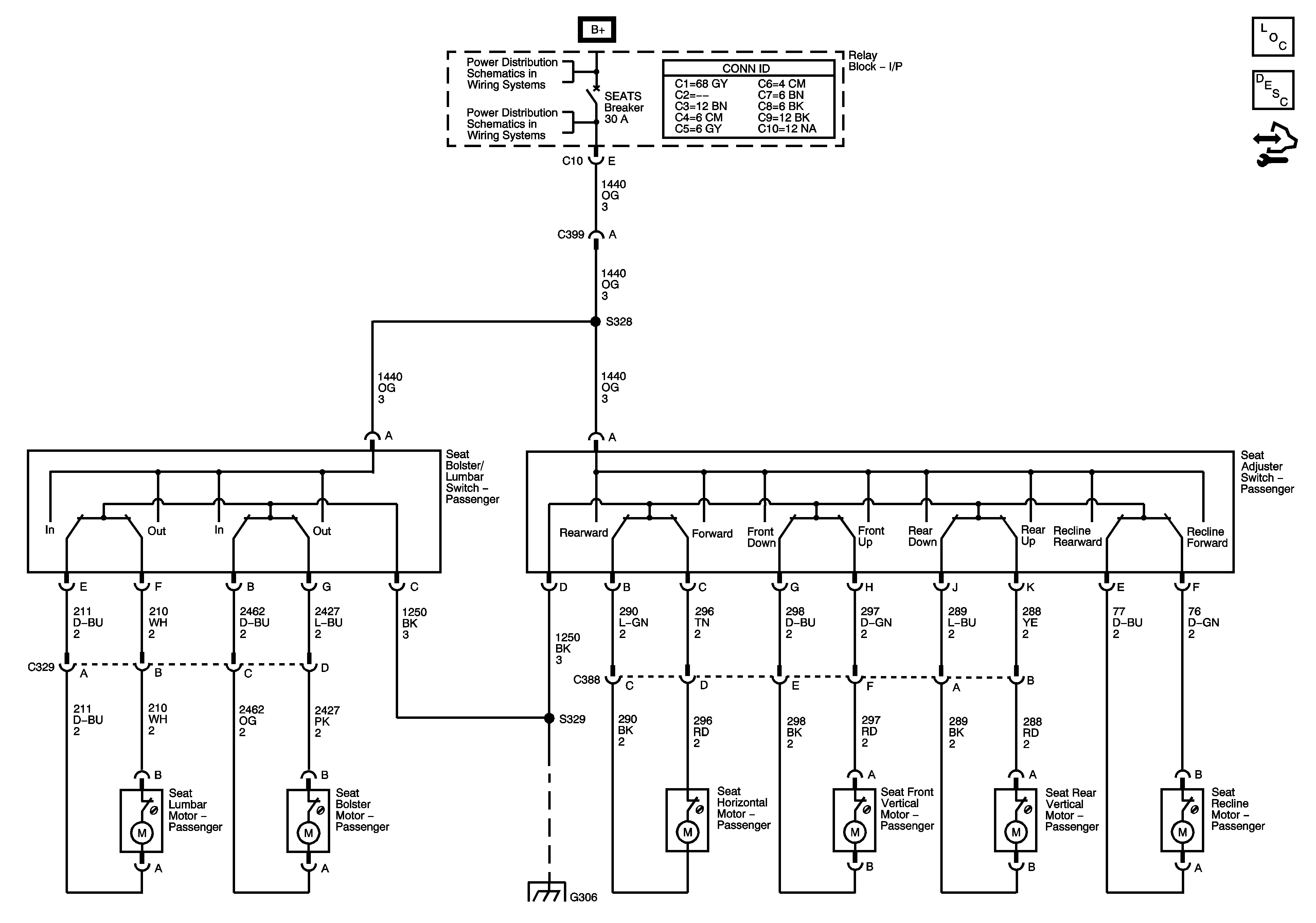
🢒 Passenger Seat Schematics
Master Electrical Component List
Power Seats System Description and Operation
Control Module References
B+ Bus Bar
ABS, AUX HTR PMP, ESCM, HCM-B, MBEC1, RTD, STUD 1, STUD 2, TRANS PUMP, and VSES/ECAS Fuses and RT DOOR and SEAT Circuit Breakers
G304, G305, G306, and G390