GM Service Manual Online
For 1990-2009 cars only

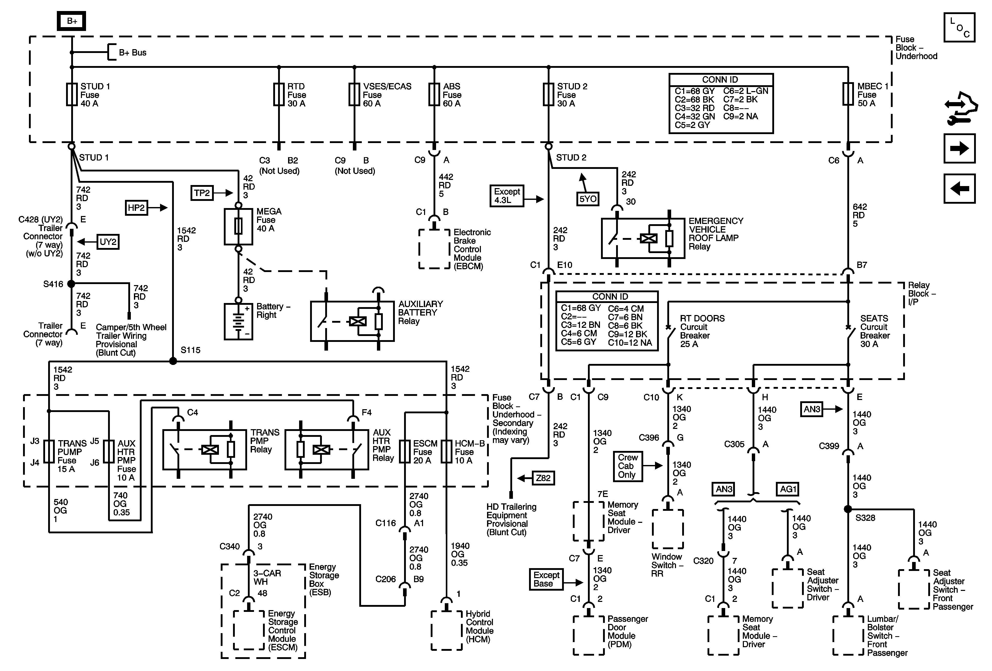
ABS, AUX HTR PMP, ESCM, HCM-B, MBEC1, RTD, STUD 1, STUD 2, TRANS PUMP, and VSES/ECAS Fuses and RT DOOR and SEAT Circuit Breakers

ABS, AUX HTR PMP, ESCM, HCM-B, MBEC1, RTD, STUD 1, STUD 2, TRANS PCMP, VSES/ECAS Fuses and RT DOOR, SEAT Circuit Breakers


Object Number: 1778765  Size: FS
Master Electrical Component List
Control Module References
4WS, RR WPR, STOP LP, TREC, VEH STOP, and VEH CHMSL Fuses
B+ Bus Bar
B+ Bus Bar