GM Service Manual Online
For 1990-2009 cars only
Makes
🢒
Chevrolet
🢒
2007
🢒
Silverado Classic - 2WD
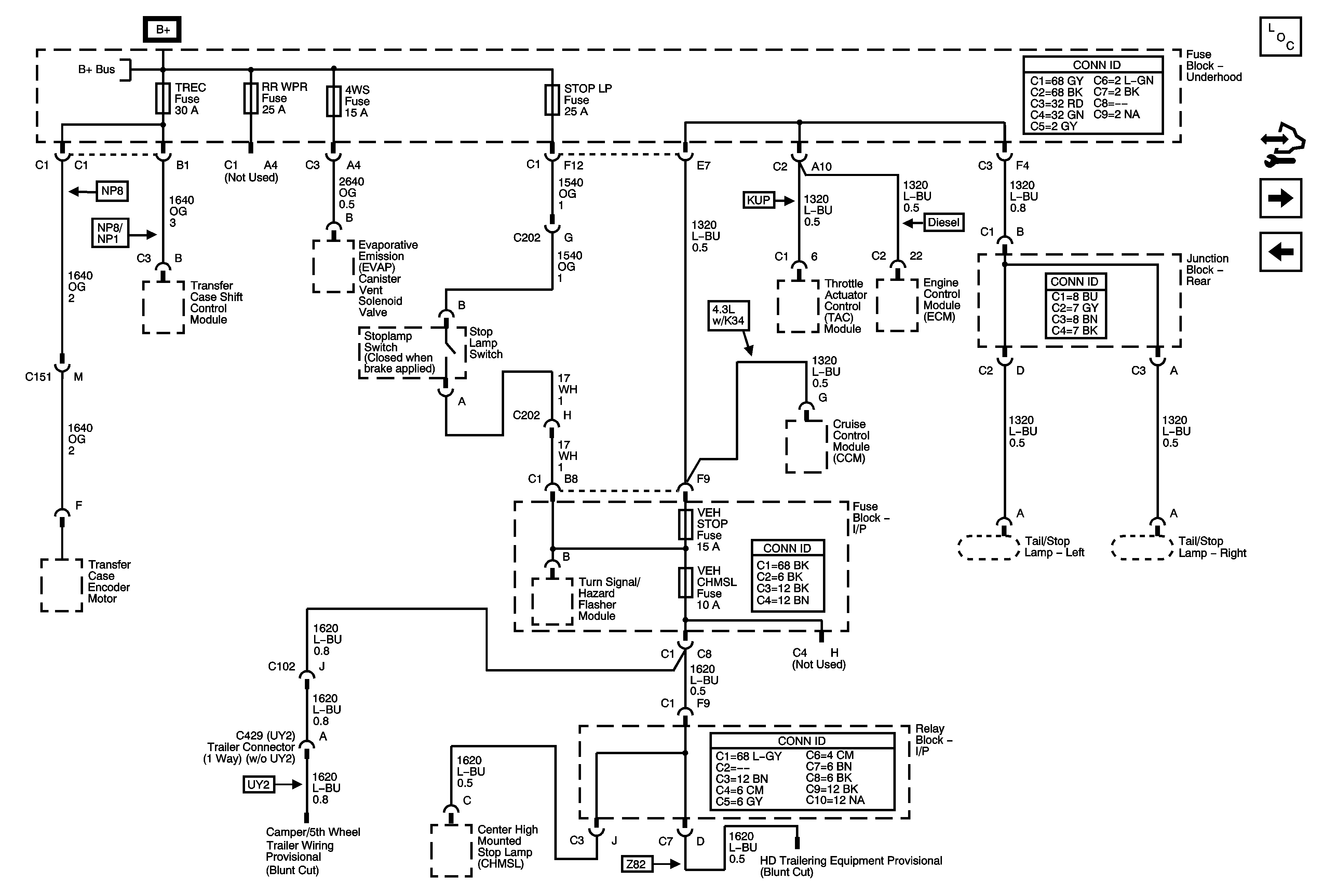
🢒 4WS, RR WPR, STOP LP, TREC, VEH STOP, and VEH CHMSL Fuses
4WS, RR WPR, STOP LP, TREC, VEH STOP, and VEH CHMSL Fuses
4WS, RR WPR, STOP LP, TREC, VEH STOP, and VEH CHMSL Fuses
Master Electrical Component List
Control Module References
IPC/DIC, LH HID, RH HID, SEO B1, and TBC BATT Fuses
ABS, AUX HTR PMP, ESCM, HCM-B, MBEC1, RTD, STUD 1, STUD 2, TRANS PUMP, and VSES/ECAS Fuses and RT DOOR and SEAT Circuit Breakers
B+ Bus Bar