GM Service Manual Online
For 1990-2009 cars only

HVAC Schematics Manual - CJ3

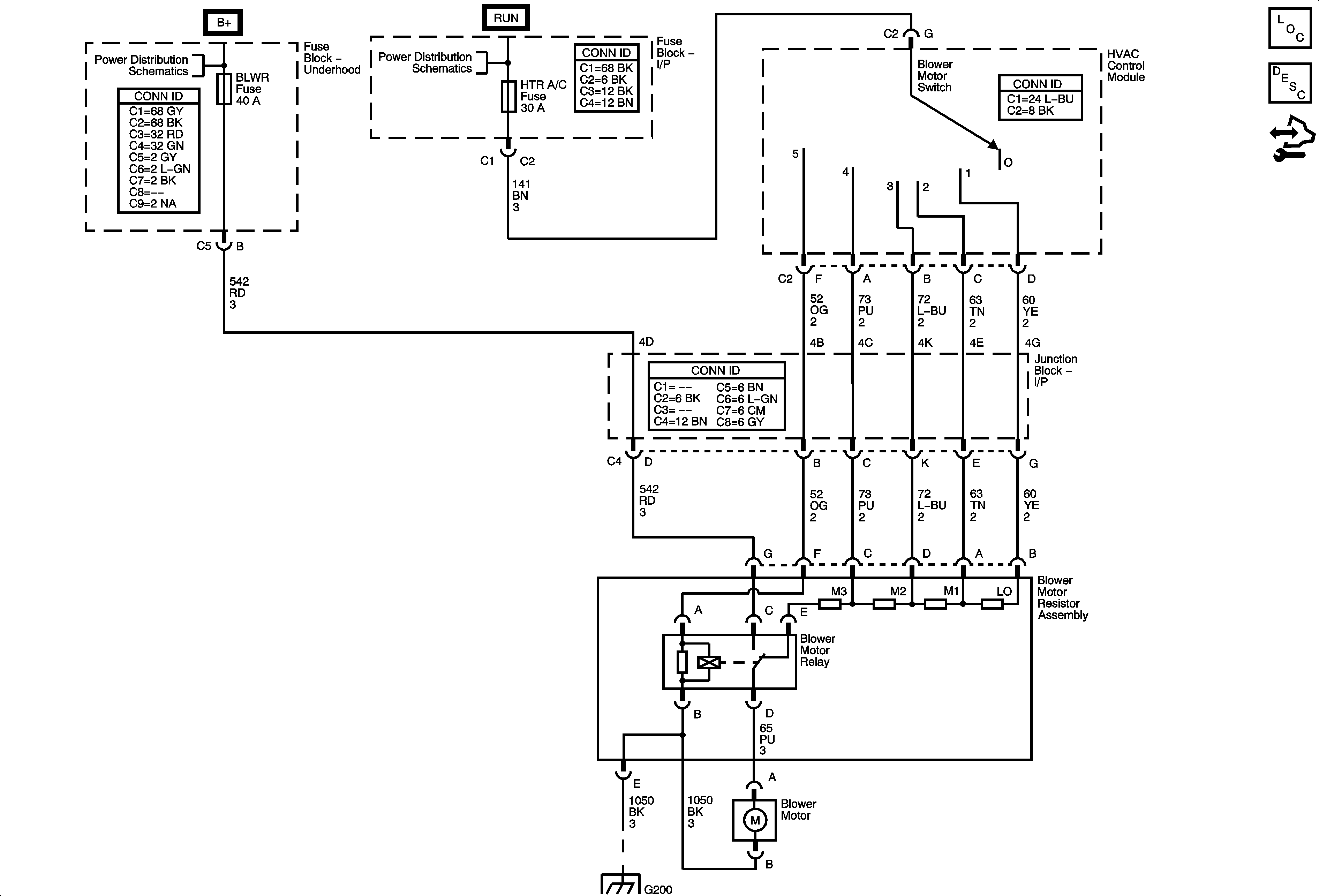
Figure 1:

Power, Ground, Serial Data, and Blower Motor Controls


Object Number: 1774920  Size: FS
Master Electrical Component List
Air Delivery Description and Operation
Control Module References
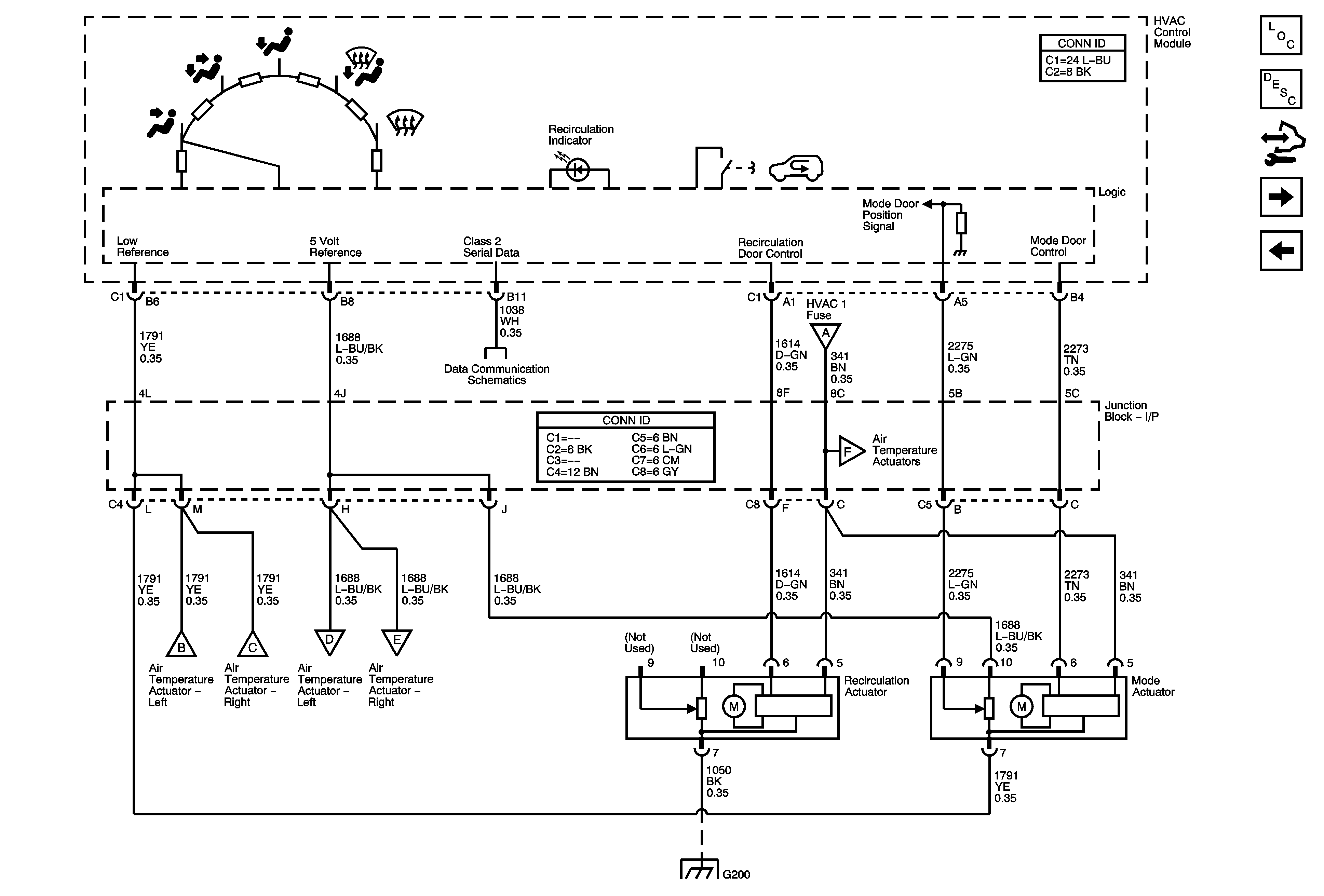
Mode and Recirculating Actuators
B+ Bus Bar
Ignition Switch - START, RUN, and ACC/RUN/START BUS BARS, IGN A, and CRNK Fuses
Mode and Recirculating Actuators
Power, Ground, DLC and Splice Pack SP205
G203 - 1 of 2
G115 and G200 - 1 of 2
Figure 2:

Mode and Recirculating Actuators


Object Number: 1774925  Size: FS
Master Electrical Component List
Air Delivery Description and Operation
Control Module References
Air Temperature Actuators - Left and Right
Power, Ground, Serial Data, and Blower Motor Controls
Power, Ground, DLC and Splice Pack SP205
Power, Ground, Serial Data, and Blower Motor Controls
Air Temperature Actuators - Left and Right
G115 and G200 - 1 of 2
Air Temperature Actuators - Left and Right
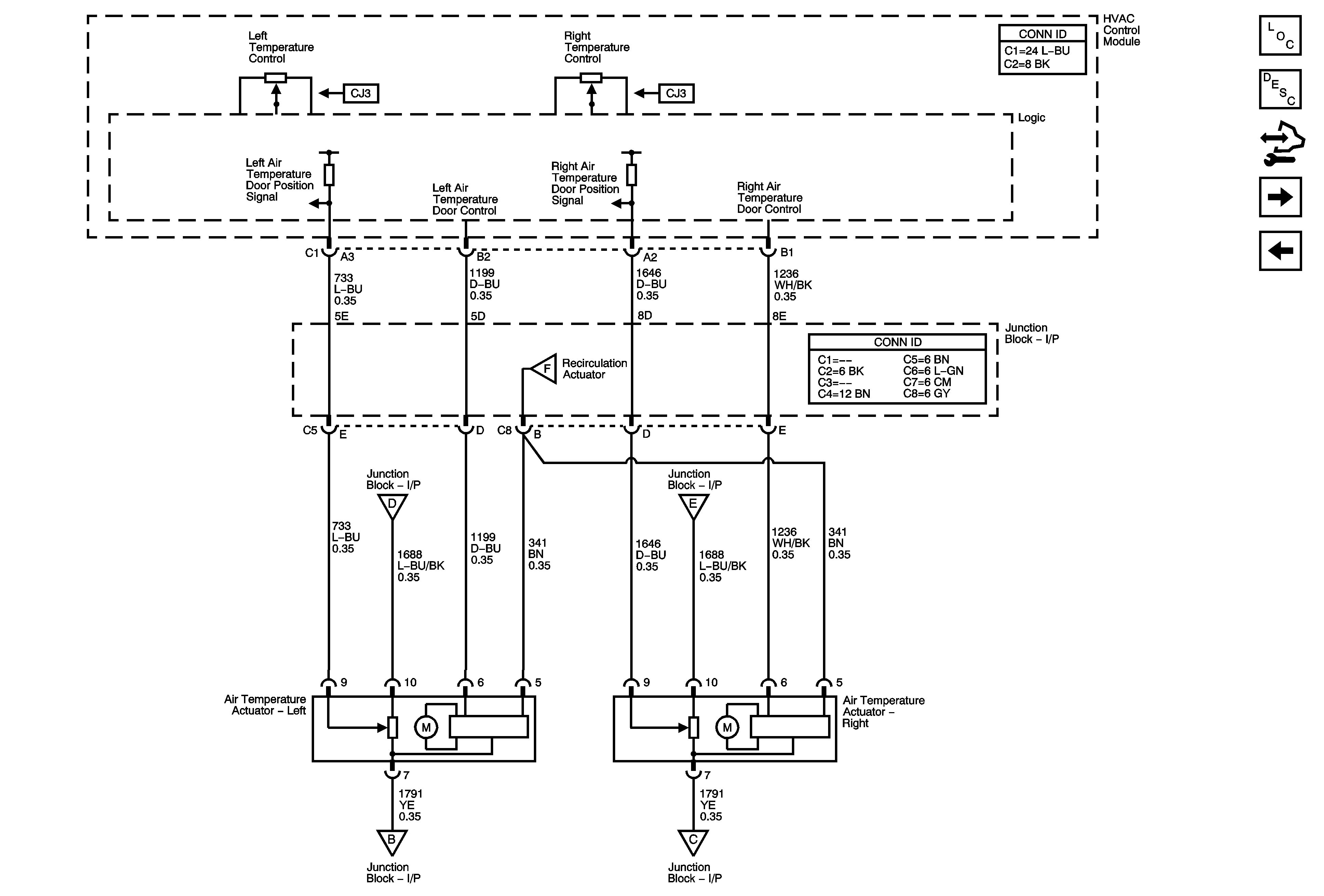
Figure 3:

Air Temperature Actuators - Left and Right


Object Number: 1774926  Size: FS
Master Electrical Component List
Air Temperature Description and Operation
Control Module References
A/C Compressor Control
Mode and Recirculating Actuators
Mode and Recirculating Actuators
Mode and Recirculating Actuators
Mode and Recirculating Actuators
Mode and Recirculating Actuators
Mode and Recirculating Actuators
Figure 4:

A/C Compressor Control


Object Number: 1774929  Size: FS
Master Electrical Component List
Air Temperature Description and Operation
Control Module References
Air Temperature Actuators - Left and Right
B+ Bus Bar
Ignition Switch - ACC/RUN and RUN/START BUS BARS and IGN B Fuse
IGN E and AIRBAG Fuses
Power, Ground, DLC and Splice Pack SP205
G104, G107, and G110

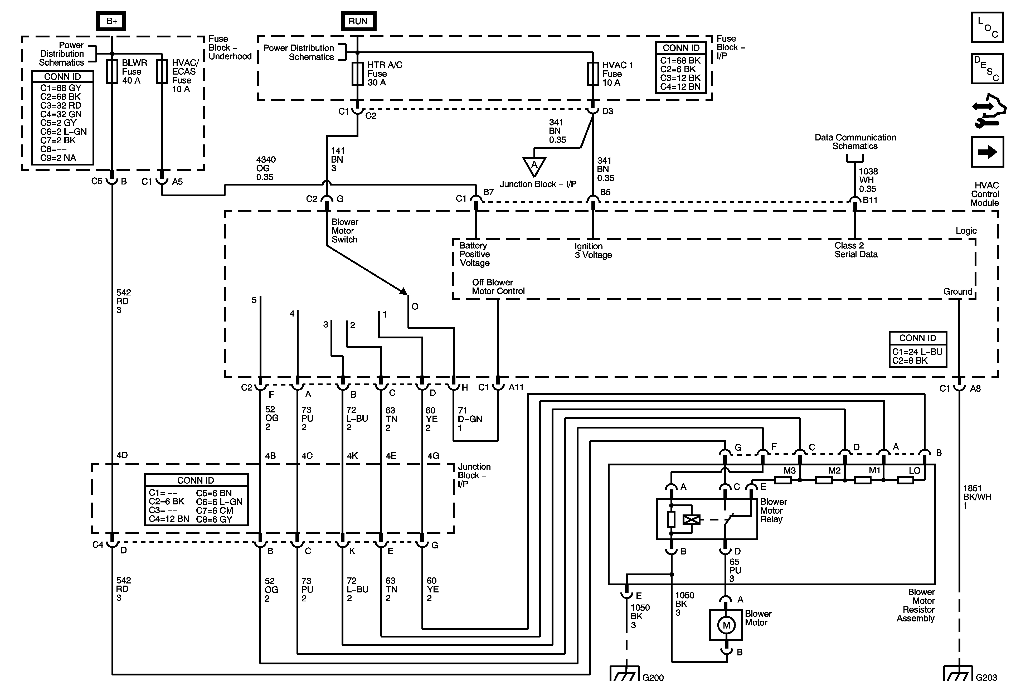
HVAC Schematics Blower Control - C42


Object Number: 1809157  Size: FS
Master Electrical Component List
Air Temperature Description and Operation
Control Module References
B+ Bus Bar
Ignition Switch - START, RUN, and ACC/RUN/START BUS BARS, IGN A, and CRNK Fuses
G115 and G200 - 1 of 2